Electrical Specification
| Description | Connector No. | Terminal No. | Signal (V) | Note | ||
|---|---|---|---|---|---|---|
| Ignition SW ON (engine OFF) | Engine ON (idling) | |||||
| Crankshaft position sensor | Signal (+) | B137 | 17 | 0 | -7 - +7 | Waveform |
| Signal (-) | B137 | 25 | 0 | 0 | - | |
| Shield | B137 | 31 | 0 | 0 | - | |
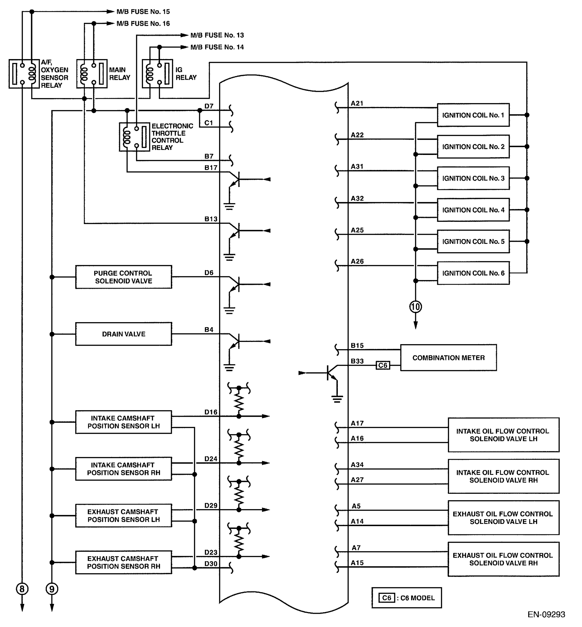
| Intake camshaft position sensor (LH) | B137 | 16 | 0 or 5 | 0 or 5 | Waveform | |
| Intake camshaft position sensor (RH) | B137 | 24 | 0 or 5 | 0 or 5 | Waveform | |
| Exhaust camshaft position sensor (LH) | B137 | 29 | 0 or 5 | 0 or 5 | Waveform | |
| Exhaust camshaft position sensor (RH) | B137 | 23 | 0 or 5 | 0 or 5 | Waveform | |
| Camshaft position sensor ground | B137 | 30 | 0 | 0 | - | |
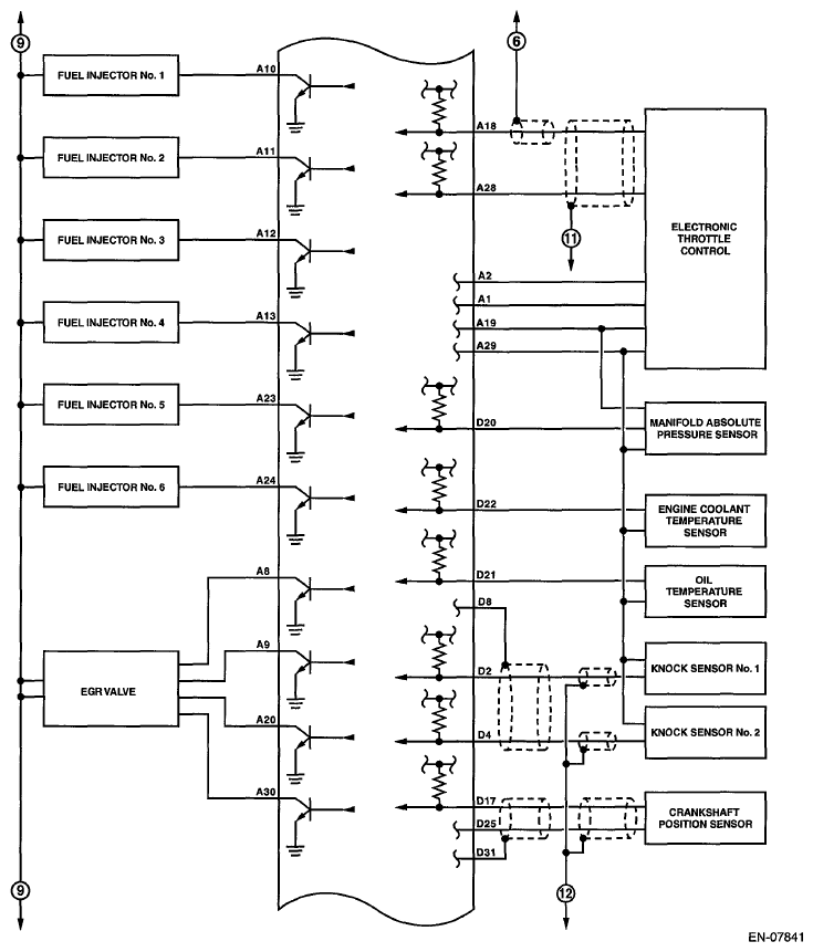
| Electronic throttle control | Main | B134 | 18 | Approx. 0.9 (After engine is warmed up.) | Approx. 0.6 - 0.7 (After engine is warmed up.) | Fully closed: Approx. 0.6 Fully open: Approx. 4.0 |
| Sub | B134 | 28 | Approx. 1.7 (After engine is warmed up.) | Approx. 1.5 - 1.6 (After engine is warmed up.) | Fully closed: Approx. 1.5 Fully open: Approx. 4.2 |
|
| Electronic throttle control motor (+) | B134 | 2 | Duty waveform | Duty waveform | Drive frequency: 500 Hz | |
| Electronic throttle control motor (-) | B134 | 1 | Duty waveform | Duty waveform | Drive frequency: 500 Hz | |
| Electronic throttle control motor power supply | B135 | 7 | 10 - 13 | 12 - 14 | - | |
| Electronic throttle control motor relay | B135 | 17 | ON: 0 OFF: 10 - 13 |
ON: 0 OFF: 12 - 14 |
When ignition switch is turned to ON: ON | |
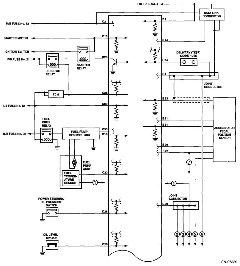
| Accelerator pedal position sensor | Main sensor signal | B135 | 23 | Fully closed: 1 Fully opened: 3.6 |
Fully closed: 1 Fully opened: 3.3 |
- |
| Main power supply | B135 | 21 | 5 | 5 | - | |
| Ground (main sensor) | B135 | 29 | 0 | 0 | - | |
| Sub sensor signal | B135 | 31 | Fully closed: 1 Fully opened: 3.7 |
Fully closed: 1 Fully opened: 3.3 |
- | |
| Sub power supply | B135 | 22 | 5 | 5 | - | |
| Ground (sub sensor) | B135 | 30 | 0 | 0 | - | |
| Engine coolant temperature sensor | B137 | 22 | 1.0 - 1.4 | 1.0 - 1.4 | After engine is warmed up. | |
| Starter switch | B136 | 16 | 0 | 0 | Cranking: 8 - 14 | |
| Starter relay | B135 | 26 | ON: 0 OFF: 10 - 13 |
ON: 0 OFF: 12 - 14 |
- | |
| Ignition switch | B136 | 30 | 10 - 13 | 12 - 14 | - | |
| Neutral position switch | B136 | 35 | ON: 0 OFF: 12±0.5 |
Switch is ON when select lever is in "P" range or "N" range. | ||
| Delivery (test) mode switch | B136 | 34 | 10 - 13 | 12 - 14 | When fuse is installed: 0 | |
| Knock sensor 1 | B137 | 2 | 2.4 | 2.4 | - | |
| Knock sensor 2 | B137 | 4 | 2.4 | 2.4 | - | |
| Knock sensor shield | B137 | 8 | 0 | 0 | - | |
| Back-up power supply | B136 | 2 | 10 - 13 | 12 - 14 | Ignition switch "OFF": 10 - 13 | |
| Control module power supply | B137 | 7 | 10 - 13 | 12 - 14 | - | |
| B136 | 1 | 10 - 13 | 12 - 14 | - | ||
| Sensor power supply | B134 | 19 | 5 | 5 | - | |
| Ignition control | #1 | B134 | 21 | 0 | 0 or 5 | Waveform |
| #2 | B134 | 22 | 0 | 0 or 5 | Waveform | |
| #3 | B134 | 31 | 0 | 0 or 5 | Waveform | |
| #4 | B134 | 32 | 0 | 0 or 5 | Waveform | |
| #5 | B134 | 25 | 0 | 0 or 5 | Waveform | |
| #6 | B134 | 26 | 0 | 0 or 5 | Waveform | |
| Fuel injector | #1 | B134 | 10 | 10 - 13 | 1 - 14 | Waveform |
| #2 | B134 | 11 | 10 - 13 | 1 - 14 | Waveform | |
| #3 | B134 | 12 | 10 - 13 | 1 - 14 | Waveform | |
| #4 | B134 | 13 | 10 - 13 | 1 - 14 | Waveform | |
| #5 | B134 | 23 | 10 - 13 | 1 - 14 | Waveform | |
| #6 | B134 | 24 | 10 - 13 | 1 - 14 | Waveform | |
| Radiator fan control | B135 | 11 | ON: 0.5 or less OFF: 10 - 13 |
ON: 0.5 or less OFF: 12 - 14 |
- | |
| Radiator fan control power supply | B135 | 12 | ON: 0.5 or less OFF: 10 - 13 |
ON: 0.5 or less OFF: 12 - 14 |
- | |
| Self-shutoff control | B135 | 13 | 0 | 0 | - | |
| Malfunction indicator light | B135 | 33 | - | - | Light "ON": 1 or less Light "OFF": 10 - 14 |
|
| Engine speed output | B135 | 15 | - | 0 - 13 or more | Waveform | |
| Purge control solenoid valve | B137 | 6 | ON: 1 or less OFF: 10 - 13 |
ON: 1 or less OFF: 12 - 14 |
- | |
| EGR valve | Signal 1 | B134 | 8 | 0 or 10 - 13 | 0 or 12 - 14 | - |
| Signal 2 | B134 | 9 | 0 or 10 - 13 | 0 or 12 - 14 | - | |
| Signal 3 | B134 | 20 | 0 or 10 - 13 | 0 or 12 - 14 | - | |
| Signal 4 | B134 | 30 | 0 or 10 - 13 | 0 or 12 - 14 | - | |
| Manifold absolute pressure sensor | B137 | 20 | 3.5 - 4.8 | 1.1 - 1.9 | - | |
| Air flow sensor | Signal | B136 | 22 | 0.74 | 0.3 - 4.5 | - |
| Shield | B136 | 10 | 0 | 0 | - | |
| Ground | B136 | 11 | 0 | 0 | - | |
| Intake air temperature sensor | B136 | 31 | 3.15 - 3.33 | 3.15 - 3.33 | Ambient air temperature | |
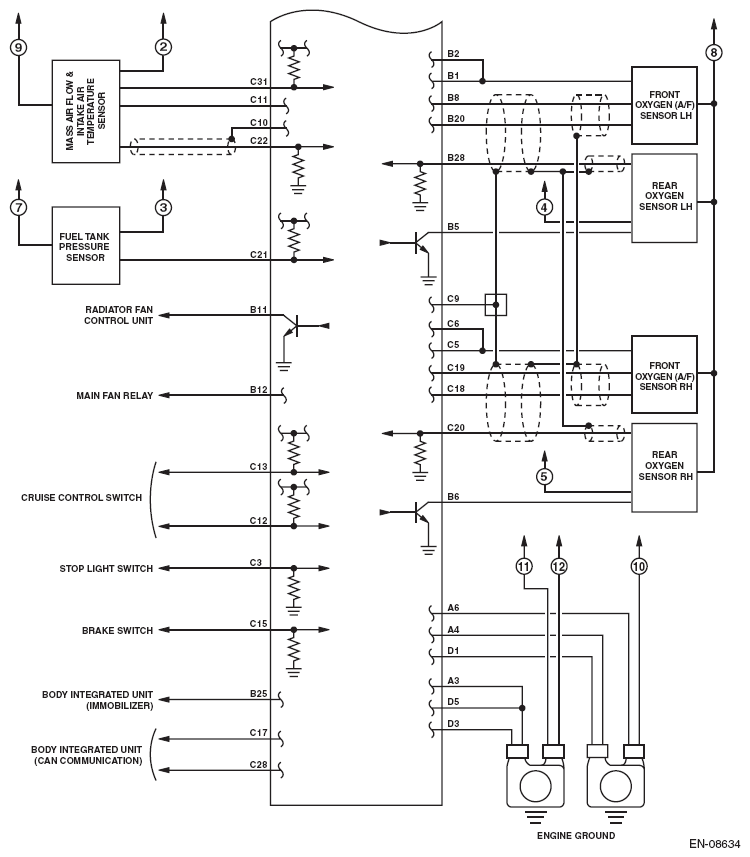
| Front oxygen (A/F) sensor LH | Signal (+) | B135 | 8 | 2.8 - 3.2 | 2.8 - 3.2 | - |
| Signal (-) | B135 | 20 | 2.4 - 2.7 | 2.4 - 2.7 | - | |
| Shield | B136 | 9 | 0 | 0 | - | |
| Front oxygen (A/F) sensor heater LH | Signal 1 | B135 | 2 | 12 - 14 | - | Waveform |
| Signal 2 | B135 | 1 | 12 - 14 | - | Waveform | |
| Front oxygen (A/F) sensor RH | Signal (+) | B136 | 19 | 2.8 - 3.2 | 2.8 - 3.2 | - |
| Signal (-) | B136 | 18 | 2.4 - 2.7 | 2.4 - 2.7 | - | |
| Shield | B136 | 9 | 0 | 0 | - | |
| Front oxygen (A/F) sensor heater RH | Signal 1 | B136 | 6 | 12 - 14 | - | Waveform |
| Signal 2 | B136 | 5 | 12 - 14 | - | Waveform | |
| Rear oxygen sensor LH | Signal | B135 | 28 | 0 | 0 - 0.9 | - |
| Shield | B136 | 9 | 0 | 0 | - | |
| Rear oxygen sensor heater LH signal | B135 | 5 | 12 - 14 | - | Waveform | |
| Rear oxygen sensor RH | Signal | B136 | 20 | 0 | 0 - 0.9 | - |
| Shield | B136 | 9 | 0 | 0 | - | |
| Rear oxygen sensor heater RH signal | B135 | 6 | 12 - 14 | - | Waveform | |
| Immobilizer communication | B135 | 25 | - | - | - | |
| Fuel pump control unit | Control | B136 | 33 | 0 or 5 | 0 or 5 | Waveform |
| Diagnostic signal | B135 | 10 | 0 or 10 - 13 | 12 - 14 | - | |
| Brake switch 1 (brake switch) | B136 | 15 | When brake pedal is depressed: 0 When brake pedal is released: 10 - 13 |
When brake pedal is depressed: 0 When brake pedal is released: 12 - 14 |
- | |
| Brake switch 2 (stop light switch) | B136 | 3 | When brake pedal is depressed: 10 - 13 When brake pedal is released: 0 |
When brake pedal is depressed: 12 - 14 When brake pedal is released: 0 |
- | |
| Cruise control command switch | B136 | 12 | When operating nothing: 3.5 - 4.5 When operating RES/ACC: 2.5 - 3.5 When operating vehicle distance setting: 1.5 - 2.5 When operating SET/COAST: 0.5 - 1.5 When operating CANCEL: 0 - 0.5 |
When operating nothing: 3.5 - 4.5 When operating RES/ACC: 2.5 - 3.5 When operating vehicle distance setting: 1.5 - 2.5 When operating SET/COAST: 0.5 - 1.5 When operating CANCEL: 0 - 0.5 |
- | |
| Cruise control main switch | B136 | 13 | ON: 0 OFF: 5 |
ON: 0 OFF: 5 |
- | |
| Intake oil flow control solenoid valve LH | Signal (+) | B134 | 17 | 0 | 0.6 | - |
| Signal (-) | B134 | 16 | 0 | 0 | - | |
| Intake oil flow control solenoid valve RH | Signal (+) | B134 | 34 | 0 | 0.6 | - |
| Signal (-) | B134 | 27 | 0 | 0 | - | |
| Exhaust oil flow control solenoid valve LH | Signal (+) | B134 | 5 | 0 | 1.9 | - |
| Signal (-) | B134 | 14 | 0 | 0 | - | |
| Exhaust oil flow control solenoid valve RH | Signal (+) | B134 | 7 | 0 | 1.9 | - |
| Signal (-) | B134 | 15 | 0 | 0 | - | |
| Oil temperature sensor signal | B137 | 21 | 1.0 - 1.4 | 1.0 - 1.4 | After engine is warmed up. | |
| Oil level switch | B136 | 26 | 0 | 0 | Oil level Low: 10 - 14 | |
| Power steering oil pressure switch | B137 | 28 | ON: 1 or less OFF: 10 - 13 |
ON: 1 or less OFF: 12 - 14 |
- | |
| SSM communication | B135 | 14 | 1 or less ↔ 4 or more | 1 or less ↔ 4 or more | - | |
| Clutch switch | B135 | 9 | 10 - 13 | 12 - 14 | - | |
| Ground | Sensor | B134 | 29 | 0 | 0 | - |
| B135 | 30 | 0 | 0 | - | ||
| Engine 1 | B134 | 6 | 0 | 0 | - | |
| Engine 2 | B134 | 4 | 0 | 0 | - | |
| Engine 3 | B134 | 3 | 0 | 0 | - | |
| Engine 4 | B137 | 1 | 0 | 0 | - | |
| Engine 5 | B137 | 3 | 0 | 0 | - | |
| Engine 6 | B137 | 5 | 0 | 0 | - | |
| Body | B136 | 4 | 0 | 0 | - | |
| CAN communication | (Hi) | B136 | 17 | Pulse signal | - | |
| (Lo) | B136 | 28 | Pulse signal | - | ||
| Fuel tank pressure sensor | B136 | 21 | 2.3 - 2.7 | 2.3 - 2.7 | Value after detaching and attaching the fuel filler cap | |
| Drain valve | B135 | 4 | ON: 1 or less OFF: 10 - 13 |
ON: 1 or less OFF: 12 - 14 |
- | |
| Fuel temperature sensor | B136 | 23 | 2.5 - 3.8 | 2.5 - 3.8 | Ambient temperature: 25°C (77°F) | |
Input/output name:
- Crankshaft position sensor
- Intake camshaft position sensor RH
- Intake camshaft position sensor LH
- Exhaust camshaft position sensor RH
- Exhaust camshaft position sensor LH
Measuring condition:
- After warming-up
- At idling