LEMON Manuals: Even more car manuals for everyone
Home >> Subaru >> 2012 >> Outback R >> Repair and Diagnosis (Single Page) >> Engine Performance >> System >> Engine Diagnostics (H6DO) >> Diagnostic Procedure with Diagnostic Trouble Code (DTC) >> DTC P0134 O2 Sensor Circuit No Activity Detected (Bank 1 Sensor 1) >> Wiring Diagram

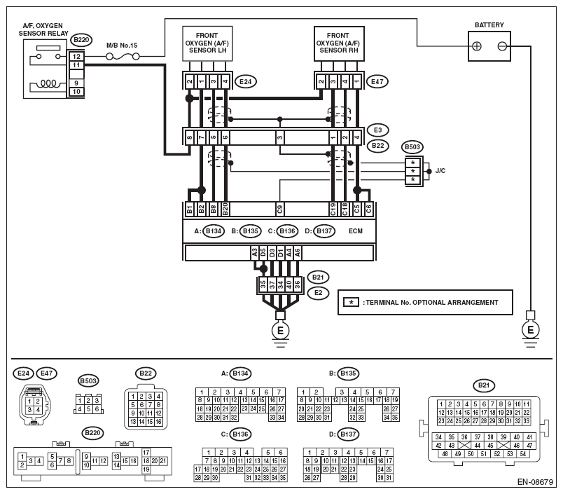
DTC P0134 O2 Sensor Circuit No Activity Detected (Bank 1 Sensor 1): Wiring Diagram

Fig 1: O2 Sensor Circuit No Activity Detected (Bank 1 Sensor 1) Wiring Diagram
G07910522Courtesy of SUBARU OF AMERICA, INC.
Step Check Yes No
1 CHECK HARNESS BETWEEN ECM AND FRONT OXYGEN (A/F) SENSOR CONNECTOR. 
  1. Turn the ignition switch to OFF.
  2. Disconnect the connectors from ECM and front oxygen (A/F) sensor connector.
  3. Measure the resistance of harness between ECM and front oxygen (A/F) sensor connector.

    Connector & terminal 

    (B136) No. 19 - (E47) No. 3: 

    (B136) No. 18 - (E47) No. 4: 

Is the resistance less than 1 Ω? Go to step . Repair the harness and connector.
NOTE: In this case, repair the following item:
  • Open circuit in harness between ECM and front oxygen (A/F) sensor connector
  • Poor contact of coupling connector
2 CHECK FOR POOR CONTACT. 
Check for poor contact of ECM and front oxygen (A/F) sensor connector.
Is there poor contact of ECM or front oxygen (A/F) sensor connector? Repair the poor contact of ECM or front oxygen (A/F) sensor connector. Replace the front oxygen (A/F) sensor. Refer to FRONT OXYGEN (A/F) SENSOR Front Oxygen (A/F) Sensor.