LEMON Manuals: Even more car manuals for everyone
Home >> Subaru >> 2012 >> Outback R >> Repair and Diagnosis (Single Page) >> Engine Performance >> System >> Diagnostic Trouble Code (DTC) Detecting Criteria (H6DO) >> Diagnostic Trouble Code (DTC) Detecting Criteria >> DTC P2101 Throttle Actuator Control Motor Circuit Range/Performance >> Component Description

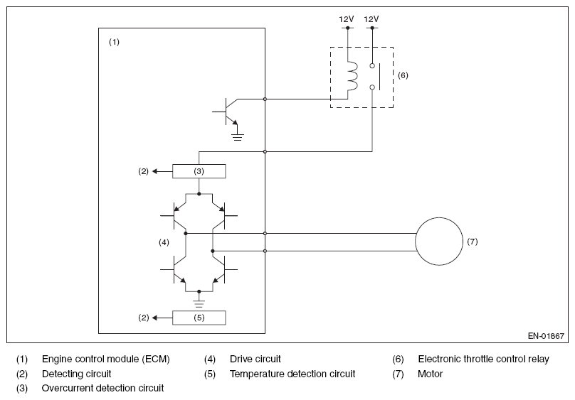
Component Description

Fig 1: Throttle Actuator Control Motor Circuit Diagram (Range/Performance)
G07913059Courtesy of SUBARU OF AMERICA, INC.