LEMON Manuals: Even more car manuals for everyone
Home >> Subaru >> 2012 >> Outback Base, Standard Trans >> Repair and Diagnosis >> External Pages >> Different variant/trim >> Section 7 (Continuously Variable Transmission) >> General Description >> Components With Torque Specifications >> Front Differential Gear

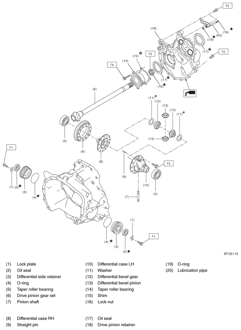
Front Differential Gear

WARNING: This page is about a different variant/trim than selected.
Fig 1: Exploded View Of Front Differential Gear
G07913237Courtesy of SUBARU OF AMERICA, INC.

Tightening torque: N.m (kgf-m, ft-lb) 

T1: 25 (2.5, 18.4) 

T2: 43 (4.4, 31.7) 

T3: Refer to ,  DIFFERENTIAL CASE ASSY  , ASSEMBLY, Front Differential Assembly. 

T4: 70 (7.1, 51.6) 

T5: 130 (13.3, 95.9)