LEMON Manuals: Even more car manuals for everyone
Home >> Subaru >> 2012 >> Outback Base, Standard Trans >> Repair and Diagnosis >> Engine Performance >> System >> Engine Diagnostics (H4SO) >> Diagnostic Procedure with Diagnostic Trouble Code (DTC) >> DTC P0851 Neutral Switch Input Circuit Low (Mt Model) >> Wiring Diagram

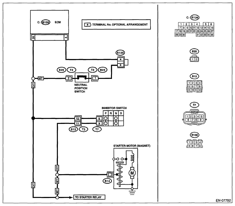
DTC P0851 Neutral Switch Input Circuit Low (Mt Model): Wiring Diagram

Fig 1: Neutral Switch Wiring Diagram (Low Circuit MT Model)
G06651048Courtesy of SUBARU OF AMERICA, INC.
Step Check Yes No
1 CHECK INPUT SIGNAL OF ECM. 
  1. Turn the ignition switch to ON.
  2. Place the shift lever in a position other than neutral.
  3. Measure the voltage between ECM and chassis ground.

    Connector & terminal 

    (B136) No. 35 (+) - Chassis ground (-): 

Is the voltage 10 V or more? Repair the poor contact of ECM connector. Go to step 2. 
2 CHECK HARNESS BETWEEN ECM AND NEUTRAL POSITION SWITCH CONNECTOR. 
  1. Turn the ignition switch to OFF.
  2. Disconnect the connectors from ECM and neutral position switch.
  3. Measure the resistance between ECM and chassis ground.

    Connector & terminal 

    (B136) No. 35 - Chassis ground: 

Is the resistance 1 MΩ or more? Replace the neutral position switch. Refer to SWITCHES AND HARNESS Switches and Harness. Repair the short circuit to ground harness between ECM and neutral position switch connector.