LEMON Manuals: Even more car manuals for everyone
Home >> Subaru >> 2012 >> Outback Base, Standard Trans >> Repair and Diagnosis >> Brakes >> Traction Control >> Abs - Mechanism & Function >> Anti-lock Brake System (ABS) >> Abs Control Module And Hydraulic Control Unit (ABSCM&H/U) >> During Normal Braking (Abs Not Active)

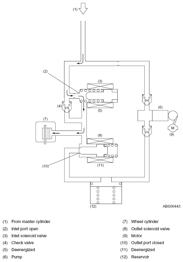
During Normal Braking (Abs Not Active)

Both the inlet and outlet solenoid valves are not energized.

This means that the inlet port of the inlet solenoid valve is open, whereas the outlet port of the outlet solenoid valve is closed. So the fluid pressure generated in the master cylinder is transmitted to the wheel cylinder, producing a brake force.

NOTE: For simplicity of explanation, operation of the hydraulic control unit is represented by operation of a single wheel circuit.
Fig 1: Hydraulic Control Unit Operation Diagram (During Normal Braking, ABS Not Active)
G08260362Courtesy of SUBARU OF AMERICA, INC.