LEMON Manuals: Even more car manuals for everyone
Home >> Subaru >> 2012 >> Outback Base, Standard Trans >> Repair and Diagnosis (Single Page) >> Engine Performance >> Testing & Diagnosis >> Diagnostic Trouble Code (DTC) Detecting Criteria (H4SO) >> Diagnostic Trouble Code (DTC) Detecting Criteria >> DTC P2102 Throttle Actuator Control Motor Circuit Low >> Component Description

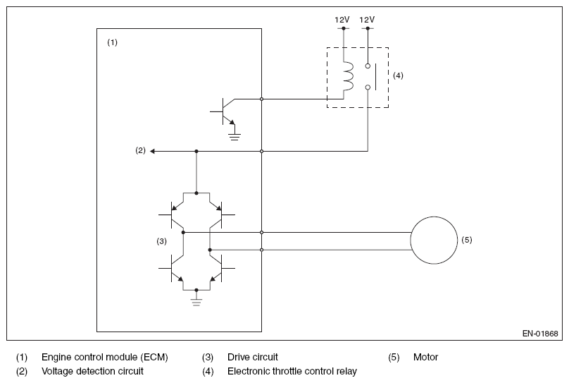
Component Description

Fig 1: Throttle Actuator Control Motor Circuit Diagram (Low)
G07911780Courtesy of SUBARU OF AMERICA, INC.