LEMON Manuals: Even more car manuals for everyone
Home >> Subaru >> 2012 >> Outback Base, Standard Trans >> Repair and Diagnosis (Single Page) >> Brakes >> Traction Control >> Abs - Mechanism & Function >> Anti-lock Brake System (ABS) >> Abs Control Module And Hydraulic Control Unit (ABSCM&H/U) >> Pressure "Increase" Control (Abs Active)

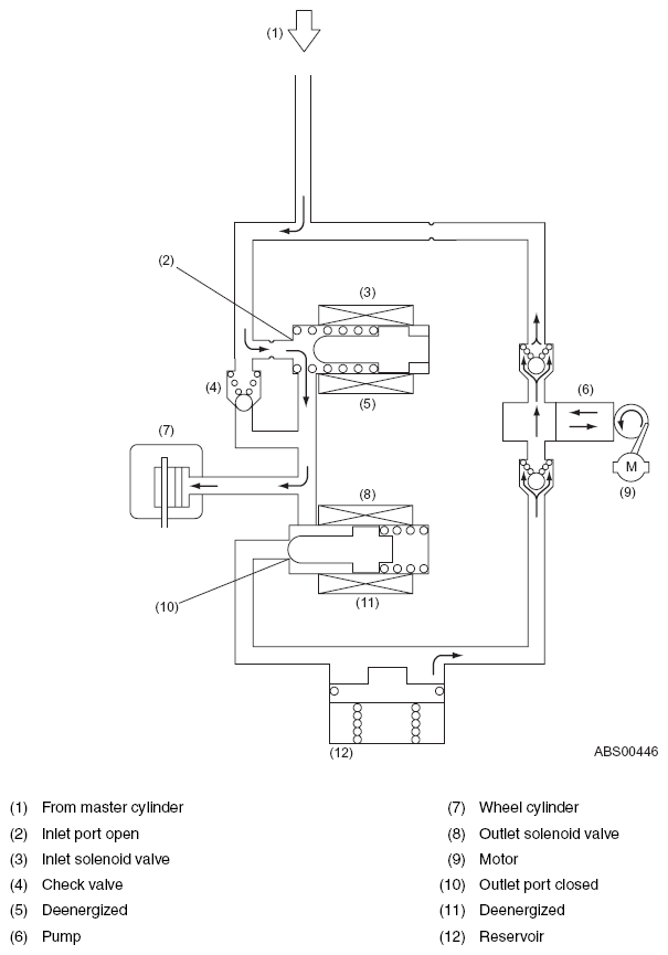
Pressure "Increase" Control (Abs Active)

Both the inlet and outlet solenoid valves are de-energized, which means that the inlet port of the inlet solenoid valve is open, whereas the outlet port of the outlet solenoid valve is closed. So the fluid pressure generated in the master cylinder is transmitted to the wheel cylinder and increased fluid pressure in the wheel cylinder applies the brake with a larger force.

During this phase of ABS operation, the pump motor continues operating.

NOTE: For simplicity of explanation, operation of the H/U is represented by operation of a single wheel circuit.
Fig 1: Hydraulic Control Unit Operation Diagram (Pressure Increase Control, ABS Active)
G08260365Courtesy of SUBARU OF AMERICA, INC.