LEMON Manuals: Even more car manuals for everyone
Home >> Subaru >> 2012 >> Outback Base, Standard Trans >> Repair and Diagnosis (Single Page) >> Brakes >> Traction Control >> Abs - Mechanism & Function >> Anti-lock Brake System (ABS) >> Abs Control Module And Hydraulic Control Unit (ABSCM&H/U) >> Pressure "Hold" Control (Abs Active)

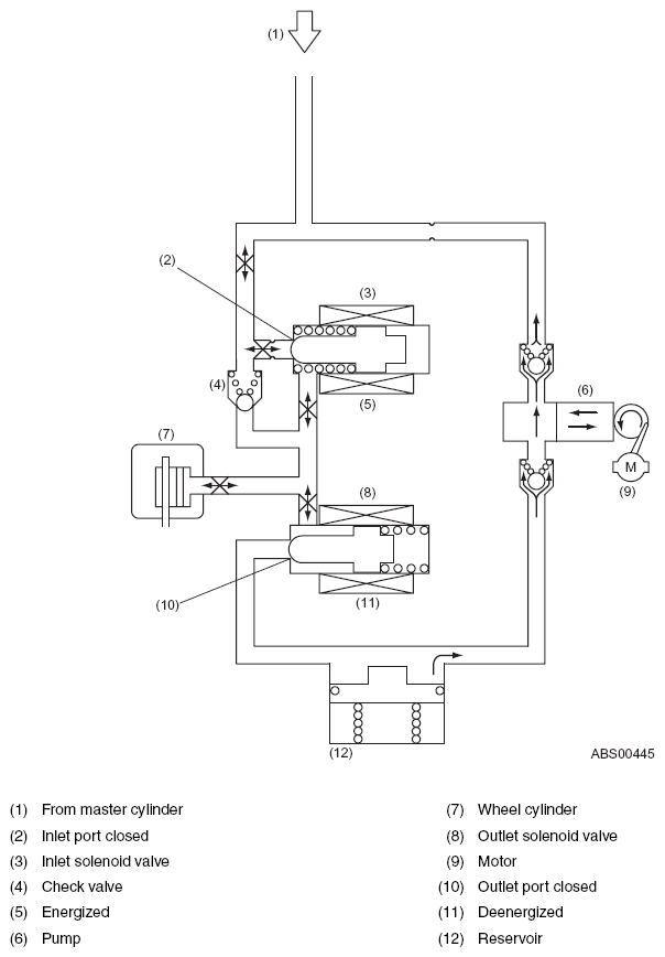
Pressure "Hold" Control (Abs Active)

The inlet solenoid valve is energized, so the inlet port is closed.

On the other hand, the outlet solenoid valve is de-energized, so the output port is also closed. In this state, all the passages connecting the wheel cylinder, master cylinder and reservoir are blocked. As a result, the fluid pressure in the wheel cylinder is held unchanged.

During this phase of ABS operation, the pump motor continues operating.

NOTE: For simplicity of explanation, operation of the H/U is represented by operation of a single wheel circuit.
Fig 1: Hydraulic Control Unit Operation Diagram (Pressure Hold Control, ABS Active)
G08260364Courtesy of SUBARU OF AMERICA, INC.