LEMON Manuals: Even more car manuals for everyone
Home >> Subaru >> 2012 >> Outback Base, Standard Trans >> Repair and Diagnosis (Single Page) >> Brakes >> Traction Control >> Abs - Mechanism & Function >> Anti-lock Brake System (ABS) >> Abs Control Module And Hydraulic Control Unit (ABSCM&H/U) >> Pressure "Decrease" Control (Abs Active)

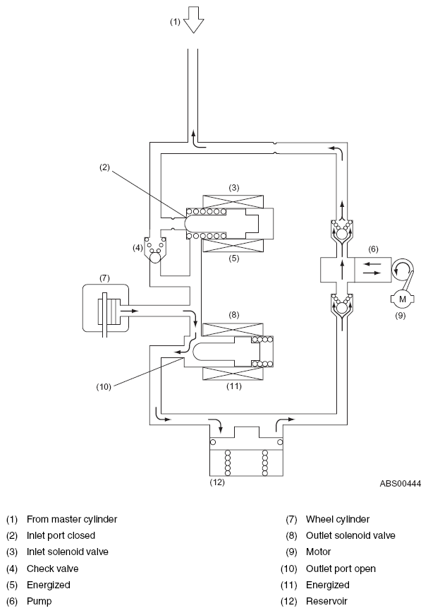
Pressure "Decrease" Control (Abs Active)

Both the inlet and outlet solenoid valves are energized, which means that the inlet port is closed and the outlet port is open.

In this state, the wheel cylinder is isolated from the master cylinder but open to the reservoir, so the brake fluid in it can be drained into the reservoir, decreasing its pressure and reducing the braking force of the wheel.

The brake fluid collected in the reservoir is forced into the master cylinder by the pump.

During this phase of ABS operation, the pump motor continues operating.

NOTE: For simplicity of explanation, operation of the H/U is represented by operation of a single wheel circuit.
Fig 1: Hydraulic Control Unit Operation Diagram (Pressure Decrease Control, ABS Active)
G08260363Courtesy of SUBARU OF AMERICA, INC.