LEMON Manuals: Even more car manuals for everyone
Home >> Subaru >> 2011 >> Outback Limited >> Repair and Diagnosis (Single Page) >> Engine Performance >> Testing & Diagnosis >> Engine Diagnostics (H4SO) >> Engine Control Module (ECM) I/O Signal >> Electrical Specification

Electrical Specification

Fig 1: Identifying Engine Control Module (ECM) I/O Signal Connector Terminals
G05334606Courtesy of SUBARU OF AMERICA, INC.
Description Connector No. Terminal No. Signal (V) Note
Ignition SW ON (engine OFF) Engine ON (idling)
Crankshaft position sensor Signal (+) B137 17 0 -7 - +7 Waveform
Signal (-) B137 25 0 0 -
Shield B137 31 0 0 -
Camshaft position sensor Signal (+) B137 24 0 -7 - +7 Waveform
Signal (-) B137 30 0 0 -
Shield B137 31 0 0 -
Electronic throttle control Main B134 18 Approx. 0.9 (After engine is warmed up.) Approx. 0.6 - 0.7 (After engine is warmed up.) Fully closed: Approx. 0.6
Fully open: Approx. 4.0
Sub B134 28 Approx. 1.7 (After engine is warmed up.) Approx. 1.5 - 1.6 (After engine is warmed up.) Fully closed: Approx. 1.5
Fully open: Approx. 4.2
Power supply B134 19 5 5 -
Ground (sensor) B134 29 0 0 -
Electronic throttle control motor (+) B134 2 Duty waveform Duty waveform Drive frequency: 500 Hz
Electronic throttle control motor (-) B134 1 Duty waveform Duty waveform Drive frequency: 500 Hz
Electronic throttle control motor power supply B135 7 10 - 13 12 - 14 -
Electronic throttle control motor relay B135 17 ON: 0
OFF: 10 - 13
ON: 0
OFF: 12 - 14
When ignition switch is turned to ON: ON
Accelerator pedal position sensor Main sensor signal B135 23 Fully closed: 1.0
Fully opened: 3.5
Fully closed: 1.0
Fully opened: 3.5
-
Main power supply B135 21 5 5 -
Ground (Main sensor) B135 29 0 0 -
Sub sensor signal B135 31 Fully closed: 1.0
Fully opened: 3.5
Fully closed: 1.0
Fully opened: 3.5
-
Sub power supply B135 22 5 5 -
Ground (Sub sensor) B135 30 0 0 -
Front oxygen (A/F) sensor Signal (+) B136 19 - 2.7 - 2.9 -
Signal (-) B136 18 - 2.35 - 2.25 -
Shield B136 9 0 0 -
Rear oxygen sensor Signal B136 20 0 0 - 0.9 -
Shield B136 9 0 0 -
Front oxygen (A/F) sensor heater Signal 1 B136 6 10 - 13 1 - 14 Duty waveform
Signal 2 B136 5 10 - 13 1 - 14 Duty waveform
Rear oxygen sensor heater signal B135 6 10 - 13 1 - 14 Duty waveform
Engine coolant temperature sensor B137 22 1.0 - 1.4 1.0 - 1.4 After engine is warmed up.
Starter switch B136 16 0 0 CVT model
Cranking: 8 - 14
MT model
Cranking with the clutch pedal pressed: 8 - 14
Starter relay control B135 26 ON: 0.5 or less
OFF: 10 - 13
ON: 0.5 or less
OFF: 12 - 14
-
Ignition switch B136 30 10 - 13 12 - 14 -
Neutral position switch B136 35 ON: 0
OFF: 12±0.5
CVT model: Switch is ON when select lever is in "P" range or "N" range.
MT model: Switch is ON when the shift lever is in neutral.
Delivery (test) mode switch B136 34 10 - 13 13 - 14 When fuse is installed: 0
Knock sensor Signal B137 2 2.5 2.5 -
Shield B137 8 0 0 -
Back-up power supply B136 2 10 - 13 12 - 14 Ignition switch "OFF": 10 - 13
Control module power supply B137 7 10 - 13 12 - 14 -
B136 1 10 - 13 12 - 14 -
Ignition control #1 B134 21 0 0 or 5 Waveform
#2 B134 22 0 0 or 5 Waveform
#3 B134 31 0 0 or 5 Waveform
#4 B134 32 0 0 or 5 Waveform
Fuel injector #1 B134 10 10 - 13 1 - 14 Waveform
#2 B134 11 10 - 13 1 - 14 Waveform
#3 B134 12 10 - 13 1 - 14 Waveform
#4 B134 13 10 - 13 1 - 14 Waveform
Fuel pump relay control B136 33 ON: 0.5 or less
OFF: 10 - 13
ON: 0.5 or less
OFF: 12 - 14
-
Radiator fan relay 1 control B135 11 ON: 0.5 or less
OFF: 10 - 13
ON: 0.5 or less
OFF: 12 - 14
-
Radiator fan relay 2 control B135 12 ON: 0.5 or less
OFF: 10 - 13
ON: 0.5 or less
OFF: 12 - 14
-
Self-shutoff control B135 13 0.5 or less 0.5 or less -
Malfunction indicator light B135 33 - - Light "ON": 1 or less
Light "OFF": 10 - 14
Engine speed output B135 15 - 0 - 13 or more Waveform
Oil temperature sensor signal B137 21 1.0 - 1.4 1.0 - 1.4 After engine is warmed up.
Purge control solenoid valve B137 6 ON: 1 or less
OFF: 10 - 13
ON: 1 or less
OFF: 12 - 14
Duty waveform
EGR valve Signal 1 B134 8 0 or 10 - 13 0 or 12 - 14 Waveform
Signal 2 B134 9 0 or 10 - 13 0 or 12 - 14 Waveform
Signal 3 B134 20 0 or 10 - 13 0 or 12 - 14 Waveform
Signal 4 B134 30 0 or 10 - 13 0 or 12 - 14 Waveform
Power steering oil pressure switch B137 28 ON: 1 or less
OFF: 10 - 13
ON: 1 or less
OFF: 12 - 14
-
Oil level switch B136 26 0 0 Oil level LOW: 10 - 14
Oil switching solenoid valve RH Signal (+) B134 7 0 Duty waveform Drive frequency: 300 Hz
Signal (-) B134 15 0 0 -
Oil switching solenoid valve LH Signal (+) B134 5 0 Duty waveform Drive frequency: 300 Hz
Signal (-) B134 14 0 0 -
Variable valve lift diagnosis oil pressure switch RH B137 14 0 0 -
Variable valve lift diagnosis oil pressure switch LH B137 13 0 0 -
Manifold absolute pressure sensor B137 20 3.4 - 3.8 1.4 - 1.8 -
Air flow sensor Signal B136 22 - 0.3 - 4.5 -
Shield B136 10 0 0 -
Ground B136 11 0 0 -
Intake air temperature sensor signal B136 31 0.3 - 4.6 0.3 - 4.6 -
Immobilizer communication B135 25 1 or less ↔ 4 or more 1 or less ↔ 4 or more -
SSM communication B135 14 1 or less ↔ 4 or more 1 or less ↔ 4 or more -
Sensor power supply B134 19 5 5 -
B135 22 5 5 -
Ground Sensor B134 29 0 0 -
B135 30 0 0 -
Engine 1 B134 6 0 0 -
Engine 2 B134 4 0 0 -
Engine 3 B134 3 0 0 -
Engine 4 B137 1 0 0 -
Engine 5 B137 3 0 0 -
Body B136 4 0 0 -
Clutch switch B135 9 When clutch pedal is depressed: 0
When clutch pedal is released: 10 - 13
When clutch pedal is depressed: 0
When clutch pedal is released: 12 - 14
-
Brake switch 1 (brake switch) B136 15 When brake pedal is depressed: 0
When brake pedal is released: 10 - 13
When brake pedal is depressed: 0
When brake pedal is released: 12 - 14
-
Brake switch 2 (stop light switch) B136 3 When brake pedal is depressed: 10 - 13
When brake pedal is released: 0
When brake pedal is depressed: 12 - 14
When brake pedal is released: 0
-
Cruise control main switch B136 13 ON: 0
OFF: 5
ON: 0
OFF: 5
-
Cruise control command switch B136 12 When operating nothing: 3.5 - 4.5
When operating RES/ACC: 2.5 - 3.5
When operating SET/COAST: 0.5 - 1.5
When operating CANCEL: 0 - 0.5
When operating nothing: 3.5 - 4.5
When operating RES/ACC: 2.5 - 3.5
When operating SET/COAST: 0.5 - 1.5
When operating CANCEL: 0 - 0.5
-
Fuel temperature sensor B136 23 2.5 - 3.8 2.5 - 3.8 Ambient temperature: 25°C (77°F)
Fuel tank pressure sensor B136 21 2.3 - 2.7 2.3 - 2.7 Value after removing fuel filler cap and installing again
Drain valve B135 4 ON: 1 or less
OFF: 10 - 13
ON: 1 or less
OFF: 12 - 14
-
CAN communication (Hi) B136 17 2.5 - 3.5 2.5 - 3.5 Waveform
(Lo) B136 28 1.5 - 2.5 1.5 - 2.5 Waveform

Input/output name: 

Measuring condition: 

Fig 3: Engine Control Module (ECM) I/O Signal Circuit Diagram (1 Of 4)
G07910154Courtesy of SUBARU OF AMERICA, INC.
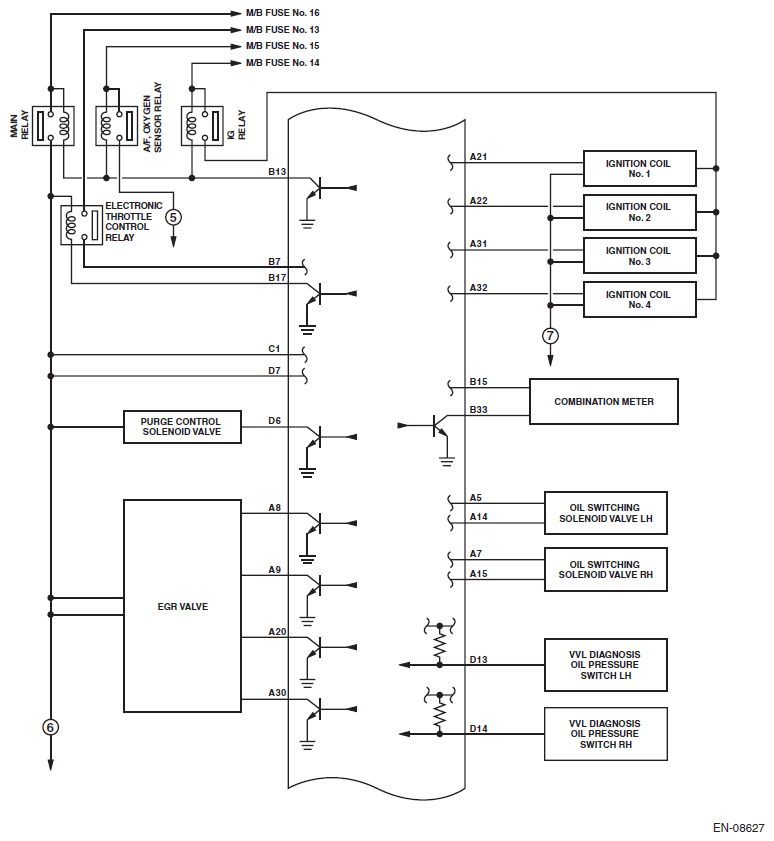
Fig 4: Engine Control Module (ECM) I/O Signal Circuit Diagram (2 Of 4)
G07910155Courtesy of SUBARU OF AMERICA, INC.
Fig 5: Engine Control Module (ECM) I/O Signal Circuit Diagram (3 Of 4)
G07910156Courtesy of SUBARU OF AMERICA, INC.
Fig 6: Engine Control Module (ECM) I/O Signal Circuit Diagram (4 Of 4)
G07910157Courtesy of SUBARU OF AMERICA, INC.