LEMON Manuals: Even more car manuals for everyone
Home >> Subaru >> 2011 >> Forester XT Premium >> Repair and Diagnosis >> Transmission >> Transmission Control Systems >> Transmission - Control Systems >> AT Shift Lock Control System >> Wiring Diagram

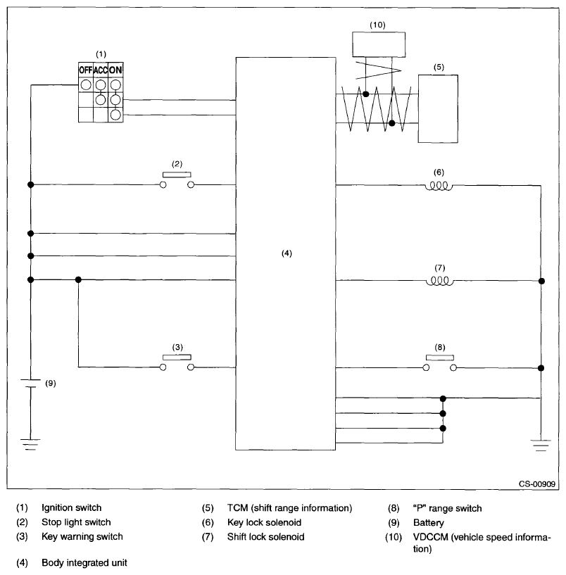
AT Shift Lock Control System: Wiring Diagram

Fig 1: AT Shift Lock Control System Wiring Diagram
G07679991Courtesy of SUBARU OF AMERICA, INC.