LEMON Manuals: Even more car manuals for everyone
Home >> Subaru >> 2011 >> Forester X, Automatic >> Repair and Diagnosis >> Transmission >> Transmission Control Systems >> Transmission - Control Systems >> AT Shift Lock Control System >> Inspection >> Body Integrated Unit Power Supply And Ground Circuit

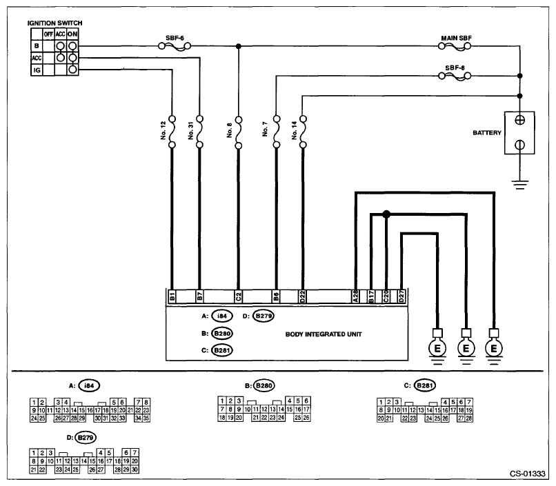
Body Integrated Unit Power Supply And Ground Circuit

Fig 1: Body Integrated Unit Power Supply And Ground Circuit Diagram
G07679992Courtesy of SUBARU OF AMERICA, INC.
DIAGNOSTIC PROCEDURE CHART

Step Check Yes No
1 CHECK DTC OF BODY INTEGRATED UNIT. 
Check DTC of body integrated unit. < Ref. to OPERATION article, Subaru Select Monitor. >
Is the DTC of power line displayed on body integrated unit? Repair or replace it according to the DTC. Go to step 2. 
2 CHECK HARNESS CONNECTOR BETWEEN BODY INTEGRATED UNIT AND CHASSIS GROUND. 
  1. Turn the ignition switch to ON.
  2. Measure the voltage between body integrated unit and chassis ground.

    Connector & terminal 

    (B280) No. 1 (+) - Chassis ground (-): 

    (B280) No. 6 (+) - Chassis ground (-): 

    (B280) No. 7 (+) - Chassis ground (-): 

    (B281) No. 2 (+) - Chassis ground (-): 

    (B279) No. 22 (+) - Chassis ground (-): 

Is the voltage 9 - 16 V? Go to step . Check harness for open circuit between the body integrated unit and the battery or a blown fuse.
3 CHECK HARNESS CONNECTOR BETWEEN BODY INTEGRATED UNIT AND CHASSIS GROUND. 
  1. Turn the ignition switch to OFF.
  2. Measure the harness resistance between the body integrated unit and chassis ground.

    Connector & terminal 

    (i84) No. 28 - Chassis ground: 

    (B279) No. 27 - Chassis ground: 

    (B280)No. 17 - Chassis ground: 

    (B281) No. 20 - Chassis ground: 

Is the resistance less than 1 Ω? Go to step . Repair the open circuit of harness between the body integrated unit and chassis ground.
4 CHECK FOR POOR CONTACT.  Is there poor contact of connector? Repair the poor contact. Check body integrated unit.