LEMON Manuals: Even more car manuals for everyone
Home >> Subaru >> 2009 >> Tribeca Base >> Repair and Diagnosis >> Transmission >> Transmission Control Systems >> A/T Control Systems >> AT Shift Lock Control System >> Inspection >> Select Lever Cannot Be Locked

Select Lever Cannot Be Locked

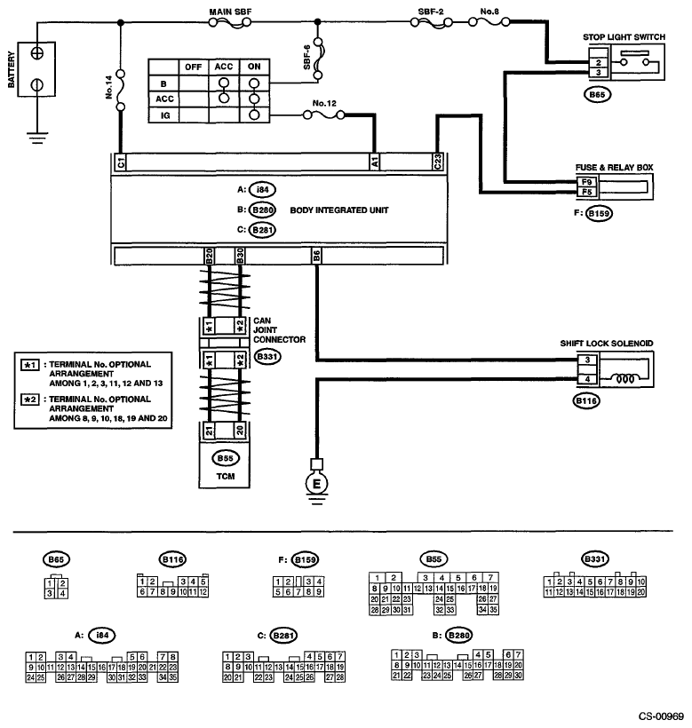
Fig 1: Select Lever Cannot Be Locked - Circuit Diagram
G06342728Courtesy of SUBARU OF AMERICA, INC.
DIAGNOSIS PROCEDURE CHART

Step Check Yes No
1 CHECK INPUT SIGNAL OF BODY INTEGRATED UNIT USING SUBARU SELECT MONITOR. 
  1. Turn the ignition switch to OFF.
  2. Connect the Subaru Select Monitor to the data link connector.
  3. Turn the ignition switch to ON and run the Subaru Select Monitor.
  4. Read the input signal of shift position from Subaru Select Monitor. Ref. to OPERATION , Subaru Select Monitor.
Is "7" displayed? Go to step . Check the TCM and body integrated unit.
2 CHECK INPUT SIGNAL OF BODY INTEGRATED UNIT USING SUBARU SELECT MONITOR. 
Read the input signal of stop light switch from Subaru Select Monitor. Ref. to OPERATION , Subaru Select Monitor.
Is "ON" displayed when the brake pedal is depressed and displayed "OFF when not depressed? Go to step . Go to step .
3 CHECK STOP LIGHT SWITCH. 
Depress the brake pedal.
Does the stop light illuminate? Go to step . Check the stop light system.
4 CHECK HARNESS BETWEEN STOP LIGHT SWITCH AND BODY INTEGRATED UNIT. 
  1. Depress the brake pedal.
  2. Measure the voltage between body integrated unit and chassis ground.

    Connector & terminal 

    (B281) No. 23 (+) - Chassis ground (-): 

Is the voltage 9 V or more? Go to step . Repair the open or short circuit of harness between the body integrated unit and stop light switch.
5 CHECK DTC OF BODY INTEGRATED UNIT. 
Check DTC of the body integrated unit. Ref. to OPERATION , Read Diagnostic Trouble Code (DTC).
Is DTC B0106 displayed? Repair or replace it according to the DTC. Go to step .
6 CHECK SHIFT LOCK SOLENOID. 
  1. Turn the ignition switch to OFF.
  2. Disconnect the connector of shift lock solenoid.
  3. Connect the battery to connector terminal of shift lock solenoid, and operate the solenoid.

    Terminals 

    No. 3 (+) - No. 4 (-): 

Is the shift lock solenoid operating properly? Go to step . Replace the shift lock solenoid.
7 CHECK OPERATION. 
  1. Connect all connectors.
  2. Turn the ignition switch to ON. (engine OFF)
  3. Shift the select lever to the "P" range.
  4. Depress the brake pedal.
  5. Shift the select lever from "P" range to "R" range.
Can the select lever shift from "P" range to "R" range? Go to step . Check the body integrated unit.
8 CHECK OPERATION. 
  1. Shift the select lever to "N" range.
  2. Depress the brake pedal.
  3. Shift the select lever from "N" range to "R" range.
Can the select lever shift from "N" range to "R" range? Go to step . Check the body integrated unit.
9 CHECK OPERATION. 
  1. Turn the ignition switch to ACC.
  2. Depress the brake pedal.
  3. Turn the ignition switch to OFF.
  4. Shift the select lever from "N" range to "R" range.
Can the select lever shift from "N" range to "R" range for certain amount of time after turning the ignition switch to OFF? A temporary poor contact of connector or harness may be the cause. Check the body integrated unit.