LEMON Manuals: Even more car manuals for everyone
Home >> Subaru >> 2009 >> Tribeca Base >> Repair and Diagnosis >> Transmission >> Transmission Control Systems >> A/T Control Systems >> AT Shift Lock Control System >> Inspection >> Body Integrated Unit Power Supply And Ground Circuit

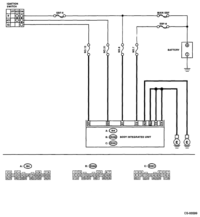
Body Integrated Unit Power Supply And Ground Circuit

Fig 1: Body Integrated Unit Power Supply - Circuit Diagram
G05031892Courtesy of SUBARU OF AMERICA, INC.
DIAGNOSIS PROCEDURE CHART

Step Check Yes No
1 CHECK DTC OF BODY INTEGRATED UNIT. 
Check DTC of the body integrated unit. Ref. to OPERATION , Read Diagnostic Trouble Code (DTC).
Is the DTC of power line displayed on body integrated unit? Repair or replace it according to the DTC. Go to step .
2 CHECK HARNESS CONNECTOR BETWEEN BODY INTEGRATED UNIT AND CHASSIS GROUND. 
  1. Turn the ignition switch to OFF.
  2. Measure the harness resistance between the body integrated unit and chassis ground.

    Connector & terminal 

    (i84) No. 21 - Chassis ground: 

    (B280) No. 22 - Chassis ground: 

    (B281) No. 8 - Chassis ground: 

    (B281) No. 9 - Chassis ground: 

Is the resistance less than 1 Ω? Go to step . Repair the open circuit of harness between the body integrated unit and chassis ground.
3 CHECK POOR CONTACT.  Is there poor contact in the connector? Repair the poor contact. Check the body integrated unit.