LEMON Manuals: Even more car manuals for everyone
Home >> Subaru >> 2009 >> Tribeca Base >> Repair and Diagnosis (Single Page) >> Engine Performance >> Testing & Diagnosis >> Engine Controls - Engine (Diagnostics) (H6DO) >> Diagnostic Procedure with Diagnostic Trouble Code (DTC) >> DTC P1602 Control Module Programming Error >> Wiring Diagram

DTC P1602 Control Module Programming Error: Wiring Diagram

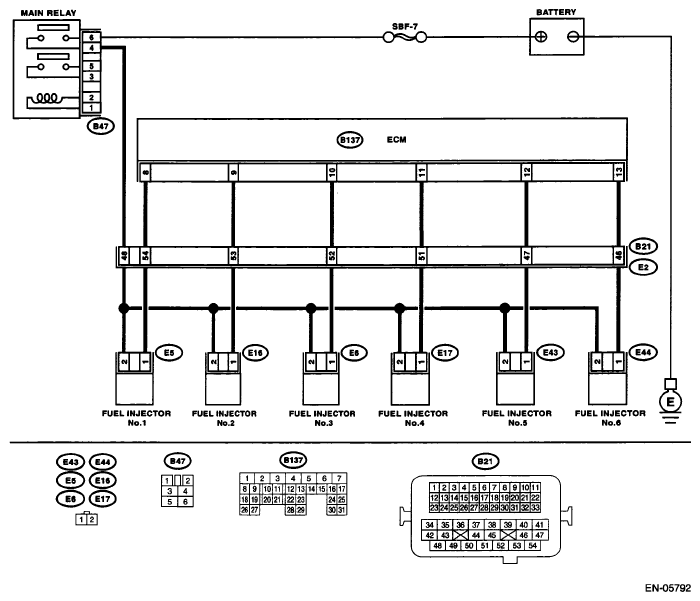
Fig 1: Fuel Injector - Wiring Diagram
G05664058Courtesy of SUBARU OF AMERICA, INC.
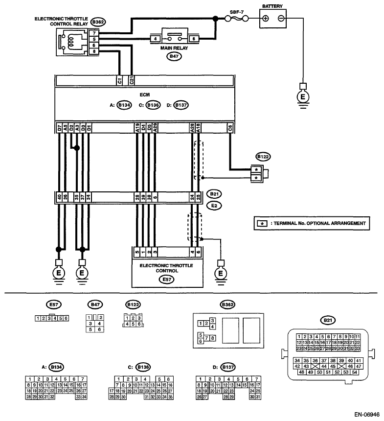
Fig 2: Electronic Throttle Control - Wiring Diagram
G06342529Courtesy of SUBARU OF AMERICA, INC.
DIAGNOSTIC PROCEDURE

Step Check Yes No
1 CHECK FOR ANY OTHER DTC ON DISPLAY.  Is any other DTC displayed? Check the appropriate DTC using the "List of Diagnostic Trouble Code (DTC)". Ref. to LIST OF DIAGNOSTIC TROUBLE CODE (DTC) . Go to step 2. 
2 CHECK ENGINE OIL.  Is there a proper amount of engine oil? Go to step 3.  Replace engine oil. Ref. to REPLACEMENT , Engine Oil.
3 CHECK EXHAUST SYSTEM.  Are there holes or loose bolts on exhaust system? Repair the exhaust system. Go to step 4. 
4 CHECK AIR INTAKE SYSTEM.  Are there holes, loose bolts or disconnection of hose on air intake system? Repair the air intake system. Go to step 5. 
5 CHECK FUEL PRESSURE. 
WARNING: Place "NO OPEN FLAMES" signs near the working area.
CAUTION: Be careful not to spill fuel.

Measure the fuel pressure. Ref. to INSPECTION , Fuel Pressure.
CAUTION: Release fuel pressure before removing the fuel pressure gauge.
Is the measured value 338 - 348 kPa (3.4 - 3.5 kgf/cm2 , 49 - 50.5 psi)? Go to step 6.  Repair the following item.
Fuel pressure is too high:
  • Clogged fuel line or bent hose Fuel pressure is too low:
  • Improper fuel pump discharge
  • Clogged fuel line
6 CHECK ENGINE COOLANT TEMPERATURE SENSOR. 
  1. Start the engine and warm up completely.
  2. Read the data of engine coolant temperature sensor signal using Subaru Select Monitor or general scan tool.
    NOTE:
    • Subaru Select Monitor

      For detailed operation procedure, refer to "READ CURRENT DATA FOR ENGINE". Ref. to SUBARU SELECT MONITOR .

    • General scan tool

      For detailed operation procedures, refer to the general scan tool operation service information.

Is the engine coolant temperature 75°C (167°F) or higher? Go to step 7.  Replace the engine coolant temperature sensor. Ref. to ENGINE COOLANT TEMPERATURE SENSOR .
7 CHECK MASS AIR FLOW AND INTAKE AIR TEMPERATURE SENSOR. 
  1. Start the engine and warm up engine until coolant temperature is higher than 75°C (167°F).
  2. Place the select lever in "P" range or "N" range.
  3. Turn the A/C switch to OFF.
  4. Turn all the accessory switches to OFF.
  5. Read the data of the mass air flow and intake air temperature sensor signal using Subaru Select Monitor or general scan tool.
    NOTE:
    • Subaru Select Monitor

      For detailed operation procedure, refer to "READ CURRENT DATA FOR ENGINE". Ref. to SUBARU SELECT MONITOR .

    • General scan tool

      For detailed operation procedures, refer to the general scan tool operation service information.

Is the measured value 2.0 - 5.0 g/s (0.26 - 0.66 lb/m)? Go to step 8.  Replace the mass air flow and intake air temperature sensor. Ref. to MASS AIR FLOW AND INTAKE AIR TEMPERATURE SENSOR .
8 CHECK MASS AIR FLOW AND INTAKE AIR TEMPERATURE SENSOR. 
  1. Start the engine and warm up engine until coolant temperature is higher than 75°C (167°F).
  2. Place the select lever in "P" range or "N" range.
  3. Turn the A/C switch to OFF.
  4. Turn all the accessory switches to OFF.
  5. Open the front hood.
  6. Measure the ambient temperature.
  7. Read the data of the mass air flow and intake air temperature sensor signal using Subaru Select Monitor or general scan tool.
    NOTE:
    • Subaru Select Monitor

      For detailed operation procedure, refer to "READ CURRENT DATA FOR ENGINE". Ref. to SUBARU SELECT MONITOR .

    • General scan tool

      For detailed operation procedures, refer to the general scan tool operation service information.

Subtract ambient temperature from intake air temperature. Is the obtained value -10 - 50°C (-18 - 90°F)? Go to step 9.  Check the mass air flow and intake air temperature sensor. Ref. to MASS AIR FLOW AND INTAKE AIR TEMPERATURE SENSOR .
9 CHECK OUTPUT SIGNAL OF ECM. 
  1. Turn the ignition switch to ON.
  2. Measure the voltage between ECM and chassis ground on faulty cylinders.

    Connector & terminal 

    #1 (B137) No. 8 (+) - Chassis ground (-): 

    #2 (B137) No. 9 (+) - Chassis ground (-): 

    #3 (B137) No. 10 (+) - Chassis ground (-): 

    #4 (B137) No. 11 (+) - Chassis ground (-): 

    #5 (B137) No. 12 (+) - Chassis ground (-): 

    #6 (B137) No. 13 (+) - Chassis ground (-): 

Is the voltage 10 V or more? Go to step 14.  Go to step 10. 
10 CHECK HARNESS BETWEEN ECM AND FUEL INJECTOR. 
  1. Turn the ignition switch to OFF.
  2. Disconnect the connector from fuel injector on faulty cylinders.
  3. Measure the resistance between fuel injector connector and engine ground on faulty cylinders.

    Connector & terminal 

    #1 (E5) No. 1 - Engine ground: 

    #2 (E16) No. 1 - Engine ground: 

    #3 (E6) No. 1 - Engine ground: 

    #4 (E17) No. 1 - Engine ground: 

    #5 (E43) No. 1 - Engine ground: 

    #6 (E44) No. 1 - Engine ground: 

Is the resistance 1 MΩ or more? Go to step 11.  Repair the ground short circuit of harness between ECM and fuel injector.
11 CHECK HARNESS BETWEEN ECM AND FUEL INJECTOR. 
Measure the resistance of harness between ECM and fuel injector on faulty cylinders.
Connector & terminal 
#1 (B137) No. 8 - (E5) No. 1: 
#2 (B137) No. 9 - (E16) No. 1: 
#3 (B137) No. 10 - (E6) No. 1: 
#4 (B137) No. 11 - (E17) No. 1: 
#5 (B137) No. 12 - (E43) No. 1: 
#6 (B137) No. 13 - (E44) No. 1: 
Is the resistance less than 1 Ω? Go to step 12.  Repair the harness and connector.
NOTE: In this case, repair the following item:
  • Open circuit of harness between ECM and fuel injector connector
  • Poor contact of coupling connector
12 CHECK FUEL INJECTOR. 
Measure the resistance between fuel injector terminals on faulty cylinder.
Terminals 
No. 1 - No. 2: 
Is the resistance between 5 - 20 Ω? Go to step 13.  Replace the faulty fuel injector. Ref. to FUEL INJECTOR .
13 CHECK POWER SUPPLY LINE. 
  1. Turn the ignition switch to ON.
  2. Measure the voltage between fuel injector and engine ground on faulty cylinders.

    Connector & terminal 

    #1 (E5) No. 2 (+) - Engine ground (-): 

    #2 (E16) No. 2 (+) - Engine ground (-): 

    #3 (E6) No. 2 (+) - Engine ground (-): 

    #4 (E17) No. 2 (+) - Engine ground (-): 

    #5 (E43) No. 2 (+) - Engine ground (-): 

    #6 (E44) No. 2 (+) - Engine ground (-): 

Is the voltage 10 V or more? Repair the poor contact of all connectors in fuel injector circuit. Repair the harness and connector.
NOTE: In this case, repair the following item:
  • Open circuit in harness between the main relay and fuel injector on faulty cylinders
  • Poor contact of coupling connector
  • Poor contact of main relay connector
14 CHECK HARNESS BETWEEN ECM AND FUEL INJECTOR. 
  1. Turn the ignition switch to OFF.
  2. Disconnect the connector from fuel injector on faulty cylinders.
  3. Turn the ignition switch to ON.
  4. Measure the voltage between ECM and chassis ground on faulty cylinders.

    Connector & terminal 

    #1 (B137) No. 8 (+) - Chassis ground (-): 

    #2 (B137) No. 9 (+) - Chassis ground (-): 

    #3 (B137) No. 10 (+) - Chassis ground (-): 

    #4 (B137) No. 11 (+) - Chassis ground (-): 

    #5 (B137) No. 12 (+) - Chassis ground (-): 

    #6 (B137) No. 13 (+) - Chassis ground (-): 

Is the voltage 10 V or more? Repair the short circuit to power in the harness between the ECM and fuel injector. Go to step 15. 
15 CHECK FUEL INJECTOR. 
  1. Turn the ignition switch to OFF.
  2. Measure the resistance between fuel injector terminals on faulty cylinder.

    Terminals 

    No. 1 - No. 2: 

Is the resistance less than 1 Ω? Replace the faulty fuel injector. Ref. to FUEL INJECTOR . Go to step 16. 
16 CHECK INSTALLATION OF CAMSHAFT POSITION SENSOR/CRANKSHAFT POSITION SENSOR.  Is the camshaft position sensor or crankshaft position sensor loosely installed? Tighten the camshaft position sensor or crankshaft position sensor. Go to step 17. 
17 CHECK CRANK PLATE.  Is the crank sprocket rusted or the teeth of crank plate broken? Replace the crank plate. Ref. to CYLINDER BLOCK . Go to step 18. 
18 CHECK INSTALLATION CONDITION OF TIMING CHAIN. 
Turn the crankshaft using ST, and align the alignment mark on crank sprocket with alignment mark on cylinder block.
ST 18252AA000 CRANKSHAFT SOCKET
Is the timing chain dislocated from its proper position? Correct the installation condition of timing chain. Ref. to TIMING CHAIN ASSEMBLY . Go to step 19. 
19 CHECK ELECTRONIC THROTTLE CONTROL RELAY. 
  1. Turn the ignition switch to OFF.
  2. Remove the electronic throttle control relay.
  3. Connect the battery to terminals No. 5 and No. 6 of electronic throttle control relay.
  4. Measure the resistance between electronic throttle control relay terminals.

    Terminals 

    No. 7 - No. 8: 

Is the resistance less than 1 Ω? Go to step 20.  Replace the electronic throttle control relay.
20 CHECK POWER SUPPLY OF ELECTRONIC THROTTLE CONTROL RELAY. 
Measure the voltage between electronic throttle control relay connector and chassis ground.
Connector & terminal 
(B362) No. 7 (+) - Chassis ground (-): 
Is the voltage 10 V or more? Go to step 21.  Repair the open or ground short circuit of power supply circuit.
21 CHECK HARNESS BETWEEN ECM AND ELECTRONIC THROTTLE CONTROL RELAY. 
  1. Disconnect connectors from the ECM.
  2. Turn the ignition switch to ON.
  3. Measure the voltage between electronic throttle control relay connector and chassis ground.

    Connector & terminal 

    (B362) No. 6 (+) - Chassis ground (-): 

Is the voltage 10 V or more? Repair the short circuit to power in harness between ECM and electronic throttle control relay. Go to step 22. 
22 CHECK HARNESS BETWEEN ECM AND ELECTRONIC THROTTLE CONTROL RELAY. 
  1. Turn the ignition switch to OFF.
  2. Measure the resistance between electronic throttle control relay connector and chassis ground.

    Connector & terminal 

    (B362) No. 6 - Chassis ground: 

    (B362) No. 8 - Chassis ground: 

Is the resistance 1 MΩ or more? Go to step 23.  Repair the ground short circuit of harness between ECM and electronic throttle control relay.
23 CHECK HARNESS BETWEEN ECM AND ELECTRONIC THROTTLE CONTROL RELAY. 
Measure the resistance between ECM and electronic throttle control relay connector.
Connector & terminal 
(B136) No. 21 - (B362) No. 6: 
(B136) No. 1 - (B362) No. 8: 
Is the resistance less than 1 Ω? Go to step 24.  Repair the open circuit of harness between ECM and electronic throttle control relay.
24 CHECK HARNESS BETWEEN ECM AND ELECTRONIC THROTTLE CONTROL. 
  1. Turn the ignition switch to OFF.
  2. Disconnect the connectors from ECM and electronic throttle control.
  3. Measure the resistance between ECM and chassis ground.

    Connector & terminal 

    (B134) No. 19 - Chassis ground: 

    (B134) No. 18 - Chassis ground: 

    (B134) No. 18 - (B136) No. 6: 

    (B134) No. 28 - Chassis ground: 

Is the resistance 1 MΩ or more? Go to step 25.  Repair the short circuit to ground in harness between ECM and electronic throttle control connector.
25 CHECK SHORT CIRCUIT INSIDE THE ECM. 
  1. Connect the ECM.
  2. Measure the resistance between electronic throttle control connector and engine ground.

    Connector & terminal 

    (E57) No. 6 - Engine ground: 

    (E57) No. 4 - Engine ground: 

Is the resistance 1 MΩ or more? Go to step 26.  Repair the short circuit to ground in harness between ECM and electronic throttle control connector. Replace the ECM if defective. Ref. to ENGINE CONTROL MODULE (ECM) .
26 CHECK HARNESS BETWEEN ECM AND ELECTRONIC THROTTLE CONTROL. 
  1. Disconnect connectors from the ECM.
  2. Measure the resistance of harness between ECM and electronic throttle control connector.

    Connector & terminal 

    (B134) No. 18 - (E57) No. 6: 

    (B134) No. 28 - (E57) No. 4: 

    (B134) No. 29 - (E57) No. 3: 

Is the resistance less than 1 Ω? Go to step 27.  Repair the harness and connector.
NOTE: In this case, repair the following item:
  • Open circuit in harness between ECM and electronic throttle control connector
  • Poor contact of coupling connector
27 CHECK HARNESS BETWEEN ECM AND ELECTRONIC THROTTLE CONTROL. 
  1. Connect the ECM.
  2. Measure the resistance between electronic throttle control connector and engine ground.

    Connector & terminal 

    (E57) No. 3 - Engine ground: 

Is the resistance less than 5 Ω? Go to step 28.  Repair the harness and connector.
NOTE: In this case, repair the following item:
  • Open circuit of harness between ECM and engine ground
  • Poor contact in ECM connector
  • Poor contact of coupling connector
28 CHECK HARNESS BETWEEN ECM AND ELECTRONIC THROTTLE CONTROL. 
  1. Turn the ignition switch to ON.
  2. Measure the voltage between electronic throttle control connector and engine ground.

    Connector & terminal 

    (E57) No. 6 (+) - Engine ground (-): 

    (E57) No. 4 (+) - Engine ground (-): 

Is the voltage 4.85 V or more? Repair the short circuit to power in the harness between ECM and electronic throttle control connector. Go to step 29. 
29 CHECK HARNESS BETWEEN ECM AND ELECTRONIC THROTTLE CONTROL. 
  1. Turn the ignition switch to OFF.
  2. Disconnect connectors from the ECM.
  3. Measure the resistance between ECM connectors.

    Connector & terminal 

    (B134) No. 19 - (B134) No. 18: 

    (B134) No. 19 - (B134) No. 28: 

Is the resistance 1 MΩ. or more? Go to step 30.  Repair the short circuit to power in the harness between ECM and electronic throttle control connector.
30 CHECK SENSOR OUTPUT. 
  1. Connect all connectors.
  2. Turn the ignition switch to ON.
  3. Read the data of main throttle sensor signal using Subaru Select Monitor.
    NOTE: For detailed operation procedure, refer to "READ CURRENT DATA FOR ENGINE". Ref. to SUBARU SELECT MONITOR .
Is the voltage 0.81 - 0.87 V? Go to step 31.  Repair poor contact of the electronic throttle control connector. Replace the electronic throttle control if defective. Ref. to THROTTLE BODY .
31 CHECK SENSOR OUTPUT. 
Read the data of sub throttle sensor signal using Subaru Select Monitor.
NOTE: Subaru Select Monitor For detailed operation procedure, refer to "READ CURRENT DATA FOR ENGINE". Ref. to SUBARU SELECT MONITOR .
Is the voltage 1.64 - 1.70 V? Go to step 32.  Repair poor contact of the electronic throttle control connector. Replace the electronic throttle control if defective. Ref. to THROTTLE BODY .
32 CHECK HARNESS BETWEEN ECM AND ELECTRONIC THROTTLE CONTROL MOTOR. 
  1. Turn the ignition switch to OFF.
  2. Disconnect the connectors from ECM and electronic throttle control.
  3. Measure the resistance between ECM and electronic throttle control connector.

    Connector & terminal 

    (B137) No. 5 - (E57) No. 2: 

    (B137) No. 4 - (E57) No. 1: 

Is the resistance less than 1 CI? Go to step 33.  Repair the harness and connector.
NOTE: In this case, repair the following item:
  • Open circuit in harness between ECM and electronic throttle control
  • Poor contact of coupling connector
33 CHECK HARNESS BETWEEN ECM AND ELECTRONIC THROTTLE CONTROL MOTOR. 
  1. Connect the ECM.
  2. Turn the ignition switch to ON.
  3. Measure the voltage between electronic throttle control connector and engine ground.

    Connector & terminal 

    (E57) No. 2 (+) - Engine ground (-): 

    (E57) No. 1 (+) - Engine ground (-): 

Is the voltage 5 V or more? Repair the short circuit to power in the harness between ECM and electronic throttle control. Go to step 34. 
34 CHECK HARNESS BETWEEN ECM AND ELECTRONIC THROTTLE CONTROL MOTOR. 
  1. Turn the ignition switch to OFF.
  2. Disconnect connectors from the ECM.
  3. Measure the resistance between electronic throttle control connector and engine ground.

    Connector & terminal 

    (E57) No. 2 - Engine ground: 

    (E57) No. 1 - Engine ground: 

Is the resistance 1 MCI or more? Go to step 35.  Repair the short circuit to ground in harness between ECM and electronic throttle control.
35 CHECK ELECTRONIC THROTTLE CONTROL MOTOR HARNESS. 
Measure the resistance between the electronic throttle control connector terminals.
Connector & terminal 
(E57) No. 2 - (E57) No. 1: 
Is the resistance 1 MΩ or more? Go to step 36.  Repair the short circuit of harness between ECM and electronic throttle control.
36 CHECK ELECTRONIC THROTTLE CONTROL GROUND CIRCUIT. 
Measure the resistance between ECM and chassis ground.
Connector & terminal 
(B134) No. 3 - Chassis ground: 
(B134) No. 5 - Chassis ground: 
(B137) No. 1 - Chassis ground: 
(B137) No. 2 - Chassis ground: 
(B137) No. 3 - Chassis ground: 
(B137) No. 7 - Chassis ground: 
Is the resistance less than 5 Ω? Go to step 37.  Repair the open circuit in harness between ECM and engine ground.
37 CHECK ELECTRONIC THROTTLE CONTROL. 
Measure the resistance between electronic throttle control terminals.
Terminals 
No. 2 - No. 1: 
Is the resistance 50 Ω or less? Go to step 38.  Replace the electronic throttle control. Ref. to THROTTLE BODY .
38 CHECK ELECTRONIC THROTTLE CONTROL. 
Move the throttle valve to the fully open and fully closed positions with fingers. Check that the valve returns to the specified position when releasing fingers.
Does the valve return to the specified position? Standard value: 3 mm (0.12 in) from fully closed position Repair the poor contact of ECM connector. Replace the electronic throttle control. Ref. to THROTTLE BODY .