LEMON Manuals: Even more car manuals for everyone
Home >> Subaru >> 2009 >> Tribeca Base >> Repair and Diagnosis (Single Page) >> Engine Performance >> Testing & Diagnosis >> Diagnostic Trouble Code (DTC) Detecting Criteria (H6DO) >> Diagnostic Trouble Code (DTC) Detecting Criteria >> DTC P2101 Throttle Actuator Control Motor Circuit Range/Performance >> Component Description

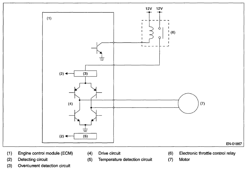
Component Description

Fig 1: Throttle Actuator Control Motor Circuit Diagram
G06342710Courtesy of SUBARU OF AMERICA, INC.