LEMON Manuals: Even more car manuals for everyone
Home >> Subaru >> 2009 >> Tribeca Base >> Repair and Diagnosis (Single Page) >> Engine Performance >> Testing & Diagnosis >> Diagnostic Trouble Code (DTC) Detecting Criteria (H6DO) >> Diagnostic Trouble Code (DTC) Detecting Criteria >> DTC P0607 Throttle Control System Circuit Range/Performance >> Component Description

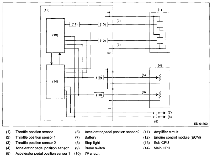
Component Description

Fig 1: Throttle Control - Circuit Diagram
G06342698Courtesy of SUBARU OF AMERICA, INC.