LEMON Manuals: Even more car manuals for everyone
Home >> Subaru >> 2009 >> Tribeca Base >> Repair and Diagnosis (Single Page) >> Engine Performance >> System >> Engine Controls - Engine (Diagnostics) (H6DO) >> Diagnostic Procedure with Diagnostic Trouble Code (DTC) >> DTC P0160 O2 Sensor Circuit No Activity Detected (Bank 2 Sensor 2) >> Wiring Diagram

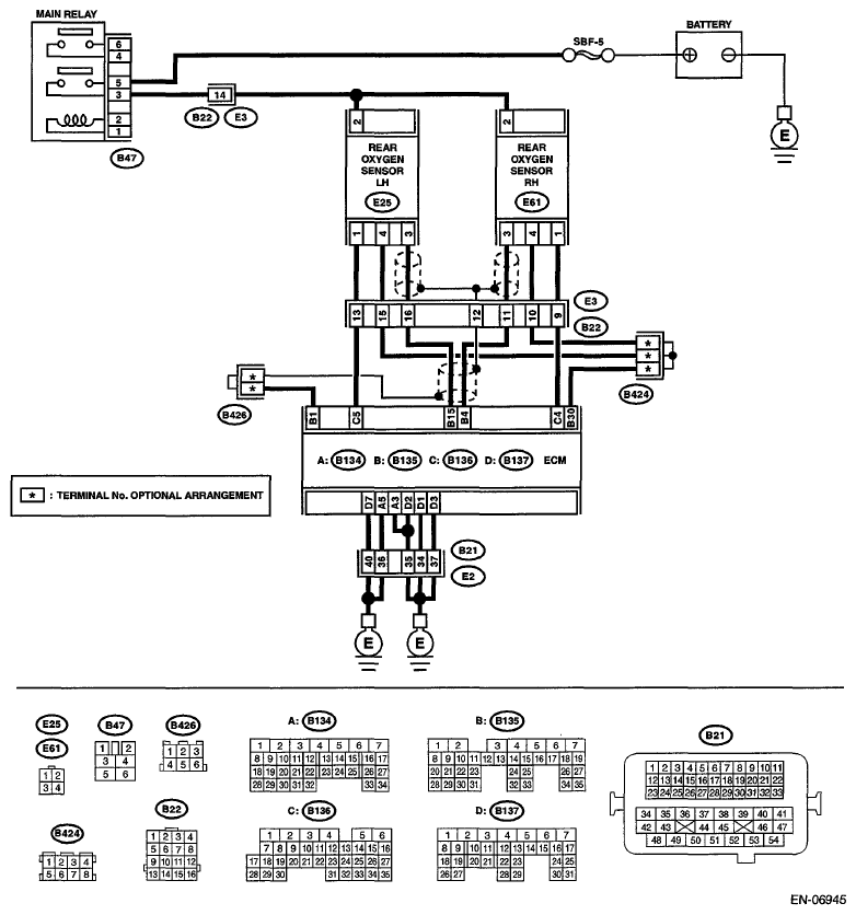
DTC P0160 O2 Sensor Circuit No Activity Detected (Bank 2 Sensor 2): Wiring Diagram

Fig 1: HO2S Heater Control Circuit - Wiring Diagram
G06342511Courtesy of SUBARU OF AMERICA, INC.
DIAGNOSTIC PROCEDURE

Step Check Yes No
1 CHECK REAR OXYGEN SENSOR DATA. 
  1. Warm up the engine until engine coolant temperature is above 75°C (167°F), and keep the engine speed at 3,000 rpm. (for up to 2 minutes)
  2. Read the data of rear oxygen sensor signal using Subaru Select Monitor or general scan tool.
    NOTE:
    • Subaru Select Monitor

      For detailed operation procedure, refer to "READ CURRENT DATA FOR ENGINE". Ref. to SUBARU SELECT MONITOR .

    • General scan tool

      For detailed operation procedures, refer to the general scan tool operation service information.

Is the voltage 490 mV or more? Go to step 6.  Go to step 2. 
2 CHECK REAR OXYGEN SENSOR DATA. 
  1. Warm up the engine until engine coolant temperature is above 75°C (167°F), and rapidly reduce the engine speed from 3,000 rpm.
  2. Read the data of rear oxygen sensor signal using Subaru Select Monitor or general scan tool.
    NOTE:
    • Subaru Select Monitor

      For detailed operation procedure, refer to "READ CURRENT DATA FOR ENGINE". Ref. to SUBARU SELECT MONITOR .

    • General scan tool

      For detailed operation procedures, refer to the general scan tool operation service information.

Is the voltage 250 mV or less? Go to step 6.  Go to step 3. 
3 CHECK REAR OXYGEN SENSOR CONNECTOR AND COUPLING CONNECTOR.  Has water entered the connector? Completely remove any water inside. Go to step 4. 
4 CHECK HARNESS BETWEEN ECM AND REAR OXYGEN SENSOR CONNECTOR. 
  1. Turn the ignition switch to OFF.
  2. Disconnect the connector from ECM and rear oxygen sensor.
  3. Measure the resistance of harness between ECM and rear oxygen sensor connector.

    Connector & terminal 

    (B135) No. 15 - (E25) No. 3: 

    (B135) No. 30 - (E25) No. 4: 

Is the resistance less than 1 Ω? Go to step 5.  Repair the harness and connector.
NOTE: In this case, repair the following item:
  • Open circuit in harness between ECM and rear oxygen sensor connector
  • Poor contact of coupling connector
5 CHECK HARNESS BETWEEN ECM AND REAR OXYGEN SENSOR. 
  1. Turn the ignition switch to OFF.
  2. Disconnect the connector from rear oxygen sensor.
  3. Turn the ignition switch to ON.
  4. Measure the voltage between rear oxygen sensor connector and chassis ground.

    Connector & terminal 

    (E25) No. 3 (+) - Chassis ground (-): 

Is the voltage 0.2 - 0.5 V? Replace the rear oxygen sensor. Ref. to REAR OXYGEN SENSOR . Repair the harness and connector.
NOTE: In this case, repair the following item:
  • Open circuit of harness between the ECM and rear oxygen sensor
  • Poor contact of the rear oxygen sensor connector
  • Poor contact in ECM connector
6 CHECK EXHAUST SYSTEM. 
Check exhaust system parts.
NOTE: Check the following items.
  • Looseness and improper attachment of exhaust system parts
  • Damage (crack, hole etc.) of parts
  • Looseness and improper attachment of parts between front oxygen (A/F) sensor and rear oxygen sensor
Is there any fault in exhaust system? Repair or replace faulty parts. Replace the rear oxygen sensor. Ref. to REAR OXYGEN SENSOR .