LEMON Manuals: Even more car manuals for everyone
Home >> Subaru >> 2009 >> Tribeca Base >> Repair and Diagnosis (Single Page) >> Brakes >> Traction Control >> Vehicle Dynamics Control (VDC) (Diagnostics) >> Control Module I/O Signal >> Wiring Diagram

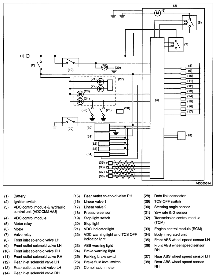
Control Module I/O Signal: Wiring Diagram

Fig 1: Control Module I/O Signal - Wiring Diagram
G06343552Courtesy of SUBARU OF AMERICA, INC.