LEMON Manuals: Even more car manuals for everyone
Home >> Subaru >> 2009 >> Outback Limited >> Repair and Diagnosis (Single Page) >> Engine Performance >> System >> Diagnostic Trouble Code (DTC) Detecting Criteria (H4SO) >> Diagnostic Trouble Code (DTC) Detecting Criteria >> DTC P2103 Throttle Actuator Control Motor Circuit High >> Component Description

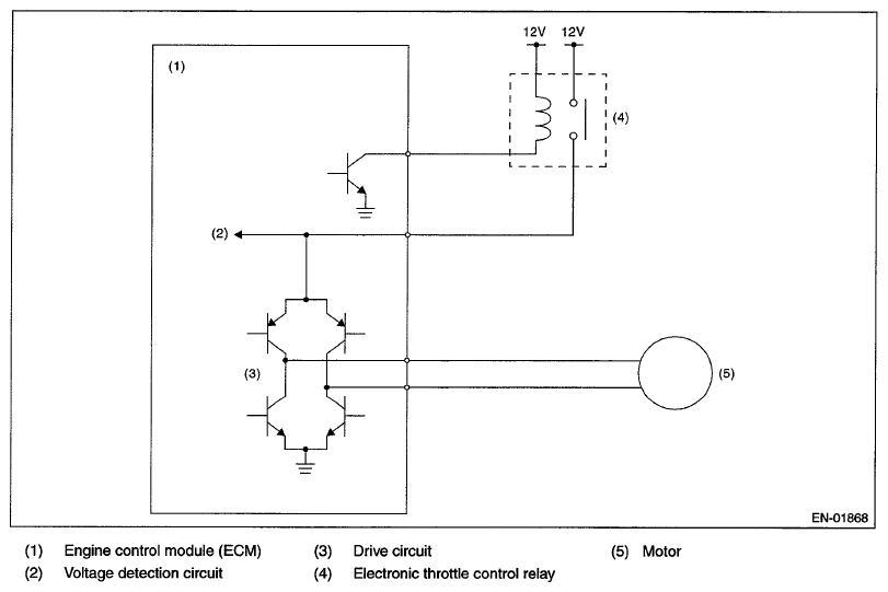
Component Description

Fig 1: Throttle Actuator Control Motor Circuit Diagram
G06334968Courtesy of SUBARU OF AMERICA, INC.