LEMON Manuals: Even more car manuals for everyone
Home >> Subaru >> 2008 >> Tribeca Base >> Repair and Diagnosis (Single Page) >> Engine Performance >> Testing & Diagnosis >> Engine Controls - Engine (Diagnostics) (H6DO) >> Diagnostic Procedure with Diagnostic Trouble Code (DTC) >> DTC P0604 Internal Control Module Random Access Memory (Ram) Error >> Wiring Diagram

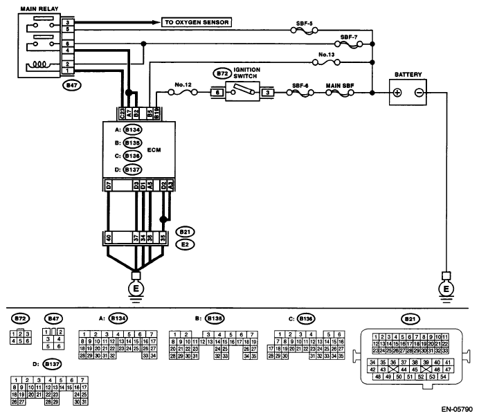
DTC P0604 Internal Control Module Random Access Memory (Ram) Error: Wiring Diagram

Fig 1: Identifying DTC P0604 Internal Control Module Random Access Memory (RAM) Error Wiring Diagram
G05664055Courtesy of SUBARU OF AMERICA, INC.
DIAGNOSTIC PROCEDURE FOR SYMPTOM

Step Check Yes No
1 CHECK FOR ANY OTHER DTC ON DISPLAY.  Is any other DTC displayed? Check the appropriate DTC using the "List of Diagnostic Trouble Code (DTC)". <Ref. to LIST OF DIAGNOSTIC TROUBLE CODE (DTC) .> Even if the malfunction indicator light illuminates, the circuit has returned to a normal condition at this time. Reproduce the fault condition, and reperform the check.
NOTE: In this case, there may be a temporary connector contact failure.