LEMON Manuals: Even more car manuals for everyone
Home >> Subaru >> 2008 >> Tribeca Base >> Repair and Diagnosis (Single Page) >> Engine Performance >> System >> Diagnostic Trouble Code (DTC) Detecting Criteria (H6DO) >> Diagnostic Trouble Code (DTC) Detecting Criteria >> DTC P2101 Throttle Actuator Control Motor Circuit Range/Performance >> Component Description

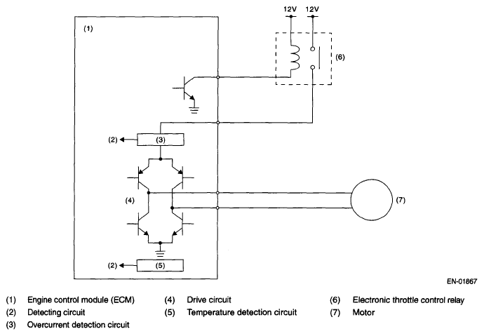
Component Description

Fig 1: Identifying Throttle Actuator Control Motor Circuit Diagram For Range/Performance
G05664258Courtesy of SUBARU OF AMERICA, INC.