LEMON Manuals: Even more car manuals for everyone
Home >> Subaru >> 2008 >> Outback Base, Standard >> Repair and Diagnosis >> Transmission >> Transmission Control Systems >> A/T & M/T Control Systems >> AT Shift Lock Control System >> Inspection >> Key Interlock Cannot Be Locked Or Released

Key Interlock Cannot Be Locked Or Released

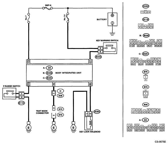
Fig 1: Key Interlock - Wiring Diagram
G05341794Courtesy of SUBARU OF AMERICA, INC.
KEY INTERLOCK OPERATION CHART

Step Check Yes No
1 CHECK INPUT SIGNAL OF BODY INTEGRATED UNIT USING SUBARU SELECT MONITOR. 
  1. Turn the ignition switch to OFF.
  2. Connect the Subaru Select Monitor to the data link connector.
  3. Run the Subaru Select Monitor.
  4. Read the input signal of the key warning switch from the Subaru Select Monitor. < Ref. to OPERATION , Subaru Select Monitor . >
Is "ON" displayed when the key is inserted and displayed "OFF when removed? Go to step 7.  Go to step 2. 
2 CHECK HARNESS BETWEEN BATTERY AND KEY WARNING SWITCH. 
  1. Disconnect the connector of key warning switch.
  2. Measure the voltage of harness between key warning switch and chassis ground.

    Connector & terminal 

    (B350) No. 3 (+) - Chassis ground (-): 

Is the voltage 9 - 16 V? Go to step 3.  Repair the open or short circuit of harness between battery and key warning switch.
3 CHECK HARNESS BETWEEN KEY WARNING SWITCH AND BODY INTEGRATED UNIT. 
Measure the resistance between key warning switch and body integrated unit.
Connector & terminal 
(B281) No. 7 - (B350) No. 4: 
Is the resistance less than 1 Ω? Go to step 4.  Repair the open circuit of harness between key warning switch connector and body integrated unit.
4 CHECK HARNESS BETWEEN KEY WARNING SWITCH AND BODY INTEGRATED UNIT. 
Measure the resistance of harness between key warning switch and chassis ground.
Connector & terminal 
(B281) No. 7 - Chassis ground: 
Is the resistance 1 MΩ or more? Go to step 5.  Repair the short circuit of harness between key warning switch and chassis ground.
5 CHECK KEY WARNING SWITCH. 
Measure the resistance between connector terminals of key warning switch.
Terminals 
No. 3 - No. 4: 
Is the resistance 1 MΩ or more? Replace the key warning switch. Go to step 6. 
6 CHECK KEY WARNING SWITCH. 
  1. Remove the key.
  2. Measure the resistance between connector terminals of key warning switch.

    Terminals 

    No. 3 - No. 4: 

Is the resistance 1 MΩ or more? Replace the body integrated unit. Replace the key warning switch.
7 CHECK IGNITION POWER.  Is the voltage 9 V or more? Go to step 8.  Check the ignition switch harness.
8 CHECK DTC OF BODY INTEGRATED UNIT. 
  1. Shift the select lever to "N" range.
  2. Check DTC indicated by body integrated unit using Subaru Select Monitor.
Is B1105 current malfunction? Repair or replace it according to the DTC. Go to step 9. 
9 CHECK INPUT SIGNAL OF BODY INTEGRATED UNIT USING SUBARU SELECT MONITOR. 
Read the input signal of "P" range switch from the Subaru Select Monitor. < Ref. to OPERATION , Subaru Select Monitor . >
Is "ON" displayed in the "P" range and displayed "OFF except in the "P" range? Go to step 14.  Go to step 10. 
10 CHECK HARNESS BETWEEN BODY INTEGRATED UNIT AND "P" RANGE SWITCH. 
  1. Disconnect the connector of the "P" range switch.
  2. Measure the resistance of harness between the body integrated unit and the "P" range switch.

    Connector & terminal 

    (B116) No. 1 - (B281) No. 13: 

Is the resistance 1 MΩ or more? Repair the open circuit of harness between the body integrated unit and the "P" range switch. Go to step 11. 
11 CHECK HARNESS BETWEEN "P" RANGE SWITCH AND CHASSIS GROUND. 
Measure the resistance of harness between "P" range switch and chassis ground.
Connector & terminal 
(B116) No. 2 - Chassis ground: 
Is the resistance 1 MΩ or more? Repair the open circuit of harness between "P" range switch and chassis ground. Go to step 12. 
12 CHECK "P" RANGE SWITCH. 
  1. Shift the select lever to the "P" range.
  2. Measure the resistance between "P" range switch connector terminals.

    Terminals 

    No.2 - No.1: 

Is the resistance less than 1 Ω? Go to step 13.  Replace the "P" range switch.
13 CHECK "P" RANGE SWITCH. 
  1. Shift the select lever to other than "P" range.
  2. Measure the resistance between "F' range switch connector terminals.

    Terminals 

    No.2 - No.1: 

Is the resistance 1 MΩ or more? Replace the body integrated unit. Replace the "P" range switch.
14 CHECK TEST MODE CONNECTOR. 
  1. Check that the test mode connector is disconnected.
  2. Measure the resistance between the body integrated unit and chassis ground.

    Connector & terminal 

    (i84) No. 3 - Chassis ground: 

Is the resistance 1 MΩ or more? Go to step 15.  Repair the short circuit of the harness between the body integrated unit and test mode connector.
15 CHECK HARNESS BETWEEN KEY LOCK SOLENOID AND BODY INTEGRATED UNIT. 
Measure the resistance between key lock solenoid and body integrated unit.
Terminals 
(B280) No. 5 - (B350) No. 2: 
Is the resistance less than 1 Ω? Go to step 16.  Repair the open circuit of harness between key lock solenoid connector and body integrated unit.
16 CHECK HARNESS BETWEEN KEY LOCK SOLENOID AND CHASSIS GROUND. 
Measure the resistance of harness between key lock solenoid and chassis ground.
Terminals 
(B280) No. 5 - Chassis ground: 
Is the resistance 1 MΩ or more? Go to step 17.  Repair short circuit of harness between key lock solenoid and chassis ground.
17 CHECK KEY LOCK SOLENOID. 
  1. Disconnect the connector from the key lock solenoid.
  2. Measure the resistance of key lock solenoid connector terminals.

    Terminals 

    No.2 - No.1: 

Is the resistance between 12.5 - 14.5 Ω? Go to step 18.  Replace the key lock solenoid.
18 CHECK KEY LOCK SOLENOID. 
  1. Connect all connectors.
  2. Operate the key lock solenoid.
Does the key lock solenoid operate normally? Go to step 19.  Replace the key lock solenoid.
19 CHECK INPUT SIGNAL OF BODY INTEGRATED UNIT USING SUBARU SELECT MONITOR. 
  1. Turn the ignition switch to OFF.
  2. Read the output signal of key interlock from the Subaru Select Monitor. < Ref. to OPERATION , Subaru Select Monitor . >
Is "OFF displayed in the "P" range and displayed "ON" except in the "P" range? Go to step 20.  Replace the body integrated unit.
20 CHECK HARNESS BETWEEN BATTERY AND BODY INTEGRATED UNIT. 
  1. Disconnect the connector of body integrated unit.
  2. Measure the voltage between body integrated unit and chassis ground.

    Connector & terminal 

    (B281) No. 1 (+) - Chassis ground (-): 

Is the voltage 9 V or more? Replace the body integrated unit. Check the harness for open between the body integrated unit and battery or the fuse (No. 14).