LEMON Manuals: Even more car manuals for everyone
Home >> Subaru >> 2008 >> Outback Base, Standard >> Repair and Diagnosis (Single Page) >> Engine Performance >> Testing & Diagnosis >> Diagnostic Trouble Code (DTC) Detecting Criteria (H4SO) >> Diagnostic Trouble Code (DTC) Detecting Criteria >> DTC P2101 Throttle Actuator Control Motor Circuit Range/Performance >> Component Description

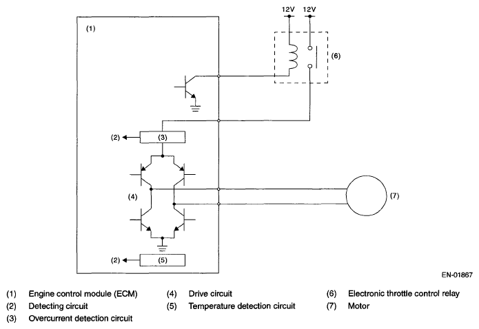
Component Description

Fig 1: Diagnosis Outline For Throttle Actuator Control Motor Circuit Range/Performance
G05340042Courtesy of SUBARU OF AMERICA, INC.