LEMON Manuals: Even more car manuals for everyone
Home >> Subaru >> 2008 >> Outback Base, Automatic >> Repair and Diagnosis >> Transmission >> Transmission Control Systems >> A/T & M/T Control Systems >> AT Shift Lock Control System >> Inspection >> Select Lever Cannot Be Locked

Select Lever Cannot Be Locked

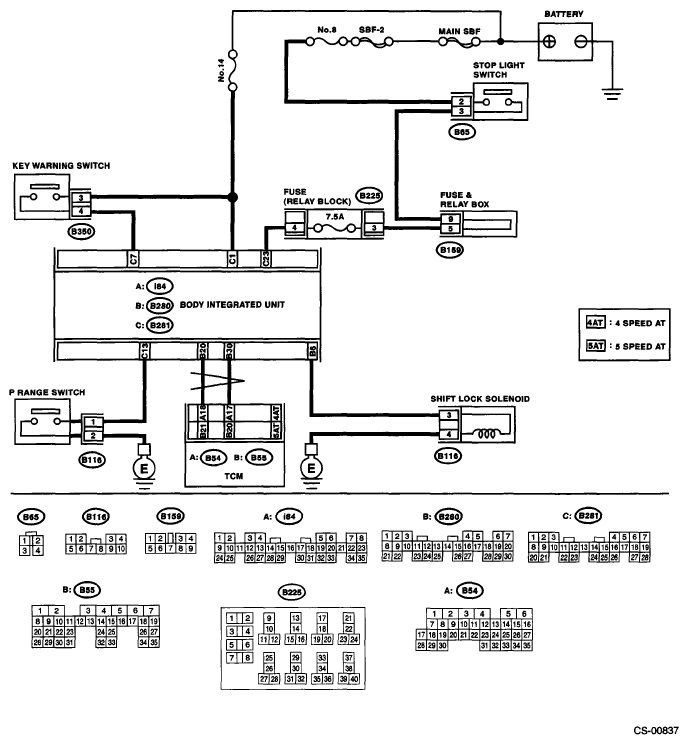
Fig 1: Select Lever - Wiring Diagram
G05666103Courtesy of SUBARU OF AMERICA, INC.
SELECT LEVER OPERATION CHART

Step Check Yes No
1 CHECK IGNITION POWER.  Is the voltage 9 V or more? Go to step 2.  Check the ignition switch harness.
2 CHECK DTC OF BODY INTEGRATED UNIT. 
  1. Turn the ignition switch to ON.
  2. Read the DTC of body integrated unit using Subaru Select Monitor.
Is B1106 current malfunction? Repair or replace it according to the DTC. Go to step 3. 
3 CHECK INPUT SIGNAL OF BODY INTEGRATED UNIT USING SUBARU SELECT MONITOR. 
Read the input signal of shift position from Subaru Select Monitor. < Ref. to OPERATION , Subaru Select Monitor . >
Is T displayed in the "P" range and displayed other than "7" except in the "P" range? Inspect the inhibitor switch and TCM. Go to step 4. 
4 CHECK INPUT SIGNAL OF BODY INTEGRATED UNIT USING SUBARU SELECT MONITOR. 
Read the input signal of "P" range switch from the Subaru Select Monitor. < Ref. to OPERATION , Subaru Select Monitor . >
Is "ON" displayed in the "P" range and displayed "OFF" except in the "P" range? Go to step 9.  Go to step 5. 
5 CHECK HARNESS BETWEEN BODY INTEGRATED UNIT AND "P" RANGE SWITCH. 
  1. Disconnect the connector of the "P" range switch.
  2. Measure the resistance of harness between the body integrated unit and the "P" range switch.

    Connector & terminal 

    (B116) No. 1 - (B281) No. 13: 

Is the resistance 1 MΩ or more? Repair the open circuit of harness between the body integrated unit and the "P" range switch. Go to step 6. 
6 CHECK HARNESS BETWEEN "P" RANGE SWITCH AND CHASSIS GROUND. 
Measure the resistance of harness between "P" range switch and chassis ground.
Connector & terminal 
(B116) No. 2 - Chassis ground: 
Is the resistance 1 MΩ or more? Repair the open circuit of harness between "P" range switch and chassis ground. Go to step 7. 
7 CHECK "P" RANGE SWITCH. 
  1. Shift the select lever to the "P" range.
  2. Measure the resistance between "P" range switch connector terminals.

    Terminals 

    No. 2 - No. 1: 

Is the resistance less than 1 Ω? Go to step 8.  Replace the "P" range switch.
8 CHECK "P" RANGE SWITCH. 
  1. Shift the select lever to other than "P" range.
  2. Measure the resistance between "P" range switch connector terminals.

    Terminals 

    No.2 - No.1: 

Is the resistance 1 MΩ or more? Replace the body integrated unit. Replace the "P" range switch.
9 CHECK INPUT SIGNAL OF BODY INTEGRATED UNIT USING SUBARU SELECT MONITOR. 
Read the input signal of stop light switch from Subaru Select Monitor. < Ref. to OPERATION , Subaru Select Monitor . >
Is "ON" displayed when the brake pedal is depressed and displayed "OFF" when not depressed? Go to step 11.  Go to step 10. 
10 CHECK STOP LIGHT SWITCH INPUT SIGNAL. 
  1. Turn the ignition switch to OFF.
  2. Disconnect the connector from body integrated unit.
  3. Measure the voltage between the body integrated unit connector terminal and chassis ground.

    Connector & terminal 

    (B281) No. 23 (+) - Chassis ground (-): 

Is the voltage 9 V or more when the brake pedal is depressed, and approx. 0 V when not depressed? Replace the body integrated unit. Check the stop light system.
11 CHECK SHIFT LOCK SOLENOID. 
  1. Disconnect the connector from the shift lock solenoid.
  2. Measure the resistance of shift lock solenoid terminals.

    Terminals 

    No. 3 - No. 4: 

Is the resistance between 19.5 - 25.5 Ω? Go to step 12.  Replace the shift lock solenoid.
12 CHECK SHIFT LOCK SOLENOID. 
Connect the battery to the shift lock solenoid connector terminal, and then operate the solenoid.
Terminals 
No.3 (+) - No.4 (-): 
Does the shift lock solenoid operate normally? Go to step 13.  Replace the shift lock solenoid unit.
13 CHECK INPUT SIGNAL OF BODY INTEGRATED UNIT USING SUBARU SELECT MONITOR. 
  1. Shift the select lever to the "P" range.
  2. Depress the brake pedal.
  3. Read the input signal of shift lock solenoid from Subaru Select Monitor. < Ref. to OPERATION , Subaru Select Monitor . >
Is "ON" displayed? Go to step 14.  Replace the body integrated unit.
14 CHECK HARNESS BETWEEN BATTERY AND BODY INTEGRATED UNIT. 
  1. Disconnect the connector of body integrated unit.
  2. Measure the voltage between body integrated unit and chassis ground.

    Connector & terminal 

    (B281) No. 1 (+) - Chassis ground (-): 

Is the voltage 9 V or more? Replace the body integrated unit. Check the harness for open between the body integrated unit and battery or the fuse (No. 14).