LEMON Manuals: Even more car manuals for everyone
Home >> Subaru >> 2008 >> Forester XT, Standard >> Repair and Diagnosis >> Transmission >> Transmission Control Systems >> A/T & M/T Control Systems >> AT Shift Lock Control System >> Inspection >> Key Interlock Does Not Lock Or Release >> Wiring Diagram

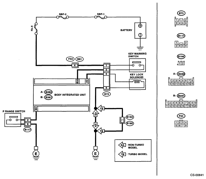
Key Interlock Does Not Lock Or Release: Wiring Diagram

Fig 1: Key Interlock - Wiring Diagram
G05657424
CONTROL SYSTEM CHART

Step Check Yes No
1 CHECK HARNESS BETWEEN BATTERY AND KEY WARNING SWITCH. 
  1. Disconnect the connector of key warning switch.
  2. Measure the voltage of harness between key warning switch and chassis ground.

    Connector & terminal 

    (B73) No. 1 (+) - Chassis ground (-): 

Is the voltage 9 - 16 V? Go to step . Repair the open or short circuit of harness between battery and key warning switch.
2 CHECK KEY WARNING SWITCH. 
Measure the resistance between connector terminals of key warning switch.
Terminals 
No. 1 - No. 2: 
Is the resistance 1 MΩ or more? Replace the key warning switch. Go to step .
3 CHECK KEY WARNING SWITCH. 
  1. Remove the key.
  2. Measure the resistance between connector terminals of key warning switch.

    Terminals 

    No. 1 - No.2: 

Is the resistance 1 MΩ. or more? Go to step . Replace the key warning switch.
4 CHECK HARNESS BETWEEN AT SHIFT LOCK CONTROL MODULE AND KEY WARNING SWITCH. 
  1. Disconnect the body integrated unit connector.
  2. Measure the voltage between body integrated unit and chassis ground.

    Connector & terminal 

    (B281) No. 20 (+) - Chassis ground (-): 

Is the voltage 9 V or more? Go to step . Repair the open circuit of harness between body integrated unit and key warning switch.
5 CHECK HARNESS BETWEEN BODY INTEGRATED UNIT AND KEY LOCK SOLENOID. 
  1. Disconnect the connector key lock solenoid.
  2. Measure the harness resistance between body integrated unit and the key lock solenoid.

    Connector & terminal 

    (B73) No. 5 - (B280) No. 3: 

Is the resistance 1 MΩ or more? Repair the open circuit of harness between body integrated unit and key lock solenoid. Go to step .
6 CHECK HARNESS BETWEEN BODY INTEGRATED UNIT AND KEY LOCK SOLENOID. 
Measure the harness resistance between the body integrated unit and chassis ground.
Connector & terminal 
(B280) No. 3 - Chassis ground: 
Is the resistance 1 Ω, or more? Go to step . Repair the short of the harness between body integrated unit and key lock solenoid.
7 CHECK HARNESS BETWEEN KEY LOCK SOLENOID AND CHASSIS GROUND. 
Measure the resistance of harness between key lock solenoid and chassis ground.
Connector & terminal 
(B73) No. 6 - Chassis ground: 
Is the resistance less than 10 Ω? Go to step . Repair open circuit or the poor contact of the harness between key lock solenoid and chassis ground.
8 CHECK KEY LOCK SOLENOID. 
Measure the resistance of key lock solenoid connector terminals.
Terminals 
No. 5 - No. 6: 
Is the resistance 4 - 8 Ω? Go to step 9.  Replace the key lock solenoid.
9 CHECK HARNESS BETWEEN "P" RANGE SWITCH AND CHASSIS GROUND. 
Measure the resistance of harness between "P" range switch and chassis ground.
Connector & terminal 
(B117) No. 2 - Chassis ground: 
Is the resistance less than 1 Ω? Go to step 10  . Repair the short circuit of harness between "P" range switch and body integrated unit.
10 CHECK HARNESS BETWEEN AT SHIFT LOCK CONTROL MODULE AND "P" RANGE SWITCH. 
  1. Disconnect the connector of "P" range switch.
  2. Measure the resistance of harness between body integrated unit and "P" range switch.

    Connector & terminal 

    (B117) No. 2 - (B281) No. 6: 

Is the resistance 1 MΩ or more? Repair the open circuit of harness between body integrated unit and "P" range switch. Go to step 11  .
11 CHECK HARNESS BETWEEN "P" RANGE SWITCH AND CHASSIS GROUND. 
Measure the resistance of harness between "P" range switch and chassis ground.
Connector & terminal 
(B117) No. 6 - Chassis ground: 
Is the resistance 1 MΩ or more? Repair the open circuit of harness between "P" range switch and chassis ground. Go to step 12  .
12 CHECK "P" RANGE SWITCH. 
  1. Move the select lever to "P" range.
  2. Measure the resistance between "P" range switch connector terminals.

    Terminals 

    No. 2 - No. 6: 

Is the resistance less than 1 Ω? Go to step 13  . Replace the "P" range switch.
13 CHECK "P" RANGE SWITCH. 
  1. Set the select lever to other than "P" range.
  2. Measure the resistance between "P" range switch connector terminals.

    Terminals 

    No. 2 - No. 6: 

Is the resistance 1 MΩ or more? Go to step 14  . Replace the "P" range switch.
14 CHECK OUTPUT SIGNAL OF BODY INTEGRATED UNIT. 
  1. Disconnect all connectors.
  2. Turn the ignition switch to ON. (engine OFF)
  3. Move the select lever to "P" range.
  4. Depress the brake pedal.
  5. Measure the voltage between body integrated unit connector and chassis ground.

    Connector & terminal 

    (B280) No. 3 (+) - Chassis ground (-): 

Is the voltage 7.5 - 16 V? Go to step 15  . Replace the body integrated unit.
15 CHECK POOR CONTACT.  Is there poor contact of the connector? Repair the poor contact. Replace the body integrated unit.