LEMON Manuals: Even more car manuals for everyone
Home >> Subaru >> 2008 >> Forester XT, Standard >> Repair and Diagnosis >> Transmission >> Transmission Control Systems >> A/T & M/T Control Systems >> AT Shift Lock Control System >> Inspection >> Body Integrated Unit Power Supply And Ground Circuit >> Wiring Diagram

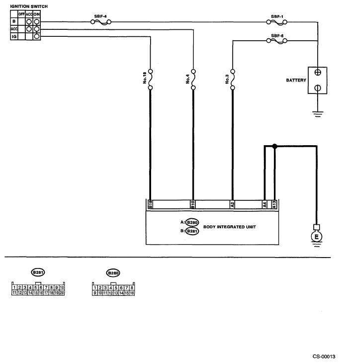
Body Integrated Unit Power Supply And Ground Circuit: Wiring Diagram

Fig 1: Body Integrated Unit Power Supply And Ground Circuit - Wiring Diagram
G05657421
CONTROL SYSTEM CHART

Step Check Yes No
1 CHECK FUSE  .
Remove the fuses No. 3, 4 and 18.
Are the fuses No. 3, 4 and 18 blown? Replace the fuses No. 3, 4 and 18. If the replaced fuse No. 3, 4 or 18 blows easily, repair the short circuit of harness between the fuse and body integrated unit. Go to step .
2 CHECK HARNESS CONNECTOR BETWEEN BODY INTEGRATED UNIT AND CHASSIS GROUND  .
  1. Turn the ignition switch to OFF.
  2. Measure the harness resistance between the body integrated unit and the chassis ground.

    Connector & terminal 

    (B280) No. 4 - Chassis ground: 

    (B280) No. 13 - Chassis ground: 

Is the resistance less than 1 Ω? Go to step . Repair the open circuit of harness between the body integrated unit and chassis ground.
3 CHECK BATTERY POWER SUPPLY. 
  1. Turn the ignition switch to ON. (engine OFF)
  2. Check the voltage between body integrated unit and chassis ground.

    Connector & terminal 

    (B280) No. 2 (+) - Chassis ground (-): 

Is the voltage 9 V or more? Go to step . Repair the open circuit harness between battery and body integrated unit, and poor contact in connector.
4 CHECK IGNITION POWER SUPPLY CIRCUIT. 
  1. Turn the ignition switch to ACC.
  2. Check the voltage between body integrated unit and chassis ground.

    Connector & terminal 

    (B281) No. 10 (+) - Chassis ground (-): 

Is the voltage 9 V or more? Go to step . Repair the open circuit harness between battery and body integrated unit, and poor contact in connector.
5 CHECK IGNITION POWER SUPPLY CIRCUIT. 
  1. Turn the ignition switch to ON. (engine OFF)
  2. Measure the voltage between body integrated unit and chassis ground.

    Connector & terminal 

    (B281) No. 19 (+) - Chassis ground (-): 

Is the voltage 9 V or more? Go to step . Repair the open circuit harness between battery and body integrated unit, and poor contact in connector.
6 CHECK POOR CONTACT.  Is there poor contact in the connector? Repair the poor contact. Replace the body integrated unit.