LEMON Manuals: Even more car manuals for everyone
Home >> Subaru >> 2007 >> Outback i, Automatic >> Repair and Diagnosis >> Transmission >> Transmission Control Systems >> A/T Control Systems >> AT Shift Lock Control System >> Inspection >> Select Lever Cannot Be Shifted

Select Lever Cannot Be Shifted

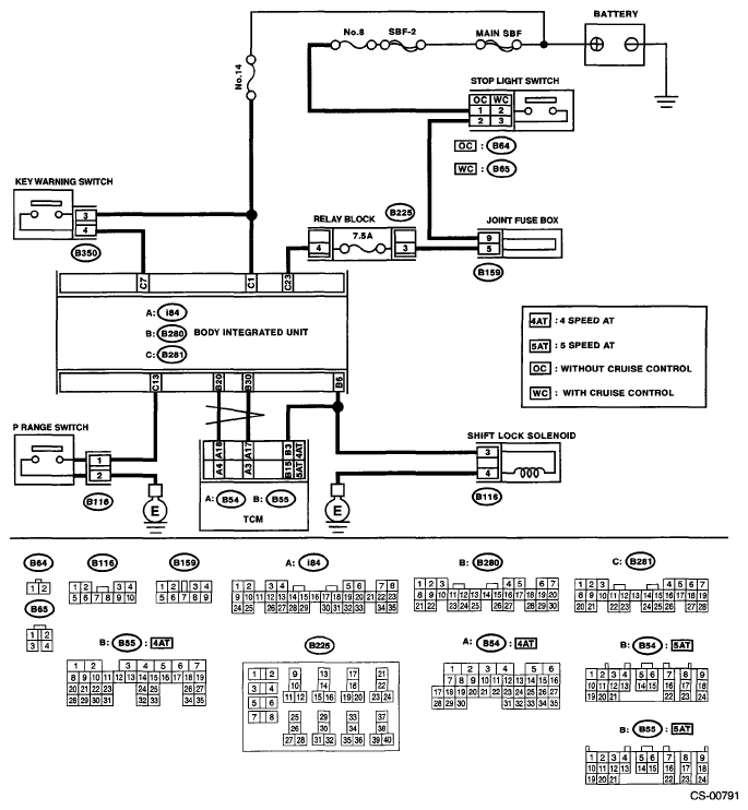
Fig 1: Select Lever Cannot Be Shifted - Circuit Diagram
G05341792Courtesy of SUBARU OF AMERICA, INC.
DTC CHART

Step Check Yes No
1 CHECK OUTPUT SIGNAL OF BODY INTEGRATED UNIT USING SUBARU SELECT MONITOR. 
  1. Turn the ignition switch to OFF.
  2. Connect the Subaru Select Monitor to the data link connector.
  3. Turn the ignition switch and run the Subaru Select Monitor.
  4. Read the output signal of shift lock solenoid from the Subaru Select Monitor.

    <Ref. to OPERATION , Subaru Select Monitor .>

Is "OFF" displayed? Go to step 4.  Go to step 2. 
2 CHECK OUTPUT SIGNAL OF BODY INTEGRATED UNIT USING SUBARU SELECT MONITOR. 
Read the input signal of stop light switch from Subaru Select Monitor. <Ref. to OPERATION , Subaru Select Monitor .>
Is "OFF" displayed? Go to step 4.  Go to step 3. 
3 CHECK STOP LIGHT SWITCH INPUT SIGNAL. 
  1. Turn the ignition switch to OFF.
  2. Disconnect the connector from body integrated unit.
  3. Turn the ignition switch to ON.
  4. Measure the voltage between body integrated unit and chassis ground.

    Connector & terminal 

    (B281) No. 23 (+) - Chassis ground (-): 

Is the voltage 9 V or more? Check the stop light system. Check the body integrated unit.
4 CHECK SHIFT LOCK SOLENOID OUTPUT VOLTAGE. 
  1. Turn the ignition switch to OFF.
  2. Disconnect the connector of shift lock solenoid.
  3. Turn the ignition switch to ON.
  4. Measure the voltage between the shift lock solenoid connector and chassis ground.

    Connector & terminal 

    (B116) No. 3 (+) - Chassis ground (-): 

Is the voltage 9 V or more? Go to step 5.  Check the shift lock solenoid unit.
5 CHECK SHIFT LOCK SOLENOID OUTPUT VOLTAGE. 
  1. Turn the ignition switch to OFF.
  2. Disconnect the connector from body integrated unit.
  3. Turn the ignition switch to ON.
  4. Measure the voltage between the shift lock solenoid connector terminal and chassis ground.

    Connector & terminal 

    (B116) No. 3 (+) - Chassis ground (-): 

Is the voltage 9 V or more? Go to step 6.  Check the body integrated unit.
6 CHECK SHIFT LOCK SOLENOID OUTPUT VOLTAGE. 
  1. Turn the ignition switch to OFF.
  2. Disconnect the connector from TCM.
  3. Turn the ignition switch to ON.
  4. Measure the voltage between the shift lock solenoid connector terminal and chassis ground.

    Connector & terminal 

    (B116) No. 3 (+) - Chassis ground (-): 

Is the voltage 9 V or more? Repair or replace the shorted circuit of harness between body integrated unit and shift lock solenoid. Check the TCM.