LEMON Manuals: Even more car manuals for everyone
Home >> Subaru >> 2007 >> Forester X, Automatic >> Repair and Diagnosis >> Transmission >> Transmission Control Systems >> A/T Control Systems >> AT Shift Lock Control System >> Inspection >> Select Lever Cannot Be Shifted

Select Lever Cannot Be Shifted

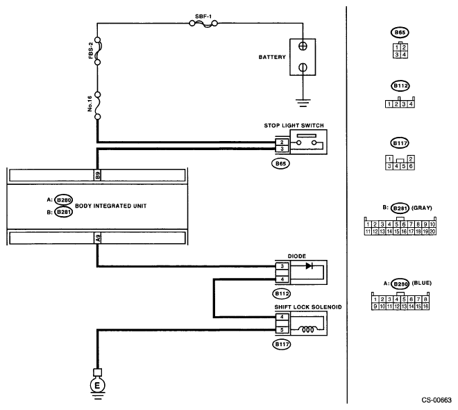
WIRING DIAGRAM: 

Fig 1: Select Lever Cannot Be Shifted - Wiring Diagram
G04993908Courtesy of SUBARU OF AMERICA, INC.
DIAGNOSIS PROCEDURE

Step Check Yes No
1 CHECK STOP LIGHT SWITCH. 
Depress the brake pedal.
Does the stop light illuminate? Go to step 2.  Check the stop light system.
2 CHECK HARNESS BETWEEN STOP LIGHT SWITCH AND BODY INTEGRATED UNIT. 
  1. Turn the ignition switch to OFF.
  2. Disconnect the connectors of body integrated unit and stop light switch.
  3. Measure the resistance of harness between stop light switch and body integrated unit.

    Connector & terminal 

    (B65) No. 3 - (B281) No. 9: 

Is the resistance more than 1 MΩ? Repair the open circuit of harness between the body integrated unit and stop light switch. Go to step 3. 
3 CHECK HARNESS BETWEEN STOP LIGHT SWITCH AND BODY INTEGRATED UNIT. 
Measure the resistance of harness between stop light switch and chassis ground.

Connector & terminal 

(B65) No. 3 - Chassis ground: 

Is the resistance less than 1 Ω? Repair the short circuit of harness between the body integrated unit and stop light switch. Go to step 4. 
4 CHECK HARNESS BETWEEN BODY INTEGRATED UNIT AND SHIFT LOCK SOLENOID. 
  1. Disconnect the connector of shift lock solenoid.
  2. Measure the harness resistance between body integrated unit and the shift lock solenoid

    Connector & terminal 

    (B117) No. 4 - (B280) No. 9: 

Is the resistance more than 1 Ω? Repair the open circuit of harness between body integrated unit and shift lock solenoid. Go to step 5. 
5 CHECK HARNESS BETWEEN BODY INTEGRATED UNIT AND SHIFT LOCK SOLENOID. 
Measure the resistance of harness between shift lock solenoid and chassis ground.

Connector & terminal 

(B117) No. 4 - Chassis ground: 

Is the resistance less than 1 Ω? Repair the short circuit of harness between the body integrated unit and shift lock solenoid. Go to step 6. 
6 CHECK HARNESS BETWEEN SHIFT LOCK SOLENOID AND CHASSIS GROUND. 
Measure the resistance of harness between shift lock solenoid and chassis ground.

Connector & terminal 

(B117) No. 5 - Chassis ground: 

Is the resistance more than 1 MΩ? Repair open circuit of harness between shift lock solenoid and chassis ground. Go to step 7.
7 CHECK SHIFT LOCK SOLENOID. 
Measure the resistance of the shift lock solenoid connector terminals.

Terminals 

No. 4 - No. 5: 

Is the resistance between 20 and 40 Ω? Go to step 8. Replace the shift lock solenoid.
8 CHECK SHIFT LOCK SOLENOID. 
Connect the battery to connector terminal of shift lock solenoid, and operate the solenoid.

Terminals 

No. 4 (+) - No. 5 (-): 

Is the shift lock solenoid operating properly? Go to step 9.  Replace the shift lock solenoid.
9 CHECK POOR CONTACT.  Is there poor contact in connector? Repair the poor contact. Replace the body integrated unit.