LEMON Manuals: Even more car manuals for everyone
Home >> Subaru >> 2007 >> Forester X, Automatic >> Repair and Diagnosis >> Transmission >> Transmission Control Systems >> A/T Control Systems >> AT Shift Lock Control System >> Inspection >> Body Integrated Unit Power Supply And Ground Circuit

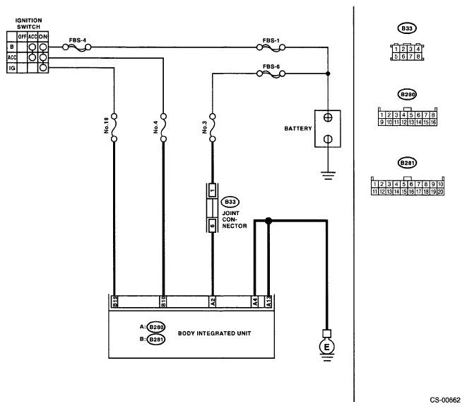
Body Integrated Unit Power Supply And Ground Circuit

WIRING DIAGRAM: 

Fig 1: Body Integrated Unit Power Supply And Ground Circuit - Wiring Diagram
G04993907Courtesy of SUBARU OF AMERICA, INC.
DIAGNOSIS PROCEDURE

Step Check Yes No
1 CHECK FUSE. 
Remove the fuses No. 3, 4 and 18.
Are the fuses No. 3, 4 and 18 blown? Replace the fuses No. 3, 4 and 18. If the replaced fuse No. 3, 4 or 18 blows easily, repair the short circuit of harness between the fuse and body integrated unit. Go to step 2. 
2 CHECK HARNESS CONNECTOR BETWEEN BODY INTEGRATED UNIT AND CHASSIS GROUND. 
  1. Turn the ignition switch to OFF.
  2. Measure the harness resistance between the body integrated unit and chassis ground.

    Connector & terminal 

    (B280) No. 4 - Chassis ground: 

    (B280) No. 13 - Chassis ground: 

Is the resistance less than 1 Ω Go to step 3.  Repair the open circuit of harness between the body integrated unit and chassis ground.
3 CHECK BATTERY POWER SUPPLY. 
  1. Turn the ignition switch to ON. (Engine OFF)
  2. Check the voltage between body integrated unit and chassis ground.

    Connector & terminal 

    (B280) No. 2 (+) - Chassis ground (-): 

Is the voltage more than 9 V? Go to step 4.  Repair the open circuit harness between battery and body integrated unit, and poor contact in connector.
4 CHECK IGNITION POWER SUPPLY CIRCUIT. 
  1. Turn the ignition switch to ACC.
  2. Check the voltage between body integrated unit and chassis ground.

    Connector & terminal 

    (B281) No. 10 (+) - Chassis ground (-): 

Is the voltage more than 9 V? Go to step 5.  Repair the open circuit harness between battery and body integrated unit, and poor contact in connector.
5 CHECK IGNITION POWER SUPPLY CIRCUIT. 
  1. Turn the ignition switch to ON. (Engine OFF)
  2. Measure the voltage between body integrated unit and chassis ground.

    Connector & terminal 

    (B281) No. 19 (+) - Chassis ground (-): 

Is the voltage more than 9 V? Go to step 6.  Repair the open circuit harness between battery and body integrated unit, and poor contact in connector.
6 CHECK POOR CONTACT.  Is there poor contact in connector? Repair the poor contact. Replace the body integrated unit.