LEMON Manuals: Even more car manuals for everyone
Home >> Subaru >> 2006 >> Outback XT, Standard >> Repair and Diagnosis >> Transmission >> Transmission Control Systems >> A/T & M/T Control Systems >> AT Shift Lock Control System >> Inspection >> Key Interlock Does Not Lock Or Release

Key Interlock Does Not Lock Or Release

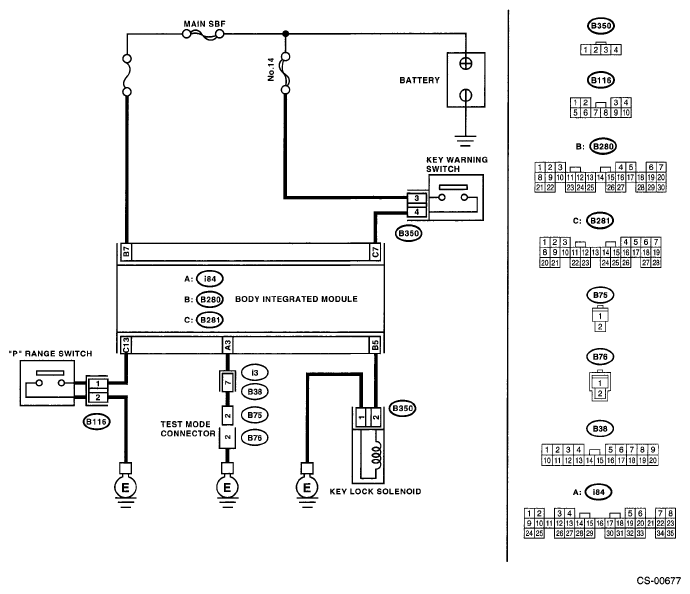
Fig 1: Key Interlock Does Not Lock Or Release Wiring Diagram
G05019660
KEY INTERLOCK DOES NOT LOCK OR RELEASE DIAGNOSTIC PROCEDURE

Step Check Yes No
1 CHECK INPUT SIGNAL OF BODY INTEGRATED UNIT USING SUBARU SELECT MONITOR. 
  1. Turn the ignition switch to OFF.
  2. Connect the Subaru Select Monitor to the data link connector.
  3. Turn the ignition switch and Subaru Select Monitor to ON.
  4. Depress the brake pedal.
  5. Read the input signal of the key warning switch from the Subaru Select Monitor.

    < Ref. to OPERATION , Subaru Select Monitor. >

Is "ON" displayed? Go to step 2.  Go to step .
2 CHECK INPUT SIGNAL OF BODY INTEGRATED UNIT USING SUBARU SELECT MONITOR. 
  1. Shift the select lever to the "P" range.
  2. Read the input signal of "P" range switch from Subaru Select Monitor.

    < Ref. to OPERATION , Subaru Select Monitor. >

Is "ON" displayed? Go to step 3.  Go to step .
3 CHECK DTC OF BODY INTEGRATED UNIT. 
Check DTC of body integrated unit.
< Ref. to OPERATION , Read Diagnostic Trouble Code (DTC). >
Is DTC (B0105) displayed? Repair or replace it according to the DTC. Check the body integrated unit.
4 CHECK HARNESS BETWEEN BATTERY AND KEY WARNING SWITCH. 
  1. Disconnect the connector of key warning switch.
  2. Measure the voltage of harness between key warning switch and chassis ground.

    Connector & terminal 

    (B350) No. 3 (+) - Chassis ground (-): 

Is the voltage 9 - 16 V? Go to step 5.  Repair the open or short circuit of harness between battery and key warning switch.
5 CHECK KEY WARNING SWITCH. 
Measure the resistance between connector terminals of key warning switch.
Terminals No. 3 - No. 4: 
Is the resistance more than 1 MΩ? Replace the key warning switch. Go to step .
6 CHECK KEY WARNING SWITCH. 
  1. Remove the key.
  2. Measure the resistance between connector terminals of key warning switch.

    Terminals No. 3 - No. 4: 

Is the resistance more than 1 MΩ? Go to step 7.  Replace the key warning switch.
7 CHECK HARNESS BETWEEN AT SHIFT LOCK CONTROL MODULE AND KEY WARNING SWITCH. 
  1. Disconnect the connector of body integrated unit.
  2. Measure the voltage between body integrated unit and chassis ground.

    Connector & terminal 

    (B281) No. 7 (+) - Chassis ground (-): 

Is the voltage more than 9 V? Go to step 8.  Repair the open circuit of harness between body integrated unit and key warning switch.
8 CHECK HARNESS BETWEEN "P" RANGE SWITCH AND CHASSIS GROUND. 
Measure the resistance of harness between "P" range switch and chassis ground.
Connector & terminal 
(B116) No. 1 - Chassis ground: 
Is the resistance less than 1 Ω? Go to step 9.  Repair the short circuit of harness between "P" range switch and body integrated unit.
9 CHECK HARNESS BETWEEN BODY INTEGRATED UNIT AND "P" RANGE SWITCH. 
  1. Disconnect the connector of the "P" range switch.
  2. Measure the resistance of harness between body integrated unit and the "P" range switch.

    Connector & terminal 

    (B116) No. 1 - (B281) No. 13: 

Is the resistance more than 1 MΩ? Repair the open circuit of harness between body integrated unit and "P" range switch. Go to step 10  .
10 CHECK HARNESS BETWEEN "P" RANGE SWITCH AND CHASSIS GROUND. 
Measure the resistance of harness between "P" range switch and chassis round.
Connector & terminal 
(B116) No. 2 - Chassis ground: 
Is the resistance more than 1 MΩ? Repair the open circuit of harness between "P" range switch and chassis ground. Go to step 11  .
11 CHECK "P" RANGE SWITCH. 
  1. Shift the select lever to the "P" range.
  2. Measure the resistance between "P" range switch connector terminals.

    Terminals No. 2 - No. 1: 

Is the resistance less than 1 Ω? Go to step 12.  Replace the "P" range switch.
12 CHECK "P" RANGE SWITCH. 
  1. Shift the select lever to other than "P" range.
  2. Measure the resistance between "P" range switch connector terminals.

    Terminals No. 2 - No. 1: 

Is the resistance more than 1 MΩ? Go to step 13.  Replace the "P" range switch.
13 CHECK BACKUP POWER SUPPLY CIRCUIT. 
Inspect the backup power supply circuit. < Ref. to BODY INTEGRATED UNIT POWER SUPPLY AND GROUND CIRCUIT , INSPECTION, AT Shift Lock Control System. >
Is the backup power supply circuit operating properly? Go to step 14.  Repair the backup power supply circuit.
14 CHECK TEST MODE CONNECTOR. 
  1. Check that the test mode connector is disconnected.
  2. Measure the resistance between the body integrated unit and chassis ground.

    Connector & terminal 

    (184) No. 3 - Chassis ground: 

Is the resistance more than 1 MΩ? Go to step 15.  Repair the short circuit of the harness between the body integrated unit and test mode connector.
15 CHECK OPERATION. 
  1. Connect all the connectors.
  2. Operate the key lock solenoid.
Does the key lock solenoid operate normally? A temporary poor contact of connector or harness may be the cause. Check the body integrated unit.