LEMON Manuals: Even more car manuals for everyone
Home >> Subaru >> 2006 >> Outback R >> Repair and Diagnosis (Single Page) >> Engine Performance >> Testing & Diagnosis >> Engine Controls - Engine (Diagnostics) (H6DO) >> Diagnostic Procedure with Diagnostic Trouble Code (DTC) >> DTC P0140 O2 Sensor Circuit No Activity Detected (Bank 1 Sensor 2)

DTC P0140 O2 Sensor Circuit No Activity Detected (Bank 1 Sensor 2)

DTC DETECTING CONDITION: 

CAUTION: After repair or replacement of faulty parts, perform Clear Memory Mode < Ref. to OPERATION , Clear Memory Mode. > and Inspection Mode < Ref. to PROCEDURE , Inspection Mode. >.

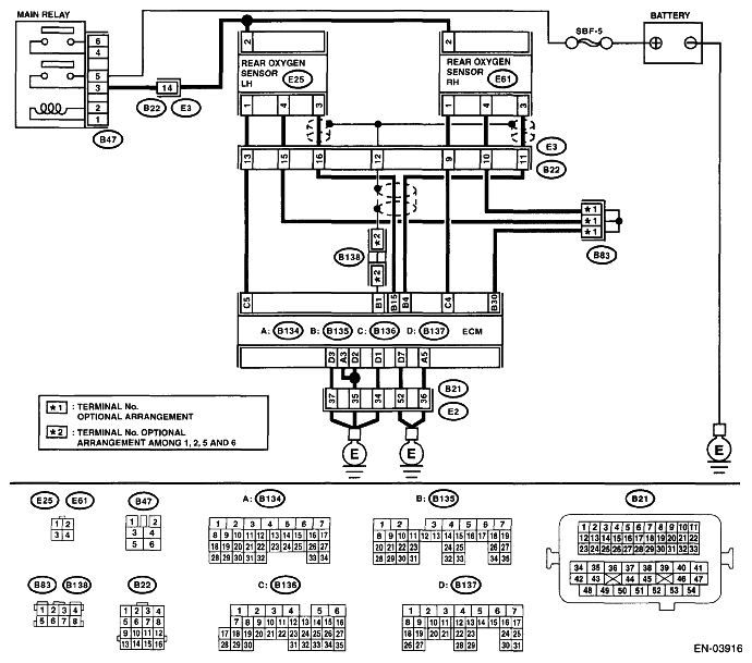
WIRING DIAGRAM: 

Fig 1: Rear Oxygen Sensor - Wiring Diagram
G05019030
DTC P0140 O2 SENSOR CIRCUIT NO ACTIVITY DETECTED (BANK 1 SENSOR 2) - DIAGNOSTIC PROCEDURE

Step Check Yes No
1 CHECK FOR ANY OTHER DTC ON DISPLAY.  Is any other DTC displayed? Check DTC using "List of Diagnostic Trouble Code (DTC)". < Ref. to LIST OF DIAGNOSTIC TROUBLE CODE (DTC) . >
NOTE: In this case, it is not necessary to inspect DTC P0138
Go to step 2. 
2 CHECK REAR OXYGEN SENSOR DATA. 
  1. Warm-up the engine until engine coolant temperature is above 70°C (158°F), and drop the engine speed suddenly from 5,000 rpm.
  2. Read the data of rear oxygen sensor signal using Subaru Select Monitor or general scan tool.
NOTE:
  • Subaru Select Monitor

    For detailed operation procedure, refer to "READ CURRENT DATA FOR ENGINE". < Ref. to SUBARU SELECT MONITOR . >

  • General scan tool

    For detailed operation procedures, refer to the "General Scan Tool Instruction Manual".

Is the voltage less than 490 mV? Go to step 6.  Go to step 3. 
3 CHECK REAR OXYGEN SENSOR DATA. 
  1. Warm-up the engine until engine coolant temperature is above 70°C (158°F), and drop the engine speed suddenly from 5,000 rpm.
  2. Read the data of rear oxygen sensor signal using Subaru Select Monitor or general scan tool.
NOTE:
  • Subaru Select Monitor

    For detailed operation procedure, refer to "READ CURRENT DATA FOR ENGINE". < Ref. to SUBARU SELECT MONITOR . >

  • General scan tool

    For detailed operation procedures, refer to the "General Scan Tool Instruction Manual".

Is the voltage less than 250 mV? Go to step 6.  Go to step 4. 
4 CHECK HARNESS BETWEEN ECM AND REAR OXYGEN SENSOR CONNECTOR. 
  1. Turn the ignition switch to OFF.
  2. Disconnect the connector from ECM and rear oxygen sensor.
  3. Measure the resistance of harness between ECM and rear oxygen sensor connector.

    Connector & terminal 

    (B137) No. 4 - (E61) No. 3: 

    (B136) No. 35 - (E61) No. 4: 

Is the resistance more than 3 Ω? Repair the open circuit of harness between ECM and rear oxygen sensor connector. Go to step 5. 
5 CHECK HARNESS BETWEEN REAR OXYGEN SENSOR AND ECM CONNECTOR. 
  1. Turn the ignition switch to OFF.
  2. Disconnect the connector from rear oxygen sensor.
  3. Turn the ignition switch to ON.
  4. Measure the resistance between the rear oxygen sensor harness connector and chassis ground.

    Connector & terminal 

    (E61) No. 3 (+) - Chassis ground (-): 

Is the voltage 0.2 - 0.5 V? Replace the rear oxygen sensor. < Ref. to REAR OXYGEN SENSOR . > Repair the harness and connector.
NOTE: In this case, repair the following item:
  • Open circuit in harness between rear oxygen sensor and ECM connector
  • Poor contact in rear oxygen sensor connector
  • Poor contact in ECM connector
6 CHECK EXHAUST SYSTEM. 
Check exhaust system parts.
NOTE: Check the following items.
  • Looseness and improper fitting of exhaust system parts
  • Damage (crack, hole etc.) of parts
  • Looseness and improper fitting of parts between front oxygen (A/F) sensor and rear oxygen sensor
Is there any fault in exhaust system? Repair or replace faulty parts. Replace the rear oxygen sensor. < Ref. to REAR OXYGEN SENSOR . >