LEMON Manuals: Even more car manuals for everyone
Home >> Subaru >> 2006 >> Outback R >> Repair and Diagnosis (Single Page) >> Engine Performance >> System >> Engine Controls - Engine (Diagnostics) (H6DO) >> Diagnostic Procedure with Diagnostic Trouble Code (DTC) >> DTC P0607 Control Module Performance

DTC P0607 Control Module Performance

DTC DETECTING CONDITION: 

TROUBLE SYMPTOM: 

CAUTION: After repair or replacement of faulty parts, perform Clear Memory Mode < Ref. to OPERATION , Clear Memory Mode. > and Inspection Mode < Ref. to PROCEDURE , Inspection Mode. >.

WIRING DIAGRAM: 

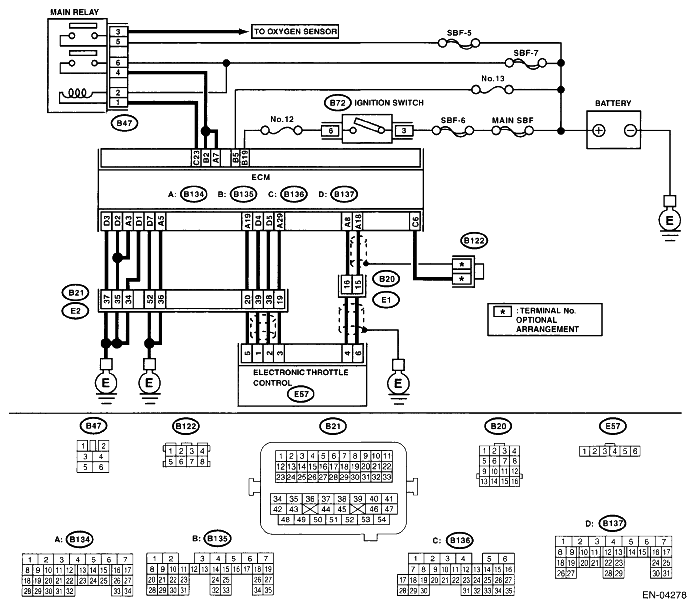
Fig 1: Control Module - Wiring Diagram
G05019104
DTC P0607 CONTROL MODULE PERFORMANCE - DIAGNOSTIC PROCEDURE

Step Check Yes No
1 CHECK INPUT VOLTAGE OF ECM. 
  1. Turn the ignition switch to ON.
  2. Measure the voltage between ECM connector and chassis ground.

    Connector & terminal 

    (B134) No. 7 (+) - Chassis ground (-): 

    (B135) No. 2 (+) - Chassis ground (-): 

Is the voltage 10 - 13 V? Go to step 2.  Repair the open or ground short circuit of power supply circuit.
2 CHECK INPUT VOLTAGE OF ECM. 
  1. Start the engine.
  2. Measure the voltage between ECM connector and chassis ground.

    Connector & terminal 

    (B134) No. 7 (+) - Chassis ground (-): 

    (B135) No. 2 (+) - Chassis ground (-): 

Is the voltage 13 - 15 V? Go to step 3.  Repair the open or ground short circuit of power supply circuit.
3 CHECK HARNESS BETWEEN ECM AND ELECTRONIC THROTTLE CONTROL. 
  1. Turn the ignition switch to OFF.
  2. Disconnect the connectors from the ECM and electronic throttle control.
  3. Measure the resistance of harness between ECM and electronic throttle control connector.

    Connector & terminal 

    (E57) No. 5 - (B134) No. 19: 

    (E57) No. 3 - (B134) No. 29: 

Is the resistance less than 1 Ω? Go to step 4.  Repair the open circuit of harness between ECM and electronic throttle control connector.
4 CHECK ECM GROUND HARNESS. 
Measure the voltage between ECM connector and chassis ground.
Connector & terminal 
(B134) No. 3 (+) - Chassis ground (-): 
(B134) No. 5 (+) - Chassis ground (-): 
(B137) No. 1 (+) - Chassis ground (-): 
(B137) No. 2 (+) - Chassis ground (-): 
(B137) No. 3 (+) - Chassis ground (-): 
(B137) No. 7 (+) - Chassis ground (-): 
Is the voltage less than 1 V? Repair the poor contact of ECM connector.
Replace the ECM if defective. < Ref. to ENGINE CONTROL MODULE (ECM) . >
Further tighten the engine ground terminal.