LEMON Manuals: Even more car manuals for everyone
Home >> Subaru >> 2006 >> Baja Base, Standard >> Repair and Diagnosis >> Transmission >> Transmission Control Systems >> A/T & M/T Control Systems >> AT Shift Lock System >> Inspection >> Select Lever Cannot Be Shift Locked

Select Lever Cannot Be Shift Locked

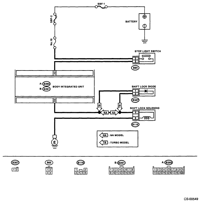
WIRING DIAGRAM: 

Fig 1: Select Lever Shift Locked - Wiring Diagram
G04990137Courtesy of SUBARU OF AMERICA, INC.
AT SHIFT LOCK SYSTEM REFERENCE

Step Check Yes No
1 CHECK STOP LIGHT SWITCH. 
Depress the brake pedal.
Does the stop light turn on? Go to step 2.  Inspect the stop light system.
2 CHECK HARNESS BETWEEN STOP LIGHT SWITCH AND INTEGRATED MODULE. 
  1. Turn the ignition switch to OFF.
  2. Disconnect the integrated module and stop-light switch connector.
  3. Measure the resistance of harness between stop light switch and integrated module.

    Connector & terminal 

    (B65) No. 3 - (B280) No. 9: 

Is the measured value more than 1 MΩ? Repair the open circuit in harness between integrated module and stop light switch. Go to step 3. 
3 CHECK HARNESS BETWEEN STOP LIGHT SWITCH AND INTEGRATED MODULE. 
Measure the resistance of harness between stop light switch and chassis ground.
Connector & terminal 
(B65) No. 3 - Chassis ground: 
Is the measured value less than 1 Ω? Repair the short circuit in harness between integrated module and stop light switch. Go to step 4. 
4 CHECK HARNESS BETWEEN INTEGRATED MODULE AND SHIFT LOCK SOLENOID. 
  1. Disconnect the shift lock solenoid connector.
  2. Measure the resistance of harness between integrated module and shift lock solenoid.

    Connector & terminal 

    (B116) No. 4 - (B281) No. 9: 

Is the measured value more than 1 MΩ? Repair the open circuit in harness between integrated module and shift lock solenoid. Go to step 5. 
5 CHECK HARNESS BETWEEN INTEGRATED MODULE AND SHIFT LOCK SOLENOID. 
Measure the resistance of harness between shift lock solenoid and chassis ground.
Connector & terminal 
(B116) No. 4 - Chassis ground: 
Is the measured value less than 1 Ω? Repair the short circuit in harness between integrated module and shift lock solenoid. Go to step 6. 
6 CHECK HARNESS BETWEEN SHIFT LOCK SOLENOID AND CHASSIS GROUND. 
Measure the resistance of harness between shift lock solenoid and chassis ground.
Connector & terminal 
(B116) No. 5 - Chassis ground: 
Is the measured value more than 1 MΩ? Repair the open circuit in harness between shift lock solenoid and body ground. Go to step 7. 
7 CHECK SHIFT LOCK SOLENOID. 
Measure the resistance of shift lock solenoid connector terminals.
Terminal 
No. 4 - No. 5: 
Is the measured value within 20 - 40 Ω? Go to step 8.  Replace the shift lock solenoid.
8 CHECK SHIFT LOCK SOLENOID. 
Connect the battery with shift lock solenoid connector terminal and operate solenoid.
Terminal 
No. 4 (+) - No. 5 (-): 
Does the shift lock solenoid operate properly? Go to step 9.  Replace the shift lock solenoid.
9 CHECK POOR CONTACT.  Is there poor contact in AT shift lock circuit? Repair the poor contact. Replace the integrated module.