LEMON Manuals: Even more car manuals for everyone
Home >> Subaru >> 2006 >> Baja Base, Standard >> Repair and Diagnosis >> Transmission >> Transmission Control Systems >> A/T & M/T Control Systems >> AT Shift Lock System >> Inspection >> Integrated Module Power Supply And Ground Line

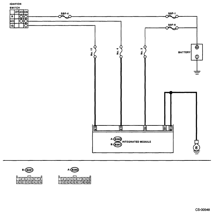
Integrated Module Power Supply And Ground Line

WIRING DIAGRAM: 

Fig 1: Integrated Module Power Supply And Ground Line - Wiring Diagram
G04990136Courtesy of SUBARU OF AMERICA, INC.
AT SHIFT LOCK SYSTEM REFERENCE

Step Check Yes No
1 CHECK FUSE. 
Remove the fuse (No. 3, 4 and 11).
Is the fuse (No. 3, 4 or 11) blown out? Replace the fuse (No. 3, 4 or 18). If the replaced fuse (No. 3, 4 or 11) has blown out easily, repair short circuit in harness between fuse and integrated module. Go to step 2. 
2 CHECK HARNESS CONNECTOR BETWEEN INTEGRATED MODULE AND BODY GROUND. 
  1. Turn the ignition switch to OFF.
  2. Measure the resistance of harness between integrated module and chassis ground.

    Connector & terminal 

    (B281) No. 4 - Chassis ground: 

    (B281) No. 13 - Chassis ground: 

Is the measured value less than 1 Ω? Go to step 3.  Repair the open circuit in harness between integrated module and body ground.
3 CHECK BATTERY POWER SUPPLY. 
  1. Turn the ignition switch to ON (engine OFF).
  2. Measure the voltages between integrated module and chassis ground.

    Connector & terminal 

    (B281) No. 2 (+) - Chassis ground (-): 

Is the measured value more than 9 V? Go to step 4.  Repair the open circuit harness between battery and integrated module, and poor contact in coupling connector.
4 CHECK IGNITION POWER SUPPLY CIRCUIT. 
  1. Turn the ignition switch to ACC.
  2. Measure the voltage between integrated module and chassis ground.

    Connector & terminal 

    (B280) No. 10 (+) - Chassis ground (-): 

Is the measured value more than 9 V? Go to step 5.  Repair the open circuit harness between battery and integrated module, and poor contact in coupling connector.
5 CHECK IGNITION POWER SUPPLY CIRCUIT. 
  1. Turn the ignition switch to ON (engine OFF).
  2. Measure the voltage between integrated module and chassis ground.

    Connector & terminal 

    (B280) No. 19 (+) - Chassis ground (-): 

Is the measured value more than 9 V? Go to step 6.  Repair the open circuit harness between battery and integrated module, and poor contact in coupling connector.
6 CHECK POOR CONTACT.  Is there poor contact in power supply and ground line circuit? Repair the poor contact. Replace the integrated module.