LEMON Manuals: Even more car manuals for everyone
Home >> Subaru >> 2005 >> Outback XT, Standard >> Repair and Diagnosis >> Transmission >> Transmission Control Systems >> A/T & M/T Control Systems >> AT Shift Lock Control System >> Inspection >> Body Integrated Unit Power Supply And Ground Circuit

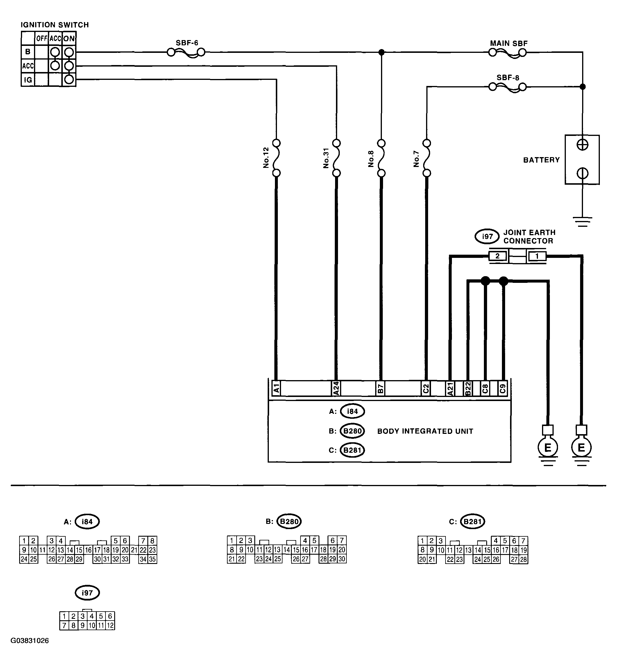
Body Integrated Unit Power Supply And Ground Circuit

Fig 1: Body Integrated Unit Power Supply And Ground Circuit Diagram
G03831026Courtesy of SUBARU OF AMERICA, INC.
BODY INTEGRATED UNIT POWER SUPPLY AND GROUND CIRCUIT - DIAGNOSTIC PROCEDURE

Step Check Yes No
1. CHECK DTC OF BODY INTEGRATED UNIT. 
Check DTC of body integrated unit.
< Ref. to OPERATION , Subaru Select Monitor. >
Is the DTC of power line displayed on body integrated unit? Repair or replace it according to the DTC. Go to step 2. 
2. CHECK HARNESS CONNECTOR BETWEEN BODY INTEGRATED UNIT AND CHASSIS GROUND. 
  1. Turn the ignition switch to OFF.
  2. Measure the harness resistance between body integrated unit and chassis ground.

    Connector & terminal 

    (i84) No. 21 - Chassis ground: 

    (B280) No. 22 - Chassis ground: 

    (B281) No. 8 - Chassis ground: 

    (B281) No. 9 - Chassis ground: 

Is the resistance less than 1 ? Go to step 3.  Repair open circuit of the harness between body integrated unit and chassis ground.
3. CHECK POOR CONTACT.  Is there poor contact in connector? Repair the poor contact. Check the body integrated unit.