LEMON Manuals: Even more car manuals for everyone
Home >> Subaru >> 2005 >> Outback R >> Repair and Diagnosis (Single Page) >> Transmission >> Automatic Trans >> Automatic Transmission - Mechanism & Function (5AT) >> Transmission Control Module (TCM) >> Schematic Diagram

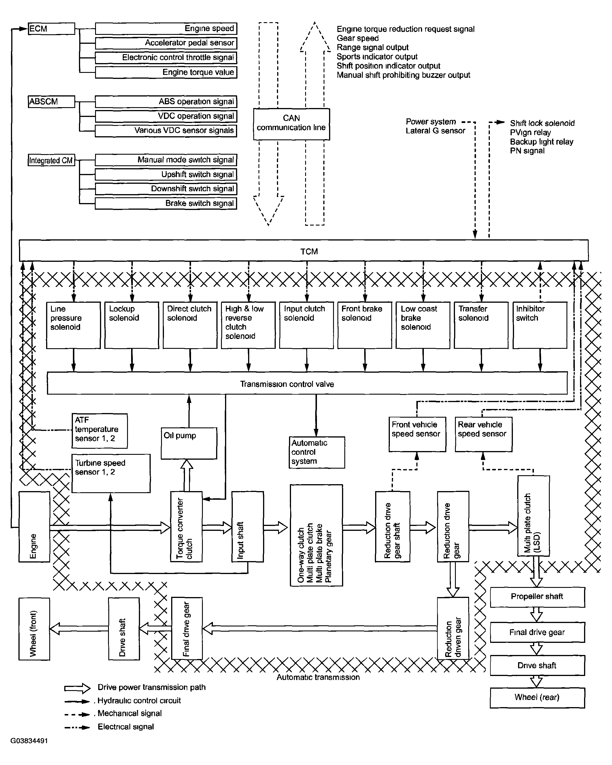
Schematic Diagram

Fig 1: Schematic Diagram Of Transmission Control Module (TMC)
G03834491Courtesy of SUBARU OF AMERICA, INC.