LEMON Manuals: Even more car manuals for everyone
Home >> Subaru >> 2005 >> Outback R >> Repair and Diagnosis (Single Page) >> Engine Performance >> Testing & Diagnosis >> Engine Controls - Engine (Diagnostics) (H6DO) >> Diagnostic Procedure with Diagnostic Trouble Code (DTC) >> DTC P0604 Internal Control Module Random Access Memory (Ram) Error

DTC P0604 Internal Control Module Random Access Memory (Ram) Error

DTC DETECTING CONDITION  :

TROUBLE SYMPTOM  :

CAUTION: After repair or replacement of faulty parts, conduct Clear Memory Mode < Ref. to , CLEAR MEMORY MODE , Clear Memory Mode.> and Inspection Mode < Ref. to , INSPECTION MODE , Inspection Mode.>.

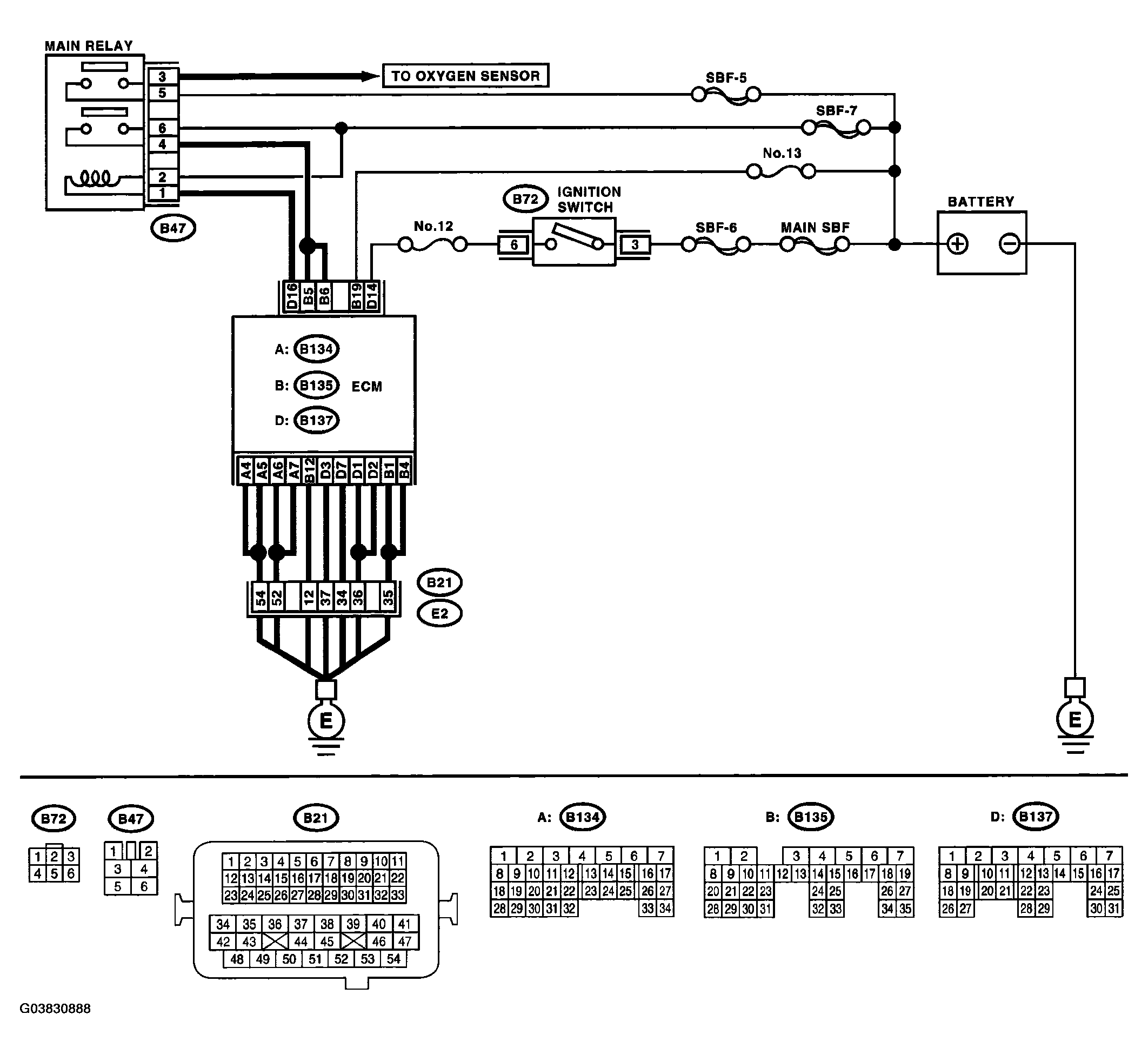
WIRING DIAGRAM  :

Fig 1: Internal Control Module Random Access Memory Wiring Diagram (DTC P0604)
G03830888Courtesy of SUBARU OF AMERICA, INC.
DIAGNOSIS PROCEDURE - DTC P0604 INTERNAL CONTROL MODULE

Step Check Yes No

CHECK FOR ANY OTHER DTC ON DISPLAY. 
Is any other DTC displayed? Inspect the relevant DTC using "List of Diagnostic Trouble Code (DTC)". < Ref. to , LIST OF DIAGNOSTIC TROUBLE CODE (DTC) . > Temporary poor contact occurs.