LEMON Manuals: Even more car manuals for everyone
Home >> Subaru >> 2005 >> Outback R >> Repair and Diagnosis (Single Page) >> Engine Performance >> Testing & Diagnosis >> Diagnostic Trouble Code (DTC) Detecting Criteria (H6DO) >> Diagnostic Trouble Code (DTC) Detecting Criteria >> DTC P2101 Throttle Actuator Control Motor Circuit Range/Performance >> Component Description

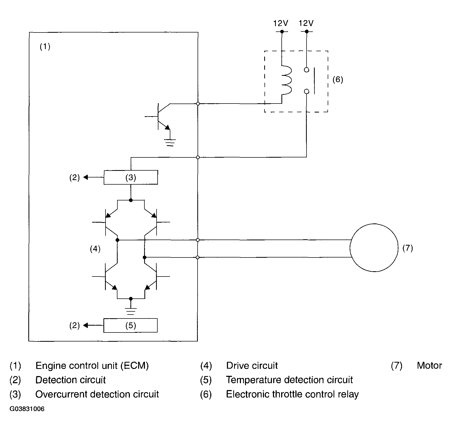
Component Description

Fig 1: Wiring Diagram - (DTC P2101 Throttle Actuator Control Motor Circuit Range/Performance)
G03831006Courtesy of SUBARU OF AMERICA, INC.