LEMON Manuals: Even more car manuals for everyone
Home >> Subaru >> 2005 >> Outback R >> Repair and Diagnosis (Single Page) >> Engine Performance >> System >> Engine Controls - Engine (Diagnostics) (H6DO) >> Diagnostics for Engine Starting Failure >> Check Power Supply And Ground Line Of Engine Control Module (ECM)

Check Power Supply And Ground Line Of Engine Control Module (ECM)

CAUTION: After repair or replacement of faulty parts, conduct Clear Memory Mode < Ref. to , CLEAR MEMORY MODE , Clear Memory Mode.> and Inspection Mode < Ref. to , INSPECTION MODE , Inspection Mode.>.

WIRING DIAGRAM: 

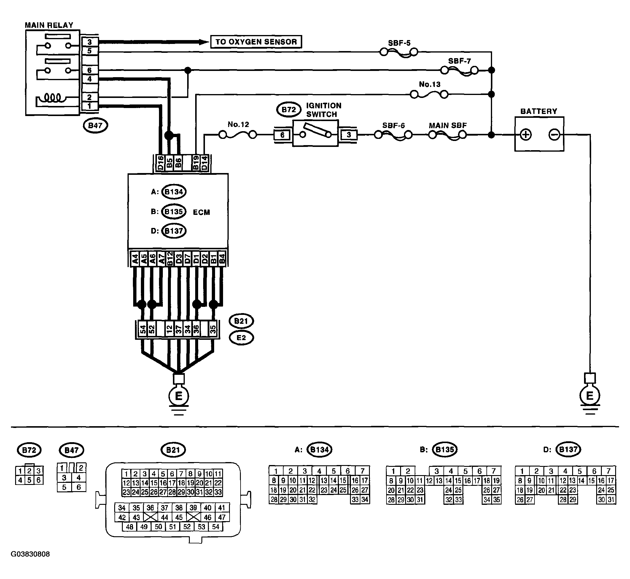
Fig 1: Identifying Power Supply Wiring Diagram
G03830808Courtesy of SUBARU OF AMERICA, INC.
DIAGNOSIS PROCEDURE - POWER SUPPLY AND GROUND LINE OF ENGINE CONTROL MODULE (ECM)

Step Check Yes No

CHECK MAIN RELAY. 
  1. Turn the ignition switch to OFF.
  2. Remove the main relay.
  3. Connect the battery to main relay terminals No. 1 and No. 2.
  4. Measure the resistance between main relay terminals.

    Terminals 

    No. 3 - No. 5: 

    No. 4 - No. 6: 

Is the resistance less than 10 ? Go to step 2.  Replace the main relay.

CHECK GROUND CIRCUIT FOR ECM. 
  1. Disconnect the connector from ECM.
  2. Measure the resistance of harness between ECM and chassis ground.

    Connector & terminal 

    (B134) No. 4 - Chassis ground: 

    (B134) No. 5 - Chassis ground: 

    (B134) No. 6 - Chassis ground: 

    (B134) No. 7 - Chassis ground: 

    (B135) No. 1 - Chassis ground: 

    (B135) No. 4 - Chassis ground: 

    (B135) No. 12 - Chassis ground: 

    (B137) No. 1 - Chassis ground: 

    (B137) No. 2 - Chassis ground: 

    (B137) No. 3 - Chassis ground: 

    (B137) No. 7 - Chassis ground: 

Is the resistance less than 5 ? Go to step 3.  Repair the open circuit in harness between ECM connector and engine grounding terminal.

CHECK INPUT VOLTAGE OF ECM. 
Measure the voltage between ECM connector and chassis ground.
Connector & terminal 
(B135) No. 19 (+) - Chassis ground (-): 
Is the voltage more than 10 V? Go to step 4.  Repair the open or ground short circuit of power supply circuit.

CHECK INPUT VOLTAGE OF ECM. 
  1. Turn the ignition switch to ON.
  2. Measure the voltage between ECM connector and chassis ground.

    Connector & terminal 

    (B137) No. 14 (+) - Chassis ground (-): 

Is the voltage more than 10 V? Go to step 5.  Repair the open or ground short circuit of power supply circuit.

CHECK INPUT VOLTAGE OF MAIN RELAY. 
Measure the voltage between main relay connector and chassis ground.
Connector & terminal 
(B47) No. 2 (+) - Chassis ground (-): 
Is the voltage more than 10 V? Go to step 6.  Repair the open circuit in harness between ECM connector and main relay connector.

CHECK INPUT VOLTAGE OF ECM. 
  1. Connect the connectors to ECM and main relay.
  2. Turn the ignition switch to ON.
  3. Measure the voltage between ECM connector and chassis ground.

    Connector & terminal 

    (B137) No. 16 (+) - Chassis ground (-): 

Is the voltage more than 10 V? Go to step 7.  Repair the open or ground short circuit in harness between ECM connector and main relay connector.

CHECK INPUT VOLTAGE OF MAIN RELAY. 
Measure the voltage between main relay connector and chassis ground.
Connector & terminal 
(B47) No. 5 (+) - Chassis ground (-): 
(B47) No. 6 (+) - Chassis ground (-): 
Is the voltage more than 10 V? Go to step 8.  Repair the open or ground short circuit in harness of power supply circuit.

CHECK INPUT VOLTAGE OF ECM. 
  1. Turn the ignition switch to ON.
  2. Measure the voltage between ECM connector and chassis ground.

    Connector & terminal 

    (B135) No. 5 (+) - Chassis ground (-): 

    (B135) No. 6 (+) - Chassis ground (-): 

Is the voltage more than 10 V? Check ignition control system. < Ref. to , IGNITION CONTROL SYSTEM , Diagnostics for Engine Starting Failure. > Repair the open or ground short circuit in harness between ECM connector and main relay connector.