LEMON Manuals: Even more car manuals for everyone
Home >> Subaru >> 2005 >> Outback R >> Repair and Diagnosis (Single Page) >> Engine Performance >> System >> Engine Controls - Engine (Diagnostics) (H6DO) >> Diagnostic Procedure with Diagnostic Trouble Code (DTC) >> DTC P0123 Throttle/Pedal Position Sensor/Switch "A" Circuit High Input

DTC P0123 Throttle/Pedal Position Sensor/Switch "A" Circuit High Input

DTC DETECTING CONDITION: 

TROUBLE SYMPTOM: 

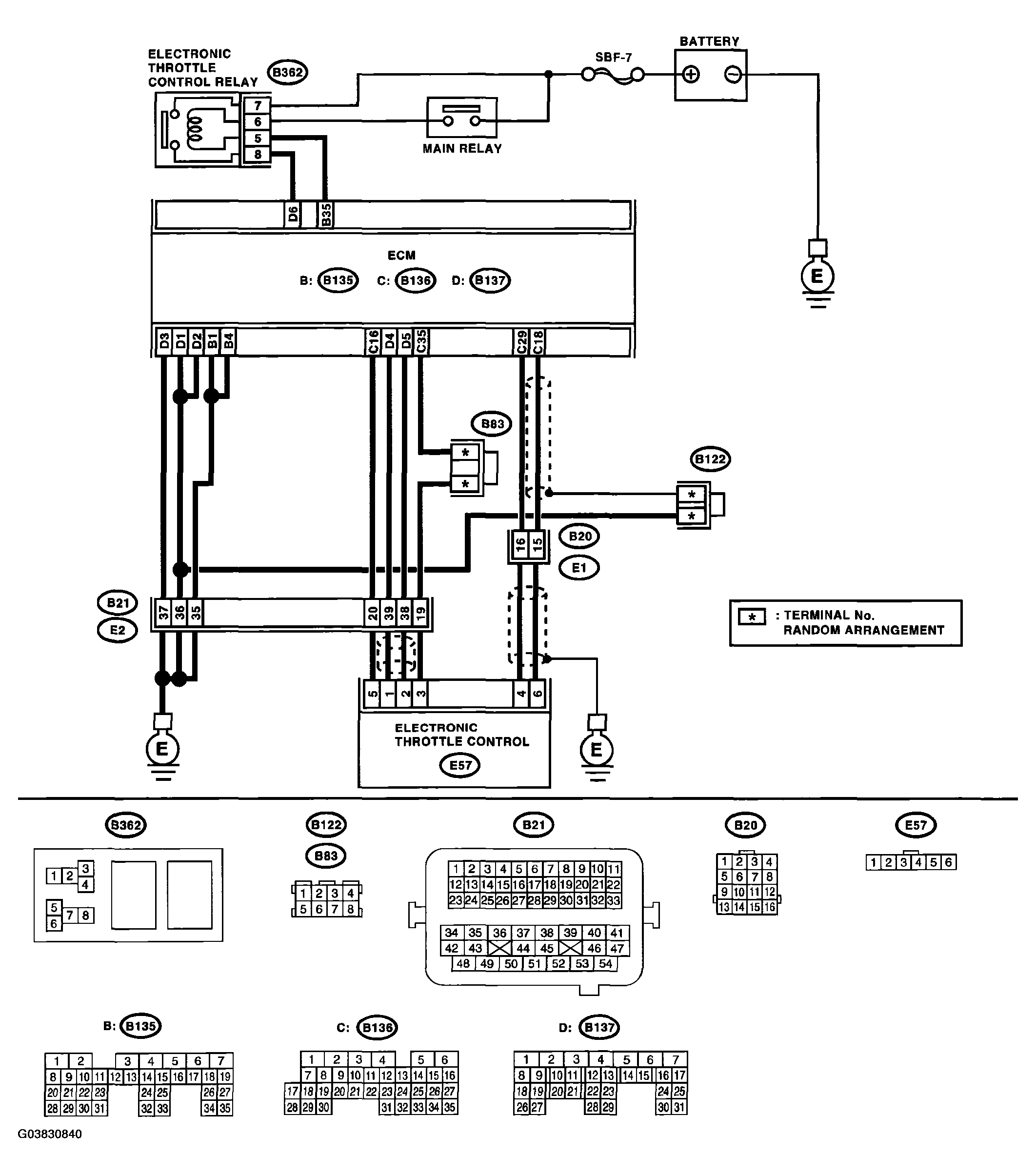
WIRING DIAGRAM: 

Fig 1: Identifying Throttle/Pedal Position Sensor/Switch "A" Circuit High Wiring Diagram (DTC P0123)
G03830840Courtesy of SUBARU OF AMERICA, INC.
DIAGNOSIS PROCEDURE - DTC P0123 THROTTLE/PEDAL POSITION SENSOR/SWITCH "A" CIRCUIT

Step Check Yes No

CHECK SENSOR OUTPUT. 
  1. Turn the ignition switch to ON.
  2. Read the data of main throttle sensor signal using Subaru Select Monitor.
NOTE:
  • Subaru Select Monitor

    For detailed operation procedure, refer to the generic scan tool instruction card. < Ref. to , SUBARU SELECT MONITOR . >

Is the voltage less than 4.63 V? Go to step 2.  Go to step 3. 

CHECK POOR CONTACT. 
Check the poor contact in connector between ECM and electronic throttle control.
Is there poor contact in connector between ECM and electronic throttle control? Repair the poor contact. Temporary poor contact occurred, but it is normal at present.

CHECK HARNESS BETWEEN ECM AND ELECTRONIC THROTTLE CONTROL. 
  1. Turn the ignition switch to OFF.
  2. Disconnect the connector from ECM.
  3. Disconnect the connector from the electronic throttle control.
  4. Measure the resistance between ECM connector and electronic throttle control connector.

    Connector & terminal 

    (B136) No. 18 - (E57) No. 6: 

    (B136) No. 35 - (E57) No. 3: 

Is the resistance less than 1 ? Go to step 4.  Repair the open circuit of harness connector.

CHECK HARNESS BETWEEN ECM AND ELECTRONIC THROTTLE CONTROL. 
  1. Connect the ECM connector.
  2. Measure the resistance between electronic throttle control connector and engine ground.

    Connector & terminal 

    (E57) No. 3 - Engine ground: 

Is the resistance less than 1 ? Go to step 5.  Repair the poor contact in ECM connector. Replace the ECM if defective. < Ref. to ENGINE CONTROL MODULE (ECM) . >

CHECK SENSOR OUTPUT POWER SUPPLY. 
Measure the voltage between electronic throttle control connector and engine ground.
Connector & terminal 
(E57) No. 6 (+) - Engine ground (-): 
Is the voltage less than 10 V? Go to step 6.  Repair the battery short circuit in harness between ECM connector and electronic throttle control connector.

CHECK HARNESS BETWEEN ECM AND ELECTRONIC THROTTLE CONTROL. 
  1. Turn the ignition switch to OFF.
  2. Disconnect the connector from ECM.
  3. Measure the resistance between ECM connectors.

    Connector & terminal 

    (B136) No. 18 - (B136) No. 16: 

Is the resistance more than 1 M? Repair the poor contact in harness. Repair the electronic throttle control. Repair the short circuit to sensor power supply.