LEMON Manuals: Even more car manuals for everyone
Home >> Subaru >> 2005 >> Outback R >> Repair and Diagnosis (Single Page) >> Engine Performance >> System >> Diagnostic Trouble Code (DTC) Detecting Criteria (H6DO) >> Diagnostic Trouble Code (DTC) Detecting Criteria >> DTC P0607 Control Module Performance >> Component Description

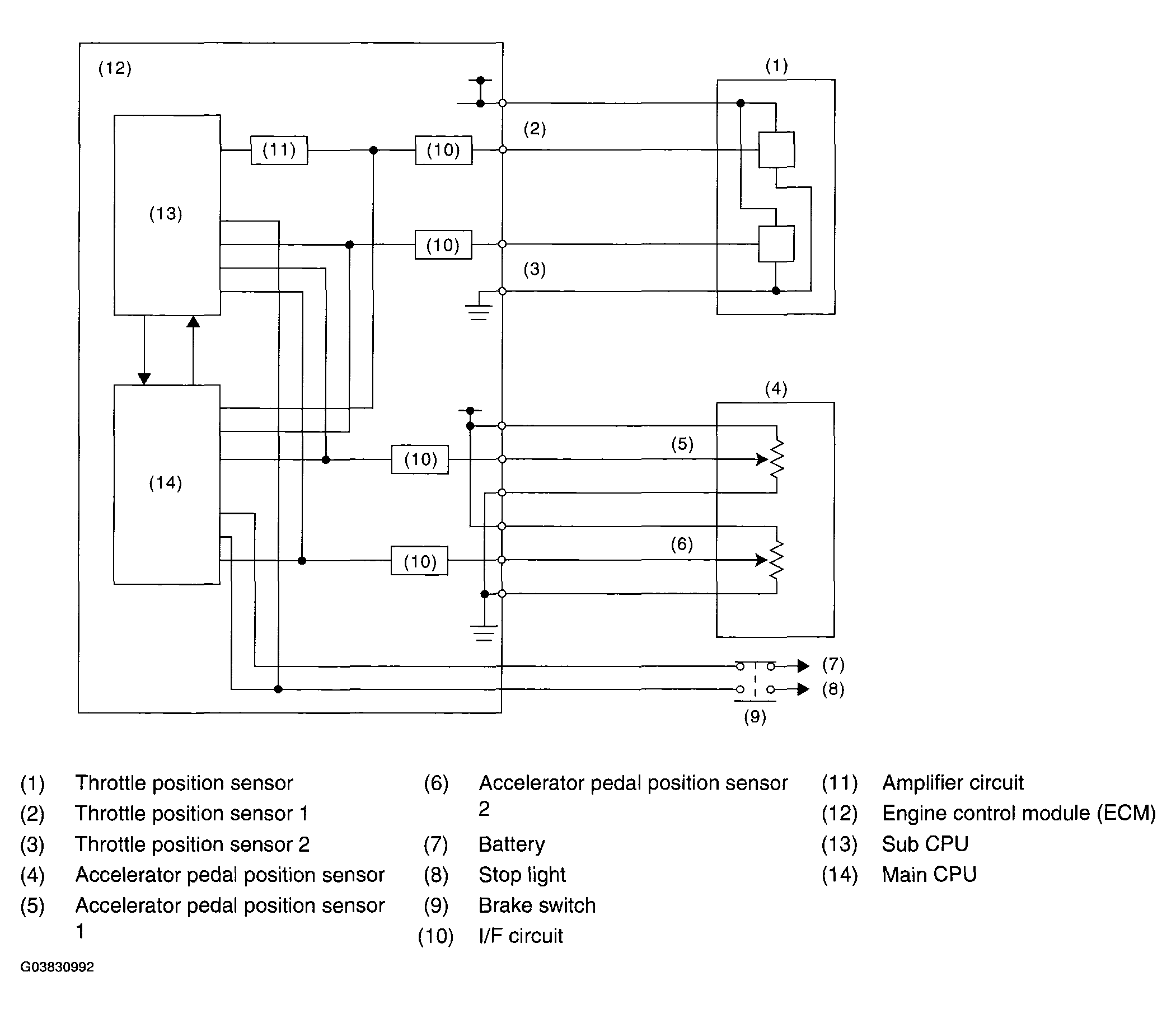
Component Description

Fig 1: Wiring Diagram - (DTC P0607 Control Module Performance)
G03830992Courtesy of SUBARU OF AMERICA, INC.