LEMON Manuals: Even more car manuals for everyone
Home >> Subaru >> 2005 >> Outback R >> Repair and Diagnosis (Single Page) >> Brakes >> Traction Control >> Anti-Lock Brake Control System - Vehicle Dynamics Control (VDC) (Diagnostics) >> Control Module I/O Signal >> Wiring Diagram

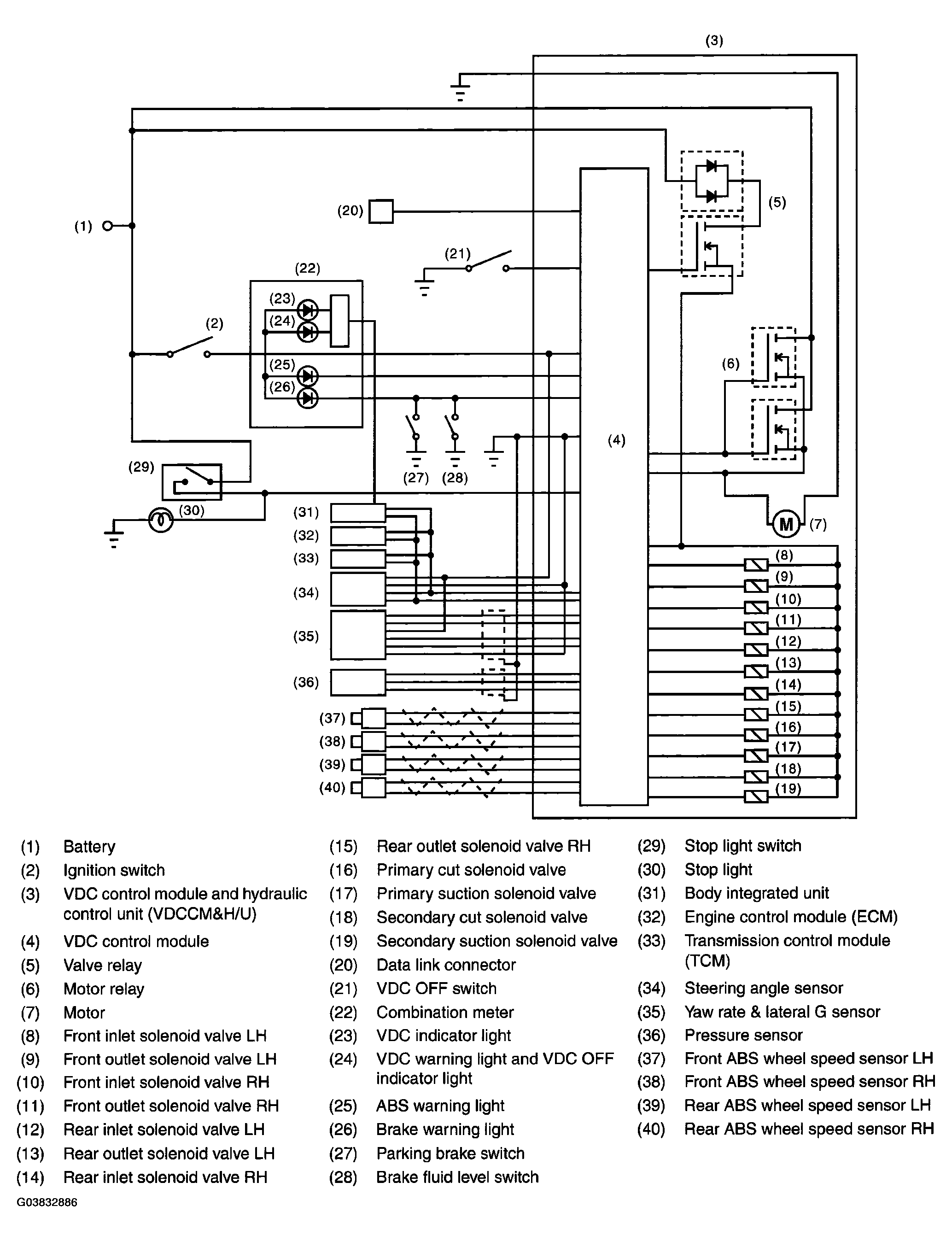
Control Module I/O Signal: Wiring Diagram

Fig 1: Brake System Wiring Diagram
G03832886Courtesy of SUBARU OF AMERICA, INC.