LEMON Manuals: Even more car manuals for everyone
Home >> Subaru >> 2005 >> Baja Base, Standard >> Repair and Diagnosis >> Transmission >> Transmission Control Systems >> A/T & M/T Control Systems >> A/T Shift Lock System >> Inspection >> Key Interlock Does Not Lock Or Release

Key Interlock Does Not Lock Or Release

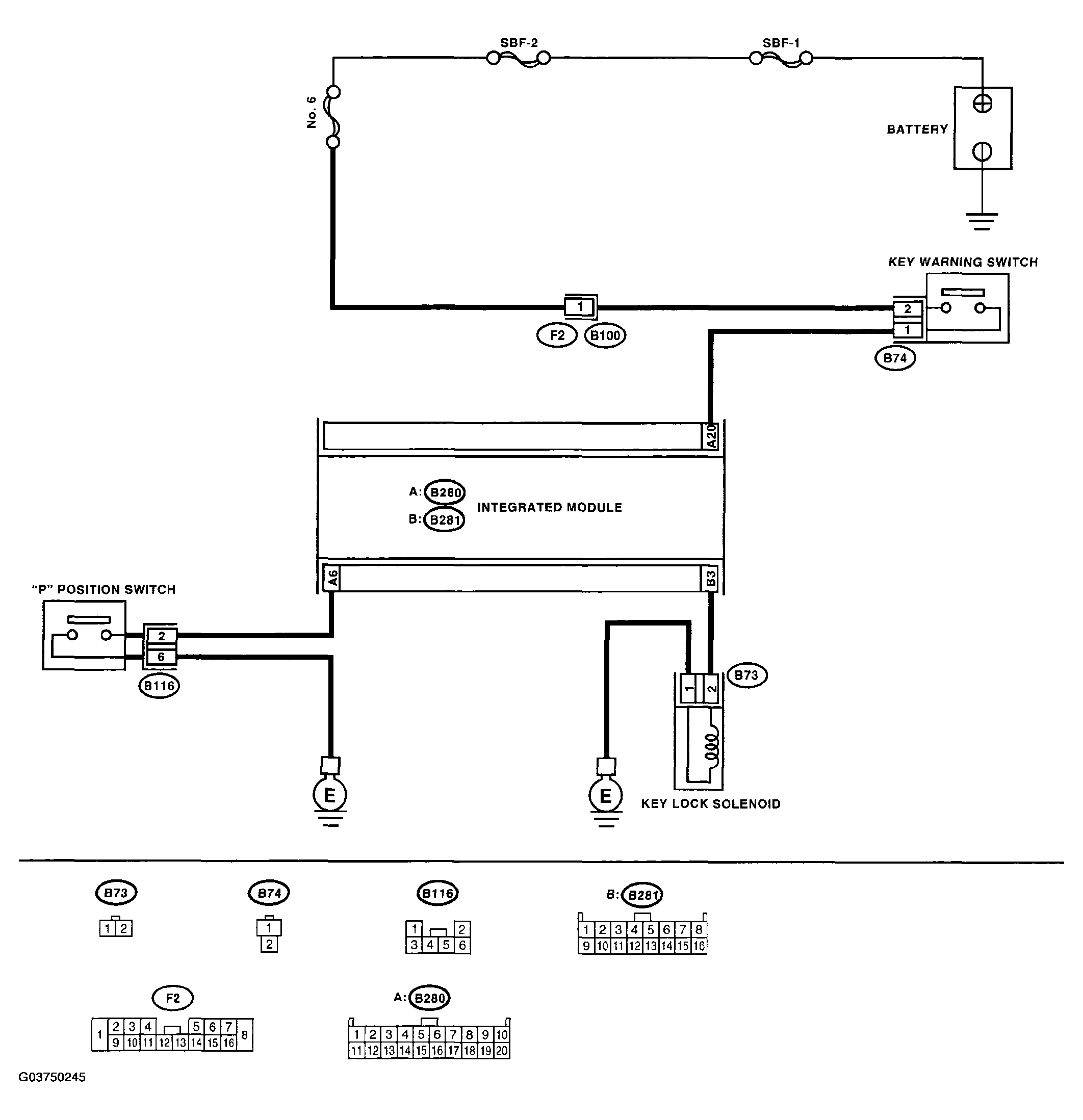
WIRING DIAGRAM: 

Fig 1: Key Interlock Does Not Lock Or Release - Wiring Diagram
G03750245Courtesy of SUBARU OF AMERICA, INC.
DIAGNOSTIC PROCEDURE

Step Check Yes No
1 CHECK HARNESS BETWEEN BATTERY AND KEY WARNING SWITCH. 
  1. Disconnect the connector key warning switch.
  2. Measure the voltage of harness between key warning switch and chassis ground.

Connector & terminal 
(B74) No. 2 (+) - Chassis ground (-): 
Is the measured value within 9 - 16 V? Go to step 2.  Repair the open or short circuit in harness between battery and key warning switch.
2 CHECK KEY WARNING SWITCH. 
Measure the resistance of key warning switch connector terminals.
Terminal 
No. 1 - No. 2: 
Is the measured value more than 1 MΩ? Replace the key warning switch. Go to step 4. 
3 CHECK KEY WARNING SWITCH. 
  1. Remove the key.
  2. Measure the resistance of key warning switch connector terminals.

Terminal 
No. 1 - No. 2: 
Is the measured value more than 1 MΩ? Go to step 4.  Replace the key warning switch.
4 CHECK HARNESS BETWEEN INTEGRATED MODULE AND KEY WARNING SWITCH. 
  1. Disconnect the integrated module connector.
  2. Measure the voltage of harness integrated module and chassis ground.

Connector & terminal 
(B280) No. 20 (+) - Chassis ground (-): 
Is the measured value more than 9 V? Go to step 5.  Repair the open circuit in harness between integrated module and key warning switch.
5 CHECK HARNESS BETWEEN INTEGRATED MODULE AND KEY LOCK SOLENOID. 
  1. Disconnect the connector of key lock solenoid.
  2. Measure the resistance of harness between integrated module and key lock solenoid.

Connector & terminal 
(B73) No. 2 - (B281) No. 3: 
Is the measured value more than 1 MΩ? Repair the open circuit in harness between integrated module and key lock solenoid. Go to step 6. 
6 CHECK HARNESS BETWEEN INTEGRATED MODULE AND KEY LOCK SOLENOID. 
Measure the resistance of harness between integrated module and chassis ground.
Connector & terminal 
(B281) No. 3 - Chassis ground: 
Is the measured value less than 1 Ω? Go to step 7.  Repair the short circuit in harness between integrated module and key lock solenoid.
7 CHECK HARNESS BETWEEN KEY LOCK SOLENOID AND CHASSIS GROUND. 
Measure the resistance of harness between key lock solenoid and chassis ground.
Connector & terminal 
(B73) No. 1 - Chassis ground: 
Is the measured value less than 10 Ω? Go to step 8.  Repair the open circuit in harness between key lock solenoid and chassis ground.
8 CHECK KEY LOCK SOLENOID. 
Measure the resistance of key lock solenoid connector terminals.
Terminal 
No. 1 - No. 2: 
Is the measured value within 4 - 8 Ω? Go to step 14.  Replace the key lock solenoid.
9 CHECK HARNESS BETWEEN "P" POSITION SWITCH AND CHASSIS GROUND. 
Measure the resistance of harness between "P" position switch and chassis ground.
Connector & terminal 
(B116) No. 2 - Chassis ground: 
Is the measured value less than 1 Ω? Go to step 10.  Repair the short circuit in harness between "P" position switch and integrated module.
10 CHECK HARNESS BETWEEN INTEGRATED MODULE AND "P" POSITION SWITCH. 
  1. Disconnect the connector from "P" position switch.
  2. Measure the resistance of harness between integrated module and "P" position switch.

Connector & terminal 
(B116) No. 2 - (B281) No. 6: 
Is the measured value more than 1 MΩ? Repair the open circuit in harness between integrated module and "P" position switch. Go to step 11. 
11 CHECK HARNESS BETWEEN "P" POSITION SWITCH AND CHASSIS GROUND. 
Measure the resistance of harness "P" position switch and chassis ground.
Connector & terminal 
(B116) No. 6 - Chassis ground: 
Is the measured value more than 1 MΩ? Go to step 12.  Repair the open circuit in harness between "P" position switch and chassis ground.
12 CHECK "P" POSITION SWITCH. 
  1. Move the select lever to "P" position.
  2. Measure resistance between "P" position switch connector terminals.

Terminal 
No. 2 - No. 6: 
Is the measured value less than 1 Ω? Go to step 13.  Replace the "P" position switch.
13 CHECK "P" POSITION SWITCH. 
  1. Move the select lever to other than "P" position.
  2. Measure resistance between "P" position switch connector terminals.

Terminal 
No. 2 - No. 6: 
Is the measured value more than 1 MΩ? Go to step 14.  Replace the "P" position switch.
14 CHECK OUTPUT SIGNAL FOR INTEGRATED MODULE. 
  1. Connect all connectors.
  2. Turn the ignition switch to ON (engine OFF).
  3. Move the select lever to "P" position.
  4. Press the brake pedal.
  5. Measure the voltage between integrated module connector and chassis ground.

Connector & terminal 
(B281) No. 3 (+) - Chassis ground (-): 
Is the measured value within 7.5 - 16 V? Go to step 15.  Replace the integrated module.
15 CHECK POOR CONTACT.  Is there poor contact in key lock circuit? Repair the poor contact. Replace the integrated module.