LEMON Manuals: Even more car manuals for everyone
Home >> Subaru >> 2005 >> Baja Base, Standard >> Repair and Diagnosis >> Engine Performance >> Engine Control Systems >> Fuel Injection (Fuel Systems) >> General Description >> Components With Torque Specifications >> Air Intake System

Air Intake System

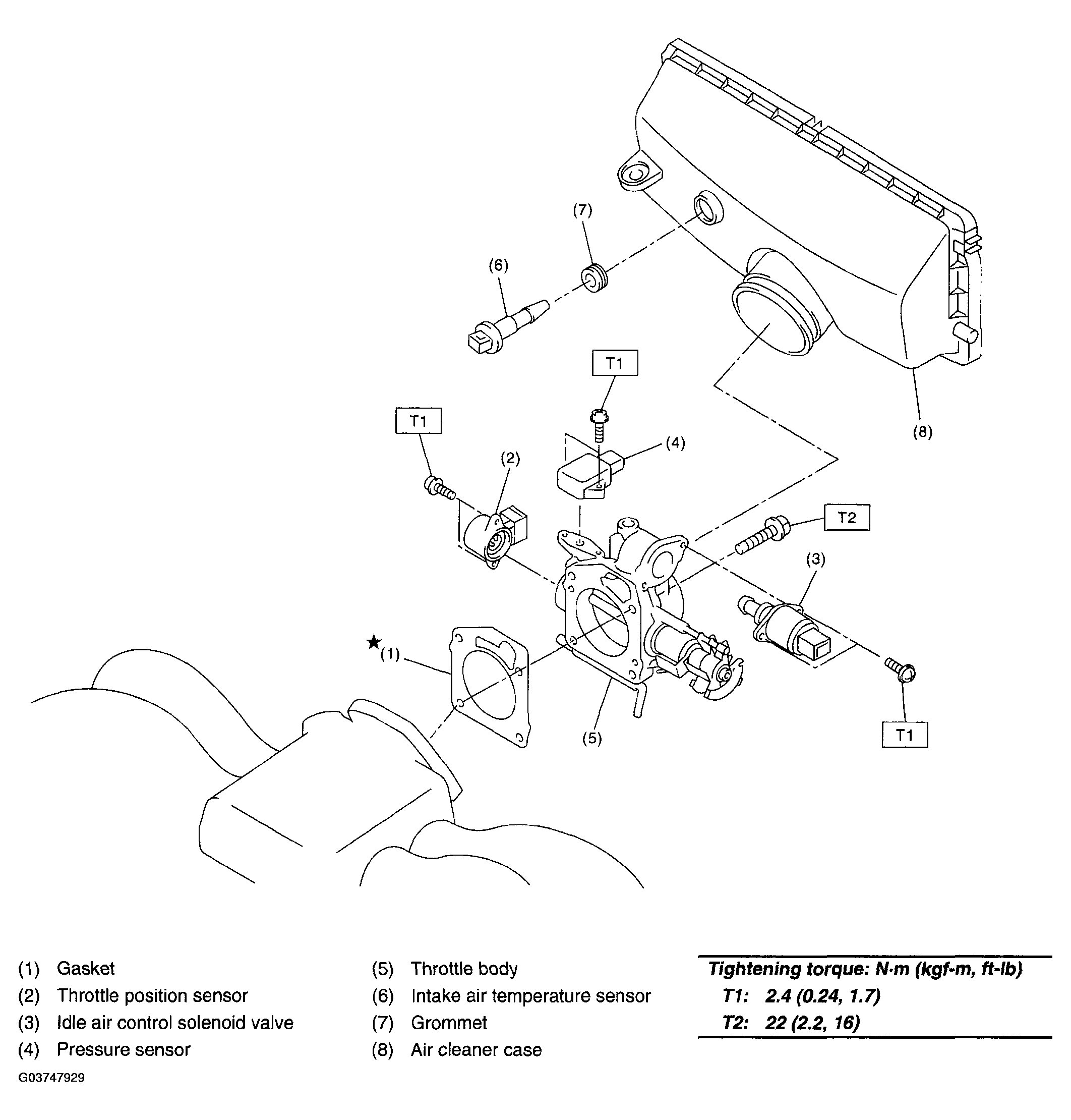
Fig 1: Exploded View Of Air Intake System Components With Torque Specifications
G03747929Courtesy of SUBARU OF AMERICA, INC.