LEMON Manuals: Even more car manuals for everyone
Home >> Subaru >> 2004 >> Forester XT, Automatic >> Repair and Diagnosis >> Transmission >> Transmission Control Systems >> A/T Control Systems >> A/T Shift Lock System >> Inspection >> Body Integrated Unit Power Supply And Ground Line

Body Integrated Unit Power Supply And Ground Line

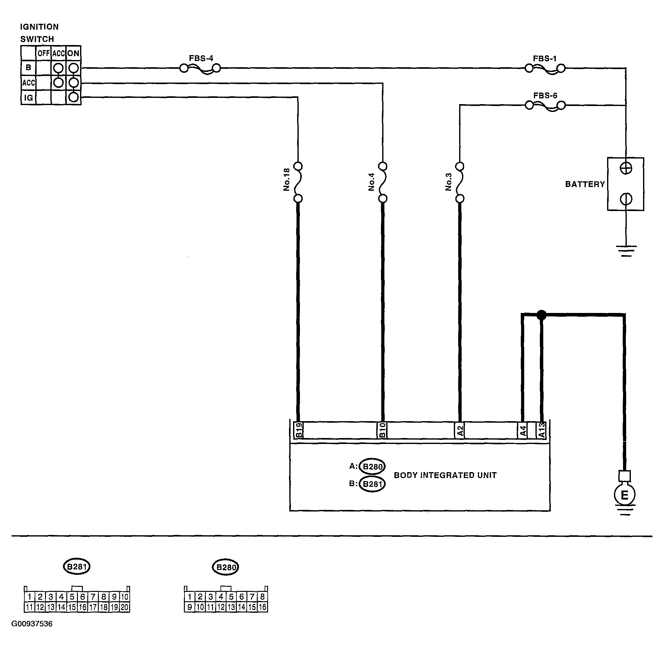
WIRING DIAGRAM: 

Fig 1: Body Integrated Unit Power Supply And Ground Line Wiring Diagram
G00937536Courtesy of SUBARU OF AMERICA, INC.

SHIFT LOCK OPERATION CHART: 

Fig 2: Shift Lock Operation Chart
G00937537Courtesy of SUBARU OF AMERICA, INC.