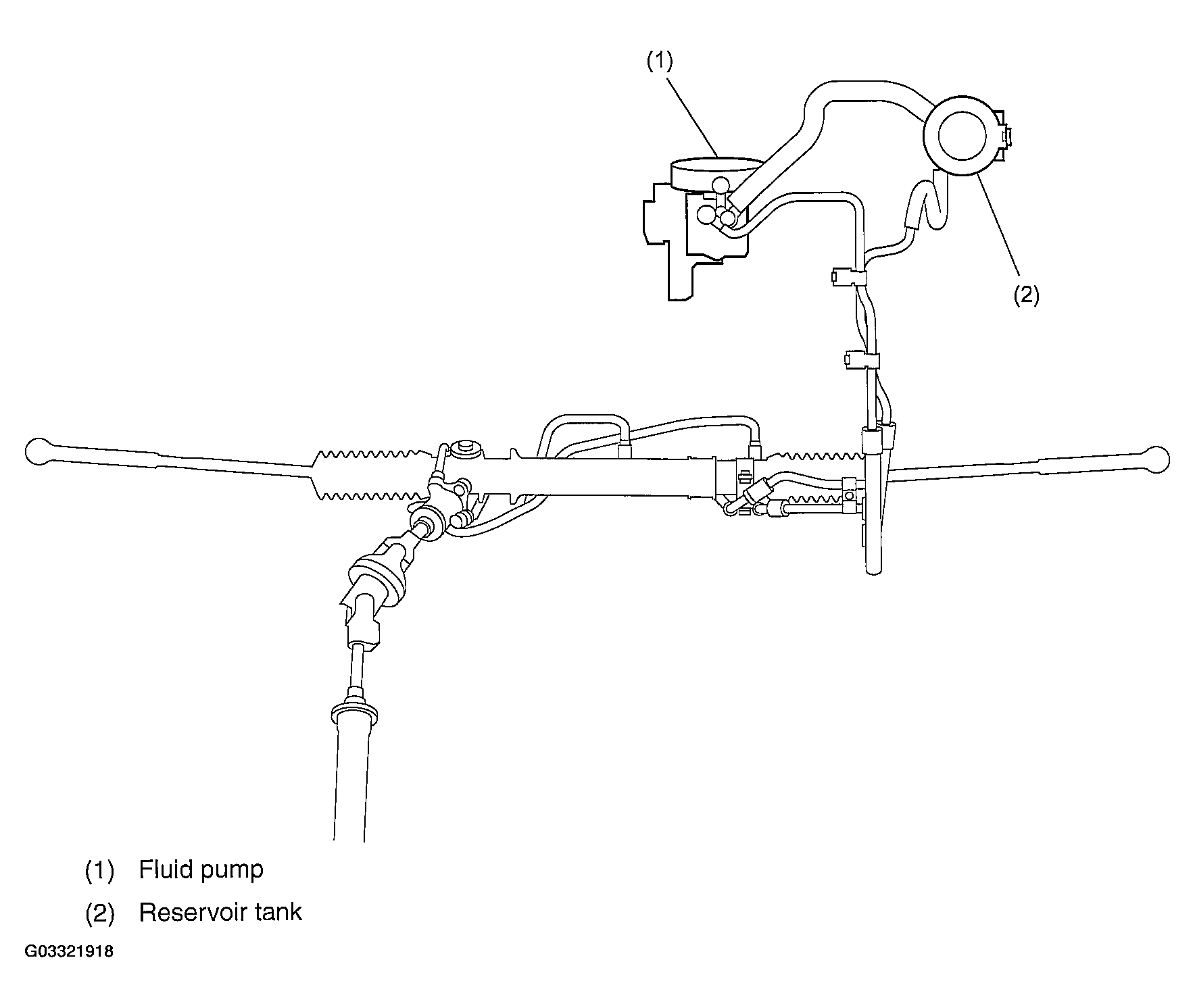
2.5 L Model: Notes
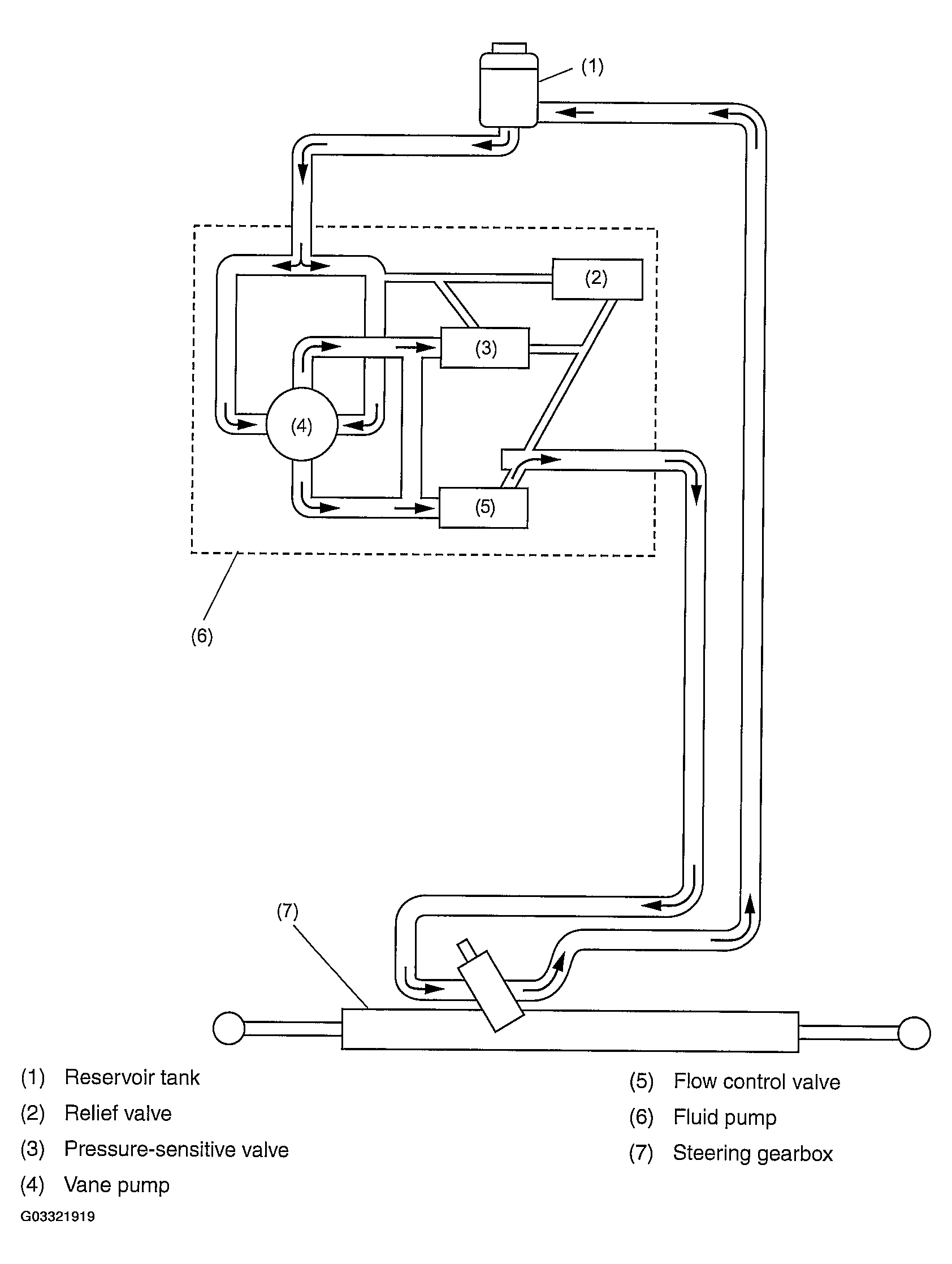
The fluid pump is a vane type driven by the engine via belt.
The reservoir tank is mounted on the vehicle body.
The fluid pump incorporates the flow control valve, pressure-sensitive valve, and relief valve, each performing the following functions:
- The flow control valve regulates the flow rate of discharged fluid to a constant level irrespective of the engine speed.
- The pressure-sensitive valve returns the fluid to the reservoir tank when there is no steering input.
- The relief valve protects the system from an excessively high pressure which may occur, for example, when the steering wheel is turned all the way.