LEMON Manuals: Even more car manuals for everyone
Home >> Subaru >> 2003 >> Outback Base, 4D Sedan >> Repair and Diagnosis >> Transmission >> Transmission Control Systems >> A/T & M/T Control Systems >> AT Shift Lock System >> Inspection >> Key Interlock Does Not Lock Or Release Wiring Diagram:

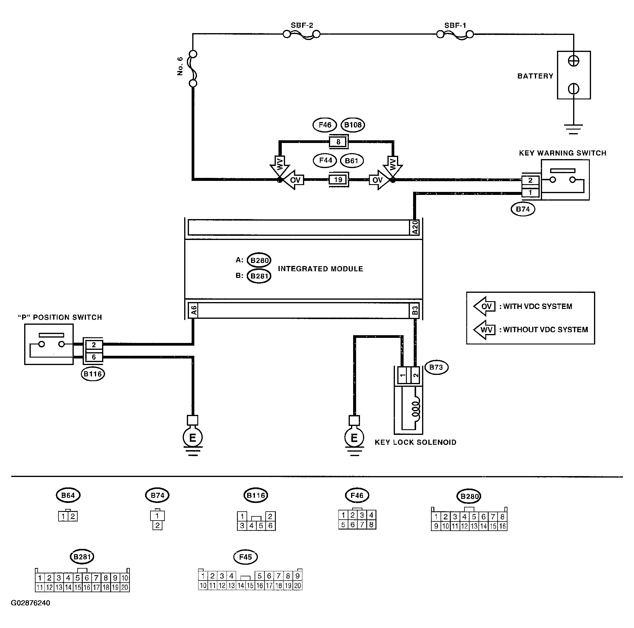
Key Interlock Does Not Lock Or Release Wiring Diagram:

Fig 1: Key Interlock Does Not Lock Or Release Wiring Diagram
G02876240Courtesy of SUBARU OF AMERICA, INC.
Fig 2: Key Interlock Does Not Lock Or Release Inspection Chart (1 Of 3)
G02876241Courtesy of SUBARU OF AMERICA, INC.
Fig 3: Key Interlock Does Not Lock Or Release Inspection Chart (2 Of 3)
G02876242Courtesy of SUBARU OF AMERICA, INC.
Fig 4: Key Interlock Does Not Lock Or Release Inspection Chart (3 Of 3)
G02876243Courtesy of SUBARU OF AMERICA, INC.