LEMON Manuals: Even more car manuals for everyone
Home >> Subaru >> 2003 >> Outback Base, 4D Sedan >> Repair and Diagnosis >> Transmission >> Transmission Control Systems >> A/T & M/T Control Systems >> AT Shift Lock System >> Inspection >> Integrated Module Power Supply And Ground Line Wiring Diagram:

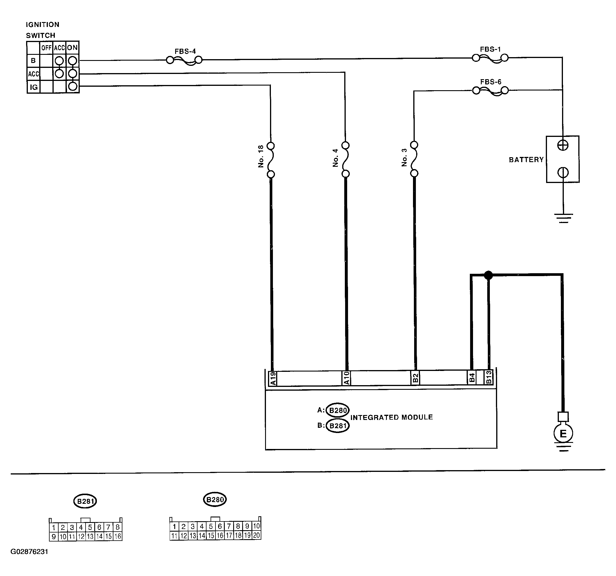
Integrated Module Power Supply And Ground Line Wiring Diagram:

Fig 1: Integrated Module Power Supply & Ground Line Wiring Diagram
G02876231Courtesy of SUBARU OF AMERICA, INC.
Fig 2: Integrated Module Power Supply & Ground Line Inspection Chart
G02876232Courtesy of SUBARU OF AMERICA, INC.